5.1. Универсальный автомат «Бегущий огонь»

Новиков А. [13]

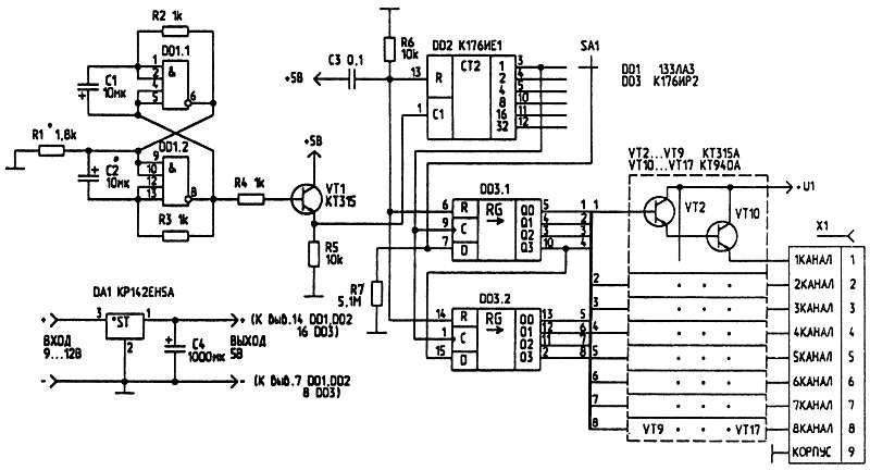
Принципиальная схема универсального автомата приведена на рис. 14. Тактовая частота автомата, которой определяется скорость перемещения «огня», вырабатывается мультивибратором, собранным на элементах DD1.1 и DD1.2 с буферным эмиттерным повторителем на транзисторе VT1. Частоту можно изменять подбором сопротивлений резисторов R2, R3 или конденсаторов C1, С2. С эмиттерного повторителя сигнал поступает на вход шестиразрядного двоичного счетчика DD2.

Рис. 14. Схема основной части автомата

Переключателем SA1 выбирается коэффициент деления тактовой частоты, после которого импульсы подаются на вход регистра DD3.1, а с его выхода Q3 — на вход регистра DD3.2. Благодаря этому — каждый положительный перепад импульсов с выхода 1 счетчика сдвигает высокий уровень на выходах регистров, начиная с выхода Q0 до Q3 DD3.1 и далее с выхода Q0 до Q3 DD3.2. Так образуется зажигание светодиодов по 8 каналам, в каждом из которых используется ключ в виде составного транзистора.

В тактовом мультивибраторе вместо K133ЛA3 можно использовать микросхемы ТТЛ: К155ЛАЗ, К1533ЛАЗ, К1554ЛАЗ или КМОП: К176ЛА7, К561ЛА7, К564ЛА7. Назначение выводов у микросхем ТТЛ такое же, как у К133ЛАЗ. У микросхем КМОП входы элементов 1–2, 5–6, 8–9, 12–13. Соответствующие выходы — 3, 4, 10, 11. Питание основной части автомата производится от внешнего источника питания напряжением 9-12 В через электронный стабилизатор, собранный на интегральной микросхеме DA1. При использовании микросхем КМОП благодаря их малому потреблению можно вместо электронного стабилизатора напряжения КР142ЕН5А использовать параметрический стабилизатор на стабилитроне.

С помощью соединителя XI основная часть автомата подключается к соединителю Х2 гирлянды, фрагмент схемы которой показан на рис. 15.

Рис. 15. Принципиальная схема гирлянды

Питание транзисторных ключей и подключенных к ним светодиодов осуществляется от отдельного источника напряжением U1. Универсальность автомата заключается в том, что «бегущий огонь» может создаваться не только светодиодами, но и другими источниками света, например маломощными лампами накаливания, рассчитанными на напряжения 6,3, 13,5 или 26 В, а также последовательным соединением двух или нескольких светодиодов или ламп накаливания. Исходя из этого и выбирается напряжение U1.

Более 800 000 книг и аудиокниг! 📚

Получи 2 месяца Литрес Подписки в подарок и наслаждайся неограниченным чтением

ПОЛУЧИТЬ ПОДАРОК