10.5. Цветомузыкальная приставка

Бобровский В. [32]

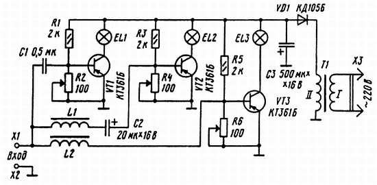
В цветомузыкальной приставке сигнал звуковой частоты, поступающий с динамической головки звуковоспроизводящего устройства, подвергается частотному разделению, электрические лампы различной окраски освещают небольшой экран. При нижних частотах зажигается лампа красного цвета, при средних — зеленого, при верхних — синего или голубого.

Через конденсатор С1 (рис. 44) проходят сигналы верхних частот на усилитель, выполненный на транзисторе VT1, а сигналы средних и нижних частот ослабляются. В цепь коллектора VT1 включена лампа EL1, баллон которой окрашен в синий цвет. Режим каскада устанавливают переменным резистором R2.

Фильтр L1, С2 пропускает сигналы средних частот. Баллон лампы EL2 окрашен в зеленый цвет. Режим каскада устанавливают переменным резистором R4. Сигналы нижних частот пропускает дроссель L2, который оказывает большое сопротивление сигналам средних и верхних частот. Режим устанавливают резистором R6, а лампа EL3 окрашена в красный цвет.

Все лампы маломощные — СМН-6,3-20, потребляющие при напряжении 6,3 В ток 20 мА. Трансформатор Т1-ТВК-110 (выходной трансформатор кадров черно-белых телевизоров. Дроссели — самодельные, намотанные на кольцах К10х6х3 из феррита 600НН проводом ПЭВ-1 0,25. Каждый дроссель содержит 200 витков, для L1 используют одно кольцо, а для L2 — два, сложенных вместе.

Рис. 44. Принципиальная схема цветомузыкальной приставки

Более 800 000 книг и аудиокниг! 📚

Получи 2 месяца Литрес Подписки в подарок и наслаждайся неограниченным чтением

ПОЛУЧИТЬ ПОДАРОК