8.4. Пьезосирена в охранной сигнализации

Виноградов Ю. [24]

Хотя в продаже имеется множество сирен фабричного производства, высокая цена препятствует их широкому применению.

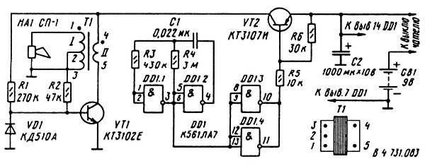
Предлагается самодельная конструкция сирены на основе пьезоэлемента СП-1, который при напряжении возбуждения 40 В способен развивать звуковое давление до 110 дБ. Управление этим пьезоэлементом с помощью специального преобразователя позволяет создать несложную и эффективную охранную систему. Принципиальная схема такого электронного преобразователя, который обеспечивает необходимый режим пьезоэлемента СП-1, показана на рис. 31.

Рис. 31. Принципиальная схема пьезосирены

Генератор низкой частоты образован транзистором VT1 с трансформатором Т1 благодаря положительной индуктивной обратной связи. Частота генерируемых колебаний определяется колебательным контуром, состоящим из емкостного сопротивления пьезоэлемента и индуктивного сопротивления обмотки I трансформатора.

Для получения звукового сигнала тревоги электрические колебания генератора модулируются манипулятором, который содержит транзистор VT2 и микросхему DDL На элементах DDL1 и DD1.2 собран генератор релаксационных колебаний, частота повторения которых составляет 5–6 Гц и определяется сопротивлением резистора R4 и емкостью конденсатора С1. Элементы DD1.3 и DD1.4 образуют буферный каскад.

Питание сирены производится от батареи «Крона» или «Корунд» напряжением 9 В. Несмотря на высокий уровень громкости, создаваемый пьезоэлементом, потребление энергии от батареи невелико. В табл. 2 приводятся значения потребляемого устройством тока Iпотр и эффективного значения напряжения Uэфф на излучателе от напряжения питания.

Микросхему К561ЛА7 можно заменить микросхемой К561ЛЕ5 или аналогичными из серий К176 или K164. В качестве трансформатора Т1 можно взять выходной трансформатор от транзисторного радиоприемника с коэффициентом трансформации 5.

Более 800 000 книг и аудиокниг! 📚

Получи 2 месяца Литрес Подписки в подарок и наслаждайся неограниченным чтением

ПОЛУЧИТЬ ПОДАРОК