Работа ОУ с одним источником питания

Для работы операционного усилителя не требуется иметь стабилизированные источники питания +15 В. Можно использовать расщепленные источники более низкого напряжения или несимметричные источники (например, +12 В и -3 В), которые обеспечивают полный диапазон напряжения питания (U+—U_), согласно спецификации ОУ (см. табл. 4.1). Часто подходящими оказываются нестабилизированные источники напряжения, так как благодаря отрицательной обратной связи обеспечивается высокое значение коэффициента ослабления влияния напряжения источника питания (для ОУ типа 411 типичным является значение 90 дБ). Во многих случаях бывает удобно, чтобы ОУ работал от одного источника питания, например +12 В. Это можно делать и с обычным ОУ, создав «искусственное опорное напряжение» относительно земли, если позаботиться об обеспечении минимально необходимого питания, обеспечивающего диапазоны выходного и входного синфазного напряжения. В некоторых современных операционных усилителях во входной и выходной диапазоны входит и напряжение отрицательного источника (т. е. потенциал земли при работе с одним источником питания). Для таких ОУ возможность работы с одним источником особенно заманчива благодаря простоте. Однако имейте в виду, что наиболее распространено использование расщепленных симметричных источников питания.

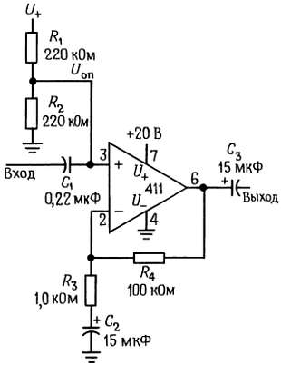
4.21. Смещение усилителей переменного тока, использующих один источник питания.

Для операционных усилителей общего назначения типа 411 размах напряжения на входах и на выходе обычно меньше диапазона напряжения питания (по абсолютной величине) на 1,5 В. Если вывод U_ соединить не с источником напряжения, а с землей, то ни на входе, ни на выходе напряжение не будет равно потенциалу земли. Если же создать опорное напряжение (равное, например, 0,5U+), то с его помощью можно сместить ОУ, и он будет работать так, как требуется (рис. 4.53). Эта схема представляет собой усилитель звуковых частот с усилением 40 дБ. Опорное напряжение Uоп = 0,5U+ обеспечивает полный размах выходного напряжения, равный приблизительно 17 В от пика до пика (около 6 В эфф.) без среза вершин сигнала. Конденсаторы на входе и выходе блокируют уровень напряжения постоянного тока, равный Uоп.

Рис. 4.53.

4.22. Операционные усилители с одним источником питания.

Существует такой класс операционных усилителей, который допускает работу с одним источником положительного напряжения питания. Это связано с тем, что входные напряжения могут изменяться вплоть до предельного отрицательного значения (обычно привязанного к потенциалу земли). В этом классе в свою очередь можно выделить два типа в зависимости от возможностей выходного каскада: в усилителях первого типа размах выходного напряжения ограничен снизу значением U_, в усилителях второго типа — двумя значениями напряжения питания:

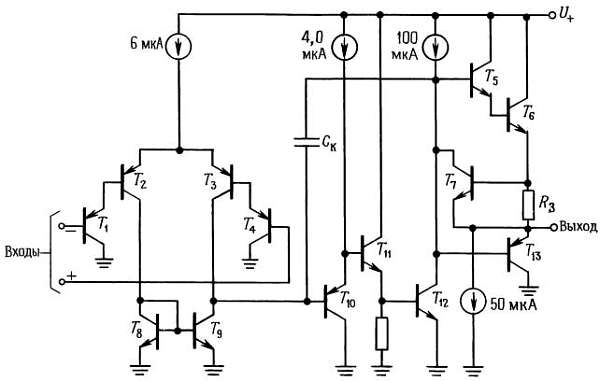
1. Операционный усилитель типа LM324 (четыре ОУ в одной ИС)/LМ358 (два ОУ в одной ИС), LT1013 и TLC270. Для этих схем нижний предел диапазона входного синфазного сигнала на 0,3 В ниже, чем U_, а размах выходного напряжения ограничен снизу значением напряжения U_. Как на входах, так и на выходе предельное значение напряжения на 1,5 В меньше, чем напряжение U+. Если требуется, чтобы входной диапазон был ограничен значением U+, то лучше использовать ОУ типа LM301/307, ОР-41 или 355; пример использования такого типа ОУ приведен в разд. 6.24, посвященном обсуждению источников постоянного тока. Для того, чтобы понять некоторые тонкости построения таких ОУ, полезно обратиться к принципиальной схеме (рис. 4.54).

Рис. 4.54. Принципиальная схема распространенных ОУ типа 324 и 358 (фирма National Semiconductor Corp.).

Она представляет собой дифференциальный усилитель; в качестве активной нагрузки входного каскада использовано токовое зеркало, выходной каскад является двухтактным и обеспечивает ограничение выходного тока. Запомните следующие основные моменты (напряжение U_будем называть землей):

Входы: использование на входе р-n-р-структуры приводит к тому, что размах напряжения ограничен снизу значением, которое на 0,3 В ниже потенциала земли; при превышении этого предела на любом из входов состояние выхода становится непредсказуемым (например, напряжение на выходе может стать отрицательным).

Выход: транзистор Т13 работает при низком выходном напряжении и может принять большой втекающий ток, однако он способен удержать выходное напряжение только на уровне падения напряжения на диоде относительно земли. Более низкие напряжения обеспечивает приемник тока на 50 мкА; это означает, что при низких уровнях выхода (близких к 0 В) нельзя использовать нагрузку, через которую в схему пойдет ток, больший 50 мкА, в противном случае напряжение на выходе не сможет приблизиться к потенциалу земли более чем на величину падения напряжения на диоде. Даже при использовании «хорошей» нагрузки (например, в виде разомкнутой цепи) приемник тока не может приблизить выходное напряжение к потенциалу земли более чем на величину напряжения насыщения (0,1 В). Если надо, чтобы выходное напряжение было в точности равно потенциалу земли, то нагрузка должна отбирать небольшой ток; это может быть, например, заземленный резистор. В последнее время к семейству операционных усилителей с одним источником питания со входами на транзисторах р-n-р-типа. добавились следующие схемы: прецизионные ОУ типа LT1006 и LT1014 (в одном корпусе один и четыре ОУ, соответственно), микромощные ОУ типа ОР-20 и ОР-90 (в обоих случаях в одном корпусе один ОУ), и LP324 (в одном корпусе четыре ОУ).

Примеры схем с этими операционными усилителями будут приведены после того, как мы рассмотрим еще один тип ОУ, работающий с одним источником питания.

2. Операционный усилитель типа LM10 (на биполярных транзисторах) или СА5130/5160 (на полевых МОП-транзисторах). В выходных каскадах этих ОУ используют комплементарные полевые транзисторы. Когда они полностью открыты, то их сопротивление, включенное между выходом и источником питания (U+ или U_) мало. Следовательно, размах выходного напряжения ограничен значениями напряжения источников питания. Кроме того, напряжение на входах может становиться ниже напряжения U_ на 0,5 В. В отличие от ОУ типа LM10, для ОУ типа СА5130 и 5160 полный диапазон питающего напряжения может составлять не более 16 В, а диапазон входного синфазного напряжения ограничен значениями ± 8 В. В большинстве операционных усилителей на КМОП-транзисторах размах выходного напряжения ограничен значениями питающих напряжений, однако нужно иметь в виду, что существуют такие семейства ОУ, в которых размах ограничен значением одного питающего напряжения. Отметим также, что входной диапазон большинства ОУ на КМОП-транзисторах, также как ОУ на биполярных транзисторах, включает по крайней мере одно значение напряжения питания.

Например, в популярной серии интегральных схем TLC27хх фирмы TI размах входного и выходного напряжения ограничен только отрицательным значением напряжения питания, в тоже время в ОУ типа LMC660 фирмы National, в серии схем типа ICL76xx фирмы Intersil и в ОУ на КМОП-транзисторах фирмы RCA выходной размах ограничен двумя значениями напряжения питания (правда, входной диапазон синфазного сигнала ограничен только отрицательным значением напряжения питания). Особое место среди ОУ занимают КМОП-операционные усилители типа ICL612 и AD1701/2, в которых и входной, и выходной диапазоны ограничены двумя значениями напряжения питания.

Пример: фотометр с одним источником питания. На рис. 4.55 показана типичная схема, в которой удобно использовать один источник питания.

Рис. 4.55. Фотометр с одним источником питания.

Подобную схему мы уже рассматривали выше, когда знакомились с преобразователями тока в напряжение. В связи с тем, что схему солнечной батареи можно с успехом использовать в портативных приборах для измерения светового потока, а также потому, что выходное напряжение может быть только положительным, само собой напрашивается желание использовать для этой схемы один источник питания в виде электрической батарейки. Резистор R1 устанавливает размах выходного напряжения равным 5 В при входном фототоке величиной 0,5 мкА. В этой схеме нет необходимости регулировки напряжения смещения, так как неотрегулированное смещение величиной 10 мВ соответствует пренебрежимо малому показанию фотометра, величиной 0,2 % полного размаха шкалы. Интегральная схема типа TLC251 представляет собой недорогой микромощный (питающий ток равен 10 мкА) ОУ на КМОП-транзисторах, в котором размах входного и выходного напряжения ограничен отрицательным значением напряжения питания. Благодаря небольшому входному току (типичное значение — 1 пА при комнатной температуре), эта схема подходит для приложений, подобных описанному здесь, в которых используется слабый ток. Отметим, что при использовании биполярного ОУ схема будет лучше работать при низких уровнях света, если фотодиод подключить так, как показано на рис. 4.94, л.

Если вы имеете дело с операционными усилителями с одним источником питания, будьте внимательны к заявлениям о выходном размахе, ограниченном отрицательным значением напряжения питания (потенциалом земли). На самом деле существуют четыре типа выходных каскадов, выходной размах которых ограничен потенциалом земли, но все они обладают разными свойствами (рис. 4.56): (а) операционные усилители с КМОП-транзисторами на выходе на самом деле обеспечивают размах, ограниченный значениями питающих напряжений; такой каскад может дотянуть выходное напряжение до потенциала земли, даже если схема отбирает небольшой ток. В качестве примера назовем схемы типа ICL76xx, LMC660 и СА5160. (б) Аналогично ведут Обратная связь и операционные усилители 243 себя операционные усилители с транзистором с общим эмиттером n-р-n-типа, на который подан потенциал земли, т. е. выходное напряжение ограничено потенциалом земли, даже если отбирается ток. Примерами служат схемы типа LMIO, СА5422 и LT1013/14. Оба типа выходных каскадов могут, конечно, работать на разомкнутую схему или на нагрузку, которая отбирает ток на землю. (в) В некоторых ОУ, таких как 358 или 324, используется подключенный к «земле» повторитель р-n-р-типа, (размах которого ограничен потенциалом земли в пределах нескольких падений напряжения на диоде), соединенный параллельно со схемой на транзисторах n-р-n-типа, потребляющей ток (отбирающей ток на землю). В схеме типа 358 внутренний потребляемый ток установлен равным 50 мкА. В этой схеме размах выходного напряжения ограничен точно потенциалом земли при условии, что отбираемый из нагрузки ток не превышает 50 мкА. Если же нагрузка порождает больший ток, то выходной размах ограничен потенциалом земли в пределах падения напряжения на диоде.

Рис. 4.56. Выходные каскады, используемые в ОУ с одним источником питания.

Как и прежде, выходная схема этого типа успешно работает источником тока на заземленную нагрузку (как в примере с фотометром). (г) И наконец, в некоторых ОУ с одним источником питания (например, типа ОР-90) используется подключенный к «земле» повторитель р-n-р-типа без параллельного потребителя тока. Такой выходной каскад может иметь размах, ограниченный потенциалом земли только в том случае, если нагрузка «помогает», потребляя ток, т. е. подключена к земле. Если вы захотите использовать такой ОУ с нагрузкой, которая представляет собой источник тока, вам придется включить в схему внешний резистор, связанный с «землей» (рис. 4.57).

Рис. 4.57. Подключение нагрузки к ОУ с одним источником питания. Для всех вариантов схем с одним источником питания (а-г) размах выходного напряжения ограничен потенциалом земли, при условии, что схема является источником тока. Для некоторых вариантов схем (а и б) размах выходного напряжения ограничен потенциалом, близким к потенциалу земли, при этом схемы потребляют ток средней или значительной величины; схема в может потреблять ток величиной до 50 мкА, а для схемы г требуется нагрузочный резистор, соединенный с землей, тогда схема будет работать с напряжением, близким к потенциалу земли.

Предостережение: было бы неправильно считать, что выходной размах любого ОУ можно ограничить отрицательным значением напряжения питания, если подключить внешний потребитель тока. В большинстве случаев схема, управляющая выходным каскадом не допускает этого. Внимательно изучайте документацию на схему!

Пример: усилитель постоянного тока с одним источником питания. На рис. 4.58 показан типичный неинвертирующий усилитель с одним источником питания, предназначенный для усиления входного сигнала положительной полярности.

Рис. 4.58. Усилитель постоянного тока с одним источником питания.

Входное, выходное напряжение и положительное напряжение питания измеряются относительно потенциала земли, которая служит в качестве отрицательного напряжения питания для ОУ. Выходной «спускающий» резистор может потребоваться только в усилителях, отнесенных нами к первому типу, для обеспечения размаха, ограниченного потенциалом «земли»; эту функцию может выполнить цепь обратной связи или сама нагрузка. Важный момент: запомните, что выходное напряжение не может быть отрицательным; следовательно, этот усилитель нельзя использовать, скажем, для звуковых радиосигналов переменного тока. Операционные усилители с одним источником питания незаменимы в оборудовании, использующем питание от батареек. К этой теме мы еще обратимся в гл. 14.

Более 800 000 книг и аудиокниг! 📚

Получи 2 месяца Литрес Подписки в подарок и наслаждайся неограниченным чтением

ПОЛУЧИТЬ ПОДАРОК