Диоды и диодные схемы

1.25. Диоды

Элементы, которые мы рассматривали до сих пор, относятся к линейным. Это значит, что удвоение приложенного сигнала (скажем, напряжения) вызывает удвоение отклика (скажем, тока). Этим свойством обладают даже реактивные элементы, конденсаторы и индуктивности. Рассмотренные элементы являются также пассивными, т. е. они не имеют встроенного источника энергии. И, кроме того, все эти элементы имеют по два вывода.

Диод (рис. 1.66) представляет собой пассивный нелинейный элемент с двумя выводами.

Рис. 1.66. Диод.

Вольт-амперная характеристика диода показана на рис. 1.67. (Придерживаясь принятого нами подхода, не будем объяснять физику явлений, определяющих функционирование этого элемента.)

Рис. 1.67. Вольт-амперная характеристика диода.

На условном обозначении направление стрелки диода (так обозначают анод элемента) совпадает с направлением тока. Например, если через диод в направлении от анода к катоду протекает ток величиной 10 мА, то анод на 0,5 В более положителен, чем катод; эта разница напряжений называется «прямым напряжением диода». Обратный ток для диодов общего назначения измеряется в наноамперах (обратите внимание на разный масштаб измерений по оси абсцисс для прямого и обратного тока), и его, как правило, можно не принимать во внимание до тех пор, пока напряжение на диоде не достигнет значения напряжения пробоя (это напряжение называют также пиковым обратным напряжением). Для диодов общего назначения типа 1N914 напряжение пробоя составляет обычно 75 В. (Как правило, на диод подают такое напряжение, которое не может вызвать пробой, исключение составляет упомянутый ранее зенеровский диод.) Чаще всего падение напряжения на диоде, обусловленное прямым током через него, составляет от 0,5 до 0,8 В. Таким падением напряжения можно пренебречь, и тогда диод можно рассматривать как проводник, пропускающий ток только в одном направлении.

К другим важнейшим характеристикам, отличающим существующие типы диодов друг от друга, относят: максимальный прямой ток, емкость, ток утечки и время восстановления обратного сопротивления (см. табл. 1.1, в которой приведены характеристики некоторых типов диодов).

Прежде чем начинать рассматривать схемы, содержащие диоды, отметим два момента: 1) диод не обладает сопротивлением в указанном выше смысле (не подчиняется закону Ома); 2) схему, содержащую диоды, нельзя заменить эквивалентной.

1.26. Выпрямление

Выпрямитель преобразует переменный ток в постоянный; выпрямительные схемы являются самыми простыми и наиболее полезными в практическом отношении диодными схемами (иногда диоды даже называют выпрямителями).

Простейшая выпрямительная схема показана на рис. 1.68.

Рис. 1.68. Однополупериодный выпрямитель.

Символ «Перем.» используется для обозначения источника переменного напряжения; в электронных схемах он обычно используется с трансформатором, питающимся от силовой линии переменного тока. Для синусоидального входного напряжения, значительно превышающего прямое напряжение диода (обычно в выпрямителях используют кремниевые диоды, для которых прямое напряжение составляет 0,6 В), выходное напряжение будет иметь вид, показанный на рис. 1.69. Если вы вспомните, что диод — это проводник, пропускающий ток только в одном направлении, то нетрудно понять, как работает схема выпрямителя.

Рис. 1.69.

Представленная схема называется однополупериодным выпрямителем, так как она использует только половину входного сигнала (половину периода).

На рис. 1.70 представлена схема двухполупериодного выпрямителя, а на рис. 1.71 показан ее выходной сигнал.

Рис. 1.70. Двухполупериодный мостовой выпрямитель.

Рис. 1.71.

Из графика видно, что входной сигнал используется при выпрямлении полностью. На графике выходного напряжения наблюдаются интервалы с нулевым значением напряжения, они обусловлены прямым напряжением диодов. В рассматриваемой схеме два диода всегда подключены последовательно к входу; об этом следует помнить при разработке низковольтных источников питания.

1.27. Фильтрация в источниках питания

Выпрямленные сигналы, полученные в предыдущем разделе, еще не могут быть использованы как сигналы постоянного тока. Дело в том, что их можно считать сигналами постоянного тока только в том отношении, что они не изменяют свою полярность. На самом деле в них присутствует большое количество «пульсаций» (периодических колебаний напряжения относительно постоянного значения), которые необходимо сгладить для того, чтобы получить настоящее напряжение постоянного тока. Для этого схему выпрямителя нужно дополнить фильтром низких частот (рис. 1.72).

Рис. 1.72.

Вообще говоря, последовательный резистор здесь не нужен, и его, как правило, не включают в схему (если же резистор присутствует, то он имеет очень маленькое сопротивление и служит для ограничения пикового тока выпрямителя). Дело в том, что диоды предотвращают протекание тока разряда конденсаторов, и последние служат скорее как накопители энергии, а не как элементы классического фильтра низких частот. Энергия, накопленная конденсатором, определяется выражением W = 1/2CU2. Если емкость С измеряется в фарадах, а напряжение U — в вольтах, то энергия W будет измеряться в джоулях (в ваттах в 1 с).

Конденсатор подбирают так, чтобы выполнялось условие RнC >> 1/f (где f — частота пульсаций, в нашем случае 120 Гц). При этом происходит ослабление пульсаций за счет того, что постоянная времени для разрядки конденсатора существенно превышает время между перезагрузками. В следующем разделе мы поясним это утверждение.

Определение напряжения пульсаций. Приблизительно определить напряжение пульсаций нетрудно, особенно если оно невелико по сравнению с напряжением постоянного тока (рис. 1.73).

Рис. 1.73. Определение напряжения пульсаций источника.

Нагрузка вызывает разряд конденсатора, который происходит в промежутке между циклами (или половинами циклов для двухполупериодного выпрямления) выходного сигнала. Если предположить, что ток через нагрузку остается постоянным (это справедливо для небольших пульсаций), то ΔU = (I/C)Δt (напомним, что I = C(dU/dt). Подставим значение 1/f (или 1/2f для двухполупериодного выпрямления) вместо Δt (такая замена допустима, так как конденсатор начинает снова заряжаться меньше, чем через половину цикла). Получим

ΔU = Iнагр/fC

(однополупериодное выпрямление),

ΔU = Iнагр/2fC

(двухполупериодное выпрямление).

(Наш преподавательский опыт говорит о том, что студенты любят заучивать эти уравнения! Неофициальный опрос, проведенный авторами, показал, что из каждых двух опрошенных инженеров два не помнят эти уравнения. Так что не трудитесь напрасно над бесполезным заучиванием, а лучше научитесь выводить эти зависимости.)

Если воспользоваться экспоненциальной функцией, определяющей изменение напряжения на конденсаторе при его разряде, то результат получим неправильным по следующим причинам:

1. Разряд конденсатора описывается экспоненциальной зависимостью только в том случае, если нагрузка резистивна; в большинстве случаев это не так. Часто на выходе выпрямителя устанавливают стабилизатор напряжения, который обеспечивает постоянство выпрямленного напряжения — он выступает в роли нагрузки, через которую протекает постоянный ток.

2. Для источников питания используют, как правило, конденсаторы с точностью 20 % и более. При разработке схем следует учитывать разброс параметров компонентов и для страховки производить расчет для наиболее неблагоприятного сочетания их значений. В таком случае, если считать, что в начальный момент разряд конденсаторов происходит по линейному закону, приближение будет весьма точным, особенно если пульсации невелики. Неточности приближения приводят лишь к некоторой перестраховке — они проявляются в завышении расчетного напряжения пульсаций по сравнению с его истинным значением.

Упражнение 1.27. Разработайте схему двухполупериодного выпрямителя, обеспечивающего на выходе напряжение постоянного тока с амплитудой 10 В. Напряжение пульсаций не должно превышать 0,1 В (двойной амплитуды). Ток в нагрузке составляет 10 мА. Выберите соответствующее входное напряжение переменного тока, учитывая, что падение напряжения на диоде составляет 0,6 В. При расчете правильно задайте частоту пульсаций.

1.28. Схемы выпрямителей для источников питания

Двухполупериодная мостовая схема. На рис. 1.74 показана схема источника питания постоянного тока с мостовым выпрямителем, который мы только что рассмотрели.

Рис. 1.74. Схема мостового выпрямителя. Значок полярности и электрод в виде дуги служат для обозначения поляризованного конденсатора, заряжать его с другой полярностью недопустимо.

Промышленность изготавливает мостовые схемы в виде функциональных модулей. Маленькие мостовые модули рассчитаны на предельный ток 1 А и напряжение пробоя от 100 до 600 В, а иногда до 1000 В. Для больших мостовых выпрямителей предельный ток равен 25 А и выше. В табл. 6.4 приведены параметры нескольких типов таких модулей.

Двухполупериодный однофазный выпрямитель. Схема двухполупериодного однофазного выпрямителя приведена на рис. 1.75.

Рис. 1.75. Двухполупериодный выпрямитель на основе трансформатора со средней точкой.

Выходное напряжение здесь в 2 раза меньше, чем в схеме мостового выпрямителя. Схема двухполупериодного однофазного выпрямителя не является эффективной с точки зрения использования трансформатора, так как каждая половина вторичной обмотки используется только в одном полупериоде. В связи с этим ток в обмотке за этот интервал времени в 2 раза больше, чем в простой двухполупериодной схеме. Согласно закону Ома, температура нагрева обмотки пропорциональна произведению I2R, значит, за время в 2 раза меньшее нагрев будет в 4 раза больше или в среднем больше по сравнению с эквивалентной двухполупериодной схемой.

Трансформатор для этой схемы следует выбирать так, чтобы его предельный ток был в 1,4 (в √2) раз больше, чем у трансформатора мостовой схемы, в противном случае такой выпрямитель будет более дорогим и более громоздким, чем мостовой.

 Упражнение 1.28. Это упражнение поможет вам разобраться в механизме нагрева обмотки, пропорционального I2R, и понять, в чем проявляется недостаток однофазного выпрямителя. На какое предельное минимальное значение тока должен быть расчитан плавкий предохранитель, чтобы в цепи мог протекать ток, изменяющийся согласно графику, показанному на рис. 1.76, и имеющий среднюю амплитуду 1 А?

Подсказка: предохранитель «перегорает», когда в цепи начинает протекать ток, превышающий предельное значение тока предохранителя. При этом в предохранителе расплавляется металлический проводник (температура его нагрева пропорциональна I2R).

Допустим, что и в нашем случае температурная постоянная времени для плавкого предохранителя значительно больше, чем период прямоугольных колебаний, т. е. предохранитель реагирует на значение I2, осредненное за несколько периодов входного сигнала.

Рис. 1.76.

Расщепление напряжения питания. Широко распространена мостовая однофазная двухполупериодная схема выпрямителя, показанная на рис. 1.77. Она позволяет расщеплять напряжение питания (получать на выходе одинаковые напряжения положительной и отрицательной полярности).

Рис. 1.77. Формирование двухполярного (расщепленного) напряжения питания.

Эта схема эффективна, так как в каждом полупериоде входного сигнала используются обе половины вторичной обмотки. Выпрямители с умножением напряжения. Схема, показанная на рис. 1.78, называется удвоителем напряжения.

Рис. 1.78. Удвоитель напряжения.

Для того чтобы понять, как работает эта схема, представьте, что она состоит из двух последовательно соединенных выпрямителей. Фактически эта схема является двухполупериодным выпрямителем, так как она работает в каждом полупериоде входного сигнала — частота пульсаций в 2 раза превышает частоту колебаний питающей сети (для сети с частотой 60 Гц, как в США, частота пульсаций составляет 120 Гц). Разновидности этой схемы позволяют увеличивать напряжение в 3, 4 и более раз.

На рис. 1.79 показаны схемы выпрямителей, обеспечивающие увеличение напряжения в 2, 3 и 4 раза, в которых один конец обмотки трансформатора заземлен.

Рис. 1.79. Схемы умножения напряжения; наличие источника с плавающим напряжением в представленных схемах не обязательно.

1.29. Стабилизаторы напряжения

Путем увеличения емкости конденсатора можно уменьшить пульсации напряжения до требуемого уровня. Такой способ борьбы с пульсациями имеет два недостатка:

1. Конденсаторы нужной емкости могут оказаться недопустимо громоздкими и дорогими.

2. Даже в том случае, когда пульсации уменьшены до пренебрежимо малого уровня, наблюдаются колебания выходного напряжения, обусловленные уже другими причинами, например, изменения входного напряжения сети ведут к флуктуациям выходного напряжения постоянного тока. Кроме того, изменение выходного напряжения может быть вызвано изменением тока нагрузки, так как трансформатор, диод и другие элементы обладают конечным внутренним сопротивлением. Иначе говоря, для эквивалентной схемы источника питания постоянного тока справедливо соотношение R > 0.

Более правильный подход к разработке источника питания состоит в том, чтобы с помощью конденсатора уменьшить пульсации до некоторого уровня (чтобы они составляли, например, 10 % от напряжения постоянного тока), а затем, для устранения остатков пульсаций, использовать схему с обратной связью. Такая схема содержит управляемый резистор (транзистор), подключаемый последовательно к выходу схемы, за счет которого уровень выходного напряжения поддерживается постоянным (рис. 1.80).

Рис. 1.80. Стабилизатор напряжения постоянного тока.

Подобные стабилизаторы напряжения используют почти повсеместно в качестве источников питания для электронных схем. В настоящее время промышленность выпускает стабилизаторы напряжения в виде законченных, готовых к использованию модулей. На основе стабилизатора напряжения можно построить удобный для работы источник питания, которому не страшны никакие опасности (короткие замыкания, перегрев и т. п.) и характеристики которого удовлетворяют самым высоким требованиям, предъявляемым к источнику напряжения (например, внутреннее сопротивление такого источника измеряется в миллиомах).

Источники питания постоянного тока со стабилизаторами напряжения мы рассмотрим в гл. 6.

1.30. Примеры использования диодов

Выпрямление сигналов. Бывают такие случаи, помимо тех, что мы рассмотрели выше, когда сигнал должен иметь только одну полярность. Если входной сигнал не является синусоидальным, то говорить о его выпрямлении не принято, хотя процесс выпрямления применим и к нему. Например, требуется получить последовательность импульсов, совпадающих с моментами нарастания прямоугольного сигнала. Проще всего продифференцировать прямоугольный сигнал, а затем выпрямить его (рис. 1.81).

Рис. 1.81.

Следует всегда иметь в виду, что прямое напряжение диода составляет приблизительно 0,6 В. На выходе нашей схемы, например, сигнал будет получен лишь в том случае, когда двойная амплитуда прямоугольного входного сигнала будет не меньше 0,6 В. Это условие накладывает определенные ограничения на разработку схемы, но известны приемы, с помощью которых их можно преодолеть. Например, можно воспользоваться диодом Шоттки, для которого прямое напряжение составляет около 0,25 В (можно также использовать так называемый обращенный диод с нулевым прямым напряжением, но его применение ограничено из-за того, что он имеет малое напряжение пробоя). Можно также воспользоваться схемой, показанной на рис. 1.82.

Рис. 1.82. Компенсация прямого напряжения на диоде в схеме диодного ограничителя сигналов.

Прямое напряжение на диоде Д2 компенсируется за счет диода Д1, обеспечивающего смещение величиной 0,6 В. Это смещение определяет порог проводимости для Д2. Формирование смещения с помощью диода Д1 (а не с помощью, например, делителя напряжения) имеет следующие преимущества: нет необходимости проводить регулировку уровня смещения, так как схема обеспечивает почти идеальную компенсацию; изменение прямого напряжения диодов (связанное, например, с изменением температуры) компенсируется и не сказывается на работе схемы. В дальнейшем мы еще не раз встретим компенсации изменений прямого напряжения с помощью согласованной пары диодов, транзисторов и полевых транзисторов: этот прием очень эффективен и прост в исполнении.

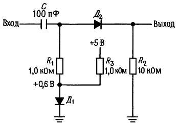
Диодные вентили. Еще одна область применения диодов основана на их способности пропускать большее из двух напряжений, не оказывая влияния на меньшее. Схемы, в которых используется это свойство, объединены в семейство логических схем. Рассмотрим схему с резервной батареей питания — она, используется в устройствах, которые должны работать непрерывно даже при отключениях питания (например, точные электронные часы). Схема, показанная на рис. 1.83, включает как раз такую батарею. В отсутствие сбоев питания батарея не работает, при возникновении сбоя питание на схему начинает поступать от батареи, при этом перерыва в подаче питания не происходит.

Рис. 1.83. Диодный вентиль ИЛИ с резервной батареей питания.

Упражнение 1.29. Измените схему так, чтобы батарея заряжалась от источника постоянного тока (в том случае, разумеется, когда питание есть) током 10 мА (такая схема нужна для того, чтобы поддерживать заряд батареи).

Диодные ограничители. В тех случаях, когда необходимо ограничить диапазон изменения сигнала, например напряжения, можно воспользоваться схемой, показанной на рис. 1.84.

Рис. 1.84. Диодный ограничитель напряжения.

Благодаря диоду выходное напряжение не может превышать значения +5,6 В, при этом наличие диода никак не сказывается на меньших значениях напряжения (в том числе и на отрицательных); единственное условие состоит в том, что отрицательное входное напряжение не должно достигать значения напряжения пробоя (например, для диода типа 1N914 это значение составляет — 70 В). Во всех схемах семейства цифровых логических КМОП-схем используются входные диодные ограничители. Они предохраняют эти чувствительные схемы от разрушения под действием разрядов статического электричества.

Упражнение 1.30. Разработайте схему симметричного ограничителя, задающего диапазон изменения сигнала от —5,6 до +5,6 В.

Эталонное опорное напряжение можно подавать на ограничитель от делителя напряжения (рис. 1.85).

Рис. 1.85.

Если делитель напряжения заменить его эквивалентной схемой, то исходная схема преобразуется к виду, представленному на рис. 1.86.

Рис. 1.86.

Анализируя преобразованную схему, можно заключить, что импеданс со стороны выхода делителя напряжения (Rдел) должен быть мал по сравнению с сопротивлением R. Когда диод открыт (входное напряжение превышает напряжения ограничения), выходное напряжение совпадает с напряжением, снимаемым с делителя, при этом нижнее плечо делителя представлено эквивалентным сопротивлением (рис. 1.87).

Рис. 1.87.

Следовательно, для указанных параметров схемы выходное напряжение для треугольного входного сигнала будет иметь вид, показанный на рис. 1.88.

Рис. 1.88.

Затруднение здесь возникает в связи с тем, что делитель напряжения не обеспечивает жесткофиксированного значения эталонного напряжения. Хорошо зафиксированный опорный эталонный сигнал не «плывет», а это значит, что источник такого напряжения обладает небольшим импедансом (имеется в виду эквивалентный импеданс).

На рис. 1.85 показан простой способ, с помощью которого можно «зафиксировать» схему ограничителя по крайней мере для высокочастотных сигналов — для этого к резистору 1 кОм нужно подключить шунтирующий конденсатор.

Например, конденсатор емкостью 15 мкФ с одним заземленным выводом на частотах выше 1 кГц уменьшает импеданс со стороны входа делителя до значения ниже 10 Ом. (Аналогично можно подключить конденсатор к Д1, как показано на рис. 1.82). Само собой разумеется, эффективность этого приема тем ниже, чем ниже частота, а для постоянного тока этот прием просто бесполезен.

На практике малое значение импеданса эталонного источника обеспечивается за счет использования транзистора или операционного усилителя. Такой способ, конечно, лучше, чем использование резисторов с очень малым сопротивлением, так как он не приводит к потреблению больших токов и обеспечивает значения импеданса порядка нескольких ом и ниже.

Следует отметить, что известны и другие схемы ограничения, в которых используются операционные усилители. Об этих схемах мы поговорим в гл. 4.

Интересным примером является использование ограничителя для восстановления сигнала по постоянному току в случае емкостной связи по переменному току. Смысл сказанного поясняет рис. 1.89. Подобные приемы необходимо использовать в схемах, входы которых работают аналогично диодам (например, это могут быть транзисторы с заземленным эмиттером), в противном случае при наличии емкостной связи сигнал просто пропадает.

Рис. 1.89.Восстановление сигнала по постоянному току.

Двусторонний ограничитель. Еще один ограничитель показан на рис. 1.90.

Рис. 1.90. Диодный ограничитель.

Эта схема ограничивает «размах» выходного сигнала и делает его равным падению напряжения на диоде, т. е. приблизительно 0,6 В. Может показаться, что это — очень малое значение, но если следующим каскадом схемы является усилитель с большим коэффициентом усиления по напряжению, то входной сигнал для него всегда должен быть немногим больше чем 0 В, иначе усилитель попадет в режим «насыщения» (например, если коэффициент усиления каскада равен 1000, а питающее напряжение составляет ±15 В, то входной сигнал не должен превышать диапазон ±15 мВ). Описанная схема часто используется в качестве защиты на входе усилителя с большим коэффициентом усиления.

Диоды как нелинейные элементы. Мы получим достаточно хорошее приближение, если будем считать, что ток через диод пропорционален экспоненциальной функции от напряжения на нем при данной температуре (точная зависимость между током и напряжением дается в разд. 2.10). В связи с этим диод можно использовать для получения выходного напряжения, пропорционального логарифму тока (рис. 1.91).

Рис. 1.91. Логарифмический преобразователь: идея схемы основана на нелинейной вольт-амперной характеристике диода.

Поскольку напряжение U лишь незначительно отклоняется от значения 0,6 В (под воздействием колебаний входного тока), входной ток можно задавать с помощью резистора при условии, что входное напряжение значительно превышает падение напряжения на диоде (рис. 1.92).

Рис. 1.92.

На практике иногда желательно, чтобы в выходном напряжении присутствовало смещение 0,6 В, обусловленное падением напряжения на диоде. Кроме того, желательно, чтобы схема не реагировала на изменения температуры. Эти требования позволяет удовлетворить метод диодной компенсации (рис. 1.93).

Рис. 1.93. Компенсация падения напряжения на диоде в логарифмическом преобразователе.

Резистор R1 открывает диод Д2 и создает в точке А напряжение, равное —0,6 В. Потенциал точки В близок к потенциалу земли (при этом ток Iвх строго пропорционален напряжению Uвх). Если два одинаковых диода находятся в одинаковых температурных условиях, то напряжения на них полностью компенсируют друг друга, за исключением, конечно, той разницы, которая обусловлена входным током, протекающим через диод Д1 и которая определяет выходное напряжение. Для этой схемы резистор R1 следует выбирать таким, чтобы ток через диод Д2 был значительно больше максимального входного тока. При этом условии диод Д2 будет открыт.

В главе, посвященной операционным усилителям, мы рассмотрим более совершенные схемы логарифмических преобразователей и более точные методы температурной компенсации. Они позволяют обеспечивать высокую точность преобразования - ошибка достигает всего нескольких процентов для шести и более декад изменения входного тока. Но для того, чтобы заняться такими схемами, необходимо сначала изучить характеристики диодов, транзисторов и операционных усилителей. Настоящий раздел служит лишь предисловием к такому изучению.

1.31. Индуктивные нагрузки и диодная защита

Что произойдет, если разомкнуть переключатель, управляющий током через индуктивность? Индуктивность, как известно, характеризуется следующим свойством: U = L(dI/dt), а из этого следует, что ток нельзя выключить моментально, так как при этом на индуктивности появилось бы бесконечное напряжение. На самом деле напряжение на индуктивности резко возрастает и продолжает увеличиваться до тех пор, пока не появится ток. Электронные устройства, которые управляют индуктивными нагрузками, могут не выдержать такого роста напряжения, особенно это относится к компонентам, в которых при некоторых значениях напряжения наступает «пробой». Рассмотрим схему, представленную на рис. 1.94.

Рис. 1.94. Индуктивный «бросок».

В исходном состоянии переключатель замкнут и через индуктивность (в качестве которой может выступать, например, обмотка реле) протекает ток. Когда переключатель разомкнут, индуктивность «стремится» обеспечить ток между точками А и В, протекающий в том же направлении, что и при замкнутом переключателе. Это значит, что потенциал точки В становится более положительным, чем потенциал точки А. В нашем случае разница потенциалов может достичь 1000 В, прежде чем в переключателе возникнет электрическая дуга, которая и замкнет цепь. При этом укорачивается срок службы переключателя и возникают импульсные наводки, которые могут оказывать влияние на работу близлежащих схем. Если представить себе, что в качестве переключателя используется транзистор, то срок службы такого переключателя не укорачивается, а просто становится равным нулю!

Чтобы избежать подобных неприятностей лучше всего подключить к индуктивности диод, как показано на рис. 1.95.

Рис. 1.95. Блокирование индуктивного броска.

Когда переключатель замкнут, диод смещен в обратном направлении (за счет падения напряжения постоянного тока на обмотке катушки индуктивности). При размыкании переключателя диод открывается и потенциал контакта переключателя становится выше потенциала положительного питающего напряжения на величину падения напряжения на диоде. Диод нужно подобрать так, чтобы он выдерживал начальный ток, равный току, протекающему в установившемся режиме через индуктивность; подойдет, например диод типа 1N4004.

Единственным недостатком описанной схемы является то, что она затягивает затухание тока, протекающего через катушку, так как скорость изменения этого тока пропорциональна напряжению на индуктивности. В тех случаях, когда ток должен затухать быстро (например, быстродействующие контактные печатающие устройства, быстродействующие реле и т. д.), лучший результат можно получить, если к катушке индуктивности подключить резистор, подобрав его так, чтобы величина Uи + IR не превышала максимального допустимого напряжения на переключателе. (Самое быстрое затухание для данного максимального напряжения можно получить, если подключить к индуктивности зенеровский диод, который обеспечивает затухание по линейному, а не по экспоненциальному закону.)

Диодную защиту нельзя использовать для схем переменного тока, содержащих индуктивности (трансформаторы, реле переменного тока), так как диод будет открыт на тех полупериодах сигнала, когда переключатель замкнут. В подобных, случаях рекомендуется использовать так называемую RC-демпфирующую цепочку (рис. 1.96).

Рис. 1.96. RС-«демпфер» для подавления индуктивного броска.

Приведенные на схеме значения R и С являются типовыми для небольших индуктивных нагрузок, подключаемых к силовым линиям переменного тока. Демпфер такого типа следует предусматривать во всех приборах, работающих от напряжений силовых линий переменного тока, так как трансформатор представляет собой индуктивную нагрузку. Для защиты можно также использовать такой элемент, как металлоксидный варистор. Он представляет собой недорогой элемент, похожий по внешнему виду на керамический конденсатор, а по электрическим характеристикам - на двунаправленный зенеровский диод. Его можно использовать в диапазоне напряжений от 10 до 1000 В для значений токов, достигающих тысяч ампер (см. разд. 6.11 и табл. 6.2). Подключение варистора к внешним выводам схемы позволяет не только предотвратить индуктивные наводки на близлежащие приборы, но также погасить большие всплески сигнала, возникающие иногда в силовой линии и представляющие серьезную угрозу для оборудования.

Более 800 000 книг и аудиокниг! 📚

Получи 2 месяца Литрес Подписки в подарок и наслаждайся неограниченным чтением

ПОЛУЧИТЬ ПОДАРОК