Обратная связь и усилители с конечным усилением

В разд. 4.12 мы упомянули, что конечный коэффициент усиления операционного усилителя при разомкнутой цепи обратной связи ограничивает его возможности при использовании в схеме с обратной связью. В частности, коэффициент усиления при замкнутой цепи обратной связи никогда не может стать больше, чем коэффициент усиления при разомкнутой цепи обратной связи, а по мере того как величина коэффициента усиления при разомкнутой цепи обратной связи приближается к величине коэффициента усиления при замкнутой цепи обратной связи, усилитель все дальше отходит по своим характеристикам от идеального.

В этом разделе мы оценим количественные отклонения, и вы сможете заранее определять характеристики усилителя с обратной связью, состоящего из реальных (а не идеальных) компонентов. Это будет полезно и при разработке усилителей с обратной связью на основе только дискретных компонентов (транзисторов); для дискретных усилителей коэффициент усиления при разомкнутой цепи обратной связи обычно намного меньше, чем для операционного усилителя. Их выходной импеданс, например отличен от нуля. Однако если вы будете хорошо разбираться в принципах обратной связи, то это поможет вам получить требуемые характеристики в любой схеме.

4.25. Уравнение для коэффициента усиления

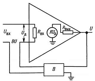
Рассмотрим усилитель, обладающий конечным коэффициентом усиления и охваченный петлей обратной связи, образующей неинвертирующий усилитель (рис. 4.66).

Рис. 4.66.

Коэффициент усиления усилителя при разомкнутой цепи обратной связи равен А, а благодаря обратной связи из входного напряжения вычитается часть выходного (BUвых). В дальнейшем мы обобщим полученные результаты и распространим их и на токи, и на напряжения. Итак, на усилительный блок поступает напряжение, равное Uвх — BUвых. Выходное напряжение больше входного в А раз: A(Uвх — BUвых) = Uвых. Или Uвых = [А/(1 + АВ)]Uвх, и коэффициент усиления по напряжению при замкнутой цепи обратной связи Uвых/Uвх равен

K А/(1 + АВ)

Принята следующая терминология: К — коэффициент усиления при замкнутой цепи обратной связи, A — коэффициент усиления при разомкнутой цепи обратной связи, АВ — коэффициент передачи в петле обратной связи (петлевое усиление), 1 + АВ — глубина обратной связи для дифференциального сигнала, или коэффициент грубости схемы. Цепь обратной связи называют иногда β-цепью (что не имеет никакого отношения к коэффициенту β, т. е. h21Э, транзистора).

4.26. Влияние обратной связи на работу усилителей

Рассмотрим, как влияет обратная связь на работу схемы. Действие обратной связи проявляется прежде всего в том, что можно заранее оценить усиление схемы и уменьшить искажения, а также в том, что изменяются входной и выходной импедансы.

Предварительная оценка усиления. Коэффициент усиления по напряжению равен А/(1 + АВ). Если считать величину коэффициента А бесконечно большой, то получим К = 1/В. Этот результат мы получили раньше, когда рассматривали неинвертирующий усилитель, в котором сигнал обратной связи подавался на инвертирующий вход с помощью делителя напряжения, подключенного к выходу (рис. 4.69).

Коэффициент усиления по напряжению при замкнутой цепи обратной связи представляет собой величину, обратную коэффициенту передачи делителя напряжения. В том случае когда коэффициент А ограничен, обратная связь все равно уменьшает влияние изменений А (происходящих под воздействием частоты, температуры, величины сигнала и т. п.). Допустим, например, что зависимость коэффициента А от частоты можно представить в виде графика, показанного на рис. 4.67.

Рис. 4.67.

Усилитель с такой характеристикой, без всякого сомнения, можно отнести к числу плохих (коэффициент усиления изменяется в 10 раз). Представим, что мы ввели обратную связь и В = 0,1 (подойдет простой делитель напряжения). Коэффициент усиления при замкнутой цепи обратной связи изменяется от 1000/[1 + (1000·0,1)] или 9,9 до 10 000/[1 + (10 000·0,1)], или 9,99. В том же диапазоне частот изменение коэффициента усиления составляет всего 1 %. Если пользоваться терминологией, принятой в технике звуковых частот, то неравномерность характеристики усилителя без обратной связи в полосе частот составляет +10 дБ, а при наличии обратной связи неравномерность характеристики составляет всего ± 0,04 дБ. Если включить последовательно три таких каскада, то коэффициент усиления вновь будет равен 1000, а неравномерность остается почти такой же малой, как у одного каскада с обратной связью. Подобная задача (а именно необходимость получения плоской характеристики телефонного усилителя) привела к изобретению отрицательной обратной связи. Изобретатель Гарольд Блэк писал (журнал Electrical Engineering, 53, 114 (1934)): «Установлено, что если взять усилитель, коэффициент усиления которого больше, чем нужно, скажем на 40 дБ (10 000-кратный запас по мощности), а затем подключить к нему цепь обратной связи таким образом, чтобы погасить избыточное усиление, то оказывается, что постоянство усиления заметно улучшается, а линейность увеличивается».

Если взять производную от G по А (dG/dA), то нетрудно показать, что уменьшение относительных изменений коэффициента усиления при замыкании петли обратной связи определяется величиной коэффициента грубости: ΔК/К = [1/(1 + АВ)]ΔА/А. Следовательно, для получения хорошей характеристики необходимо, чтобы коэффициент петлевого усиления АВ был значительно больше единицы. Это равносильно условию, согласно которому коэффициент усиления при разомкнутой петле обратной связи должен быть намного больше, чем коэффициент усиления при замкнутой петле обратной связи.

Увеличение стабильности сопровождается уменьшением нелинейности, которая определяется изменениями коэффициента усиления в зависимости от уровня сигнала.

Входной импеданс. При построении схемы с обратной связью из входного напряжения или тока вычитается некоторая часть, пропорциональная выходу (такую обратную связь называют соответственно последовательной или параллельной обратной связью). Например, в неинвертирующем ОУ часть выходного напряжения вычитается из дифференциального напряжения, действующего на входе, а в инвертирующем происходит вычитание части входного тока. В этих двух случаях обратная связь противоположным образом влияет на входной импеданс.

Обратная связь со сложением напряжения увеличивает входной импеданс при замкнутой петле обратной связи в (1 + АВ) раз (по сравнению с разомкнутой схемой), в то же время обратная связь со сложением тока уменьшает его во столько же раз. При стремлении коэффициента передачи петли обратной связи к бесконечности входной импеданс (со стороны входа усилителя) стремится к бесконечности или к нулю соответственно. Это и понятно, так как обратная связь со сложением напряжения стремится вычесть из входного такой сигнал, что в результате падение напряжения на входном сопротивлении усилителя будет меньше в АВ раз; это своего рода следящая связь. Обратная связь со сложением тока уменьшает сигнал на входе усилителя, подавляя его током, текущим по цепи обратной связи.

Посмотрим, как обратная связь меняет действующее значение входного импеданса на примере обратной связи со сложением напряжений. Аналогичные рассуждения вы можете провести и для второго случая. Используем модель ОУ с конечным входным сопротивлением (рис. 4.68).

Рис. 4.68.

Входное напряжение Uвх уменьшается на величину ВUвых, и на выходах усилителя действует дифференциальное напряжение UдифUвх ВUвых. Входной ток при этом равен

Отсюда действующее значение входного сопротивления равно

R'вхUвх/Iвх = (1 + AB)Rвх

Классическая схема неинвертирующего ОУ с обратной связью имеет точно такой вид, как показано на рис. 4.69.

Рис. 4.69.

Для этой схемы В = R1/(R1 + R2), коэффициент усиления по напряжению определяется выражением ΚU = 1 + R2/R1, для идеального случая коэффициент усиления по напряжению при разомкнутой цепи обратной связи А равен бесконечности и входной импеданс также равен бесконечности. Для конечного коэффициента передачи в петле обратной связи справедливы выражения, полученные выше.

Схема инвертирующего ОУ отличается от схемы неинвертирующего ОУ и анализировать ее следует отдельно. Лучше всего рассматривать ее как сочетание входного резистора, управляющего схемой с обратной связью со сложением тока (рис. 4.70).

Рис. 4.70.Входной и выходной импедансы усилителя с передаточным сопротивлением, Zвх = R2/(1 + k), Zвых = Ζ(без ОС)/(1 + А) (а); инвертирующего усилителя, Zвх = R1R2/(1 + А), ZвыхΖ(без ОС)/(1 + АB), В = R1/(R1 + R2).

В случае обратной связи со сложением тока (параллельной) на входе усилителя (инвертирующем) суммируются ток из цепи обратной связи и входной ток (такой усилитель является фактически усилителем с передаточным сопротивлением; он преобразует входной ток в выходное напряжение). Обратная связь уменьшает импеданс со стороны «суммирующего входа» R2 в (1 + А) раз (попробуйте это доказать). При очень больших значениях коэффициента передачи в петле обратной связи (например, в ОУ) входной импеданс уменьшается до долей ома, что является хорошей характеристикой для усилителей с токовым входом. В качестве примеров можно привести усилитель фотометра (разд. 4.22) и логарифмический преобразователь (разд. 4.14).

Классический инвертирующий ОУ, показанный на рисунке, представляет собой сочетание усилителя с параллельной обратной связью и резистора, подключенного последовательно ко входу. Входной импеданс в этом случае равен сумме сопротивления R1 и импеданса со стороны суммирующей точки. Для петли с высоким коэффициентом усиления Rвх и R1 приблизительно равны между собой.

Очень кстати сейчас в качестве упражнения вывести выражение для коэффициента усиления по напряжению для инвертирующего усилителя с конечным усилением в петле обратной связи. Выражение имеет вид

q = — A(1 — B)/(1 + AB)

где В определяется как и раньше, а именно ВR1/(R1 + R2). Для предельного значения коэффициента усиления А при разомкнутой цепи обратной связи, G = — 1/В + 1 (т. е. G = — R2/ R1).

Упражнение 4.11. Выведите предыдущие выражения для входного импеданса и коэффициента усиления инвертирующего усилителя.

Выходной импеданс. Обратим теперь внимание на то, что цепь обратной связи передает с выхода на вход сигнал, пропорциональный либо выходному напряжению, либо току нагрузки. В первом случае выходной импеданс при замыкании обратной связи уменьшается в (1 + АВ) раз, а во втором - во столько же раз увеличивается. Рассмотрим это явление на примере напряжения. Начнем с модели, представленной на рис. 4.71.

Рис. 4.71.

На этой схеме выходной импеданс показан в явном виде. Для упрощения вычислений воспользуемся следующим приемом: замкнем вход накоротко и положим, что выходное напряжение равно U; определив выходной ток I, найдем выходной импеданс R'вых = U/I. Напряжение U на выходе создает на входе усилителя падение напряжения, равное — B/U, которое в свою очередь создает во внутреннем генераторе усилителя напряжение — ABU. Выходной ток при этом равен

следовательно, действующий выходной импеданс определяется выражением

R'вых = U/I Rвых/(1 + AB)

Если используется обратная связь по току, т. е. сигнал обратной связи пропорционален току в нагрузке, то выражение для выходного импеданса принимает вид

R'выхRвых(1 + AB)

Можно использовать несколько цепей обратной связи как по току, так и по напряжению. В общем случае выходной импеданс определяется формулой Блэкмана:

R'выхRвых[1+ (AB)к.з./1 + (AB)х.х.]

где (AB)к.з. - коэффициент передачи цепи обратной связи при коротком замыкании выхода; (AB)х.х. — коэффициент передачи цепи обратной связи при обрыве цепи нагрузки (на холостом ходу). Таким образом, с помощью обратной связи можно получить нужный выходной импеданс. Это выражение есть обобщение полученных выше результатов для произвольной комбинации обратных связей по току и по напряжению.

Цепь ОС и нагрузка усилителя. Выполняя расчеты для схем с обратной связью, обычно предполагают, что β-цепь не нагружает выход усилителя. В противном случае это следует учесть при расчете коэффициента усиления при разомкнутой петле обратной связи. Точно так же, если подключение β-цепи на входе усилителя влияет на величину коэффициента усиления без обратной связи (обратная связь устранена, но подключение выполнено), следует использовать модифицированный коэффициент усиления разомкнутой петли обратной связи. И наконец, обычно предполагается, что β-цепь является направленной, т. е. она не передает сигнал со входа на выход.

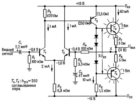
4.27. Два примера транзисторных усилителей с обратной связью

Рассмотрим показанный на рис. 4.72 транзисторный усилитель с отрицательной обратной связью.

Рис. 4.72. Транзисторный усилитель мощности с отрицательной обратной связью.

Описание схемы. На первый взгляд она может показаться сложной, на самом деле в ней нет хитростей и проанализировать ее достаточно легко. Транзисторы Т1 и Т2 образуют дифференциальную пару, а дополнительное усиление ее выходного сигнала обеспечивает усилитель с общим эмиттером на Т3. Резистор R6 — это резистор коллекторной нагрузки Т3, а двухтактный каскад на транзисторах Т4 и Т5 представляет собой выходной эмиттерный повторитель. Выходное напряжение поступает в цепь ОС, которая состоит из делителя напряжения, образованного резисторами R4 и R5 и конденсатором С2, благодаря которому коэффициент усиления схемы с ОС по постоянному току уменьшается до единицы (для стабилизации режима по постоянному току). Резистор R3 определяет ток смещения в дифференциальной паре; наличие петли обратной связи, охватывающей схему, гарантирует, что выходное напряжение покоя равно потенциалу земли, а потому оказывается, что ток покоя Т3 составляет 10 мА (падение напряжения на R6  приблизительно равно UЭЭ). Как уже было показано в разд. 2.14, диоды смещают двухтактный каскад в состояние проводимости, при этом падение напряжения на последовательном соединении резисторов R7 и R8 равно падению напряжения на диоде, т. е. ток покоя выходного повторителя равен 60 мА. Это усилитель класса АВ, в котором за счет потери мощности в 1 Вт, рассеиваемой каждым выходным транзистором, уменьшаются переходные искажения.

С точки зрения рассмотренных ранее схем необычным в этой схеме является только то, что коллекторное напряжение покоя транзистора Т1 меньше напряжения питания UKK всего на величину падения напряжения на диоде. Оно должно быть таким для того, чтобы транзистор Т3 находился в режиме проводимости, а поддерживает это состояние цепь обратной связи. Если, например, коллекторное напряжение транзистора Т1 приблизилось бы к потенциалу земли, то транзистор Т3 начал бы проводить большой ток, при этом увеличилось бы выходное напряжение, а это в свою очередь привело бы к тому, что через транзистор Т2 тоже стал бы протекать большой ток, что вызвало бы уменьшение коллекторного тока в транзисторе Т1 и восстановило бы нарушенный статус-кво. Резистор R2 подобран таким образом, чтобы ток покоя транзистора Т1 создавал на нем падение напряжения, равное падению напряжения на диоде, тогда в точке покоя коллекторные токи в дифференциальной паре будут приблизительно равны между собой. В этой транзисторной схеме входным током смещения пренебречь нельзя (он равен 4 мкА) — на входных резисторах, имеющих сопротивление 100 кОм, он создает падение напряжения, равное 0,4 В. В подобных схемах транзисторных усилителей входные токи значительно больше, чем в операционных усилителях, поэтому особенно важно, чтобы сопротивления по постоянному току со стороны входов были равны (очевидно, что лучше было бы использовать здесь на входе составной транзистор Дарлингтона).

Анализ схемы. Рассмотрим приведенную схему подробно и определим коэффициент усиления, входной и выходной импедансы и величину нелинейных искажений. Для того чтобы можно было оценить влияние обратной связи, определим эти параметры при разомкнутой и замкнутой цепи обратной связи (учитывая, что при разомкнутой цепи обратной связи смещение практически бесполезно). Для того чтобы оценить влияние обратной связи на линейность, определим коэффициент усиления при напряжениях на выходе, равных +10 В, — 10 В, и напряжении, соответствующем точке покоя (0 В).

Цепь ОС разомкнута. Входной импеданс. Разорвем цепь обратной связи в точке X и заземлим правый конец резистора R4. Для входного сигнала сопротивление определяется параллельным соединением сопротивления 100 кОм и сопротивления со стороны базы. Последнее состоит из увеличенных в h21Э раз собственного эмиттерного сопротивления Т1 плюс сопротивление со стороны эмиттера Т2, при определении которого надо учесть, что к базе транзистора Т2 подключена цепь обратной связи. Если h21Э ~= 250, то Zвх ~ = 250[(2·25) + (3,ЗкОм/250)], т. е. Zвх ~ = 16 кОм.

Выходной импеданс. В связи с тем что сопротивление коллектора транзистора Т3 велико, можно считать, что на выходные транзисторы работает источник с сопротивлением 1,5 кОм (R6). Выходной импеданс составляет приблизительно 15 Ом (h21Э ~= 100) плюс эмиттерное сопротивление, равное 5 Ом, итого 20 Ом. Собственным эмиттерным сопротивлением величиной 0,4 Ом можно пренебречь.

Коэффициент усиления. Сопротивление нагрузки дифференциального каскада определяется параллельным соединением R2 и базового сопротивления транзистора Т3. В связи с тем что ток покоя транзистора Т3 составляет 10 мА, его собственное эмиттерное сопротивление равно 2,5 Ом, а входное сопротивление со стороны базы — 250 Ом (h21Э ~= 100). Следовательно, коэффициент усиления дифференциальной пары равен 250 ||620 Ом/2·25 Ом ~= 3,5. Коэффициент усиления по напряжению второго каскада, на транзисторе Т3, равен 1,5 кОм/2,5 Ом = 600. Полный коэффициент усиления по напряжению в точке покоя равен 3,5·600 = 2100. Коэффициент усиления Т3 зависит от величины коллекторного тока, и поэтому он существенно изменяется при изменении сигнала от пика до пика - в этом проявляется нелинейность схемы. В следующем разделе приводятся значения коэффициента усиления для трех значений выходного напряжения.

Цепь ОС замкнута. Входной импеданс. В схеме использована последовательная обратная связь, поэтому входной импеданс увеличивается в (1 + коэффициент передачи петли ОС) раз. Цепь обратной связи представляет собой делитель напряжения с отношением плеч В = 1/30 на частотах сигнала, следовательно, коэффициент усиления в петле обратной связи равен АВ = 70. Следовательно, входной импеданс определяется параллельным соединением сопротивления 70·16 кОм и резистора смещения сопротивлением 100 кОм, т. е. приблизительно 92 кОм. Можно считать, что входной импеданс определяется резистором смещения.

Выходной импеданс. В связи с тем что часть выходного напряжения передается на вход, выходной импеданс уменьшается в (1 + коэффициент усиления петли ОС) раз. Следовательно, выходной импеданс равен 0,3 Ом. Отметим, что это импеданс для малого сигнала. Не следует думать, что полный размах выходного напряжения можно получить на нагрузке с сопротивлением, например 1 Ом. Эмиттерный резистор сопротивлением 5 Ом, присутствующий в выходном каскаде, ограничивает размах большого сигнала. Например, на нагрузке с сопротивлением 4 Ом можно получить размах, равный приблизительно 10 В (от пика до пика).

Коэффициент усиления. Коэффициент усиления равен А/(1 + АВ). В точке покоя он принимает значение 30,84, при этом используется точное значение для В. Для иллюстрации стабильности усиления, обусловленной отрицательной обратной связью, ниже приведены значения полного коэффициента усиления по напряжению для схемы при наличии и в отсутствие обратной связи для трех значений выходного напряжения. Очевидно, что отрицательная обратная связь существенно улучшает характеристики усилителя, но справедливости ради следует отметить, что схему можно было бы разработать и так, чтобы ее характеристики при разомкнутой петле обратной связи были лучше; например в качестве коллекторной нагрузки Т3 можно было бы использовать источник тока, в эмиттерной цепи дифференциальной пары также можно было бы использовать источник тока; это привело бы к уменьшению влияния эмиттерной цепи и т. п. Но если бы схема и была спроектирована хорошо, обратная связь все равно заметно улучшила бы ее характеристики.

Двухкаскадный усилитель с ОС. На рис. 4.73 показан еще один транзисторный усилитель с обратной связью.

Рис. 4.73.

Если рассматривать Τ1 как усилитель, который усиливает падение напряжения между базой и эмиттером (вспомним модель Эберса-Молла), то видно, что обратная связь передает на вход часть выходного напряжения и вычитает его из входного сигнала. В схеме есть небольшая хитрость: дело в том, что коллекторный резистор транзистора Т2 входит еще и в схему обратной связи. Используя описанную выше технику расчета, вы можете показать, что Kразомкн. цепь OC ~= 200.

Коэффициент передачи цепи обратной связи ~= 20,

Zвых (разомкн. цепь ОС) ~= 10 КОМ,

Zвых (замкн. цепь ОС) ~= 500 Ом,

K(замкн. цепь ОС) ~= 9,5.

Более 800 000 книг и аудиокниг! 📚

Получи 2 месяца Литрес Подписки в подарок и наслаждайся неограниченным чтением

ПОЛУЧИТЬ ПОДАРОК