Трехвыводные и четырехвыводные стабилизаторы

6.16. Трехвыводные стабилизаторы

Для большинства не слишком ответственных применений лучше выбрать простой трехвыводной стабилизатор напряжения. Он имеет всего три внешних вывода (вход, выход и земля) и настраивается изготовителем на нужное фиксированное напряжение. Типичные представители стабилизаторов такого рода — серия 7800. Их напряжение указывается в последних двух цифрах (вместо нулей) и может иметь одно из следующих значений: 05, 06, 08, 10, 12, 15, 18, 24. На рис. 6.28 показано, как легко сделать стабилизатор, например на 5 В с применением одной из этих схем.

Рис. 6.28.

Конденсатор, поставленный параллельно выходу, улучшает переходные процессы и удерживает полное выходное сопротивление на низком уровне при высоких частотах (если стабилизатор расположен на значительном расстоянии от конденсатора фильтра, следует применить дополнительный входной конденсатор емкостью по крайней мере 0,33 мкФ). Серия 7800 выпускается в пластмассовых и металлических корпусах, в таких же, как и мощные транзисторы. Маломощный вариант, серия 78L00 также выпускается в пластмассовых и металлических корпусах, в которых выпускаются маломощные транзисторы (табл. 6.8).

Серия 7900 стабилизаторов отрицательных напряжений работает точно так же, но, конечно, с отрицательным входным напряжением. Серия 7800 обеспечивает ток нагрузки до 1 А и снабжена внутренней защитой от повреждений в случае перегрева или чрезмерного тока нагрузки (ИМС не сгорает, а выключается). Кроме того, предусмотрена защита прибора при выходе из области безопасной работы (разд. 6.07) за счет уменьшения предельно возможного вых. тока при увеличении разности входного и выходного напряжений. Такие стабилизаторы дешевы и просты в употреблении; это делает реальным проектирование схем с большим количеством печатных плат, к которым подводится нестабилизированное постоянное напряжение, а отдельный стабилизатор устанавливается на каждой плате.

Трехвыводные стабилизаторы с фиксированным напряжением выпускаются в нескольких очень удобных вариантах. LP2950 работает точно так, как и 7805, но потребляет в установившемся режиме всего лишь 75 мкА (сравните с 5 мА у 7805 или 3 мА у 78L05); кроме того, он не теряет способности стабилизации даже тогда, когда перепад напряжений (нестабилизированного на входе и стабилизированного на выходе) составляет всего лишь 0,4 В (сравните с 2 В перепада напряжений, необходимыми для классической ИМС 7805). У LM2931 также низкий перепад напряжений, но его можно было бы назвать миллимощным (ток покоя 0,4 мА) в сравнении «микромощным» LP2950. Стабилизаторы с низким перепадом напряжения выпускаются также и на большие токи, например, серии LT1085/4/3 фирмы LTC (3 А, 5 А и 7,5 А соответственно, у каждого типа есть ИМС на +5 и +12 В). Такие стабилизаторы, как LM2984, в основе своей трехвыводные с фиксированным напряжением, но с дополнительными выводами для сигнализации микропроцессору о том, что питание пропало и вновь появилось. И наконец, такие ИМС, как 4195, состоят из двух трехвыводных стабилизаторов на 15 В, один на положительное, другой — на отрицательное напряжение. Вскоре мы поговорим об этих специальных стабилизаторах подробнее.

6.17. Трехвыводные регулируемые стабилизаторы

Иногда нам нужно нестандартное стабилизированное напряжение (скажем, +9 В, чтобы заменить таким образом батарею) и мы не можем по этой причине применить фиксированный стабилизатор серии 7800. Или, возможно, вам требуется стандартное напряжение, но устанавливаемое более точно, чем ±3 %, типично предусматриваемые в стабилизаторах с фиксированным напряжением. Но теперь вы уже «подогреты» простотой трехвыводных стабилизаторов и уже не представляете себе, как можно иметь дело со схемами стабилизатора на ИМС 723 со всеми внешними элементами, которые для нее требуются. Что делать? Взять «трехвыводной регулируемый стабилизатор»! В табл. 6.9 перечислены характеристики представительной выборки трехвыводных регулируемых стабилизаторов.

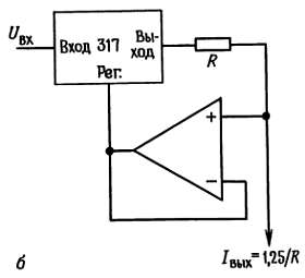
Типичным представителем этих замечательных ИМС является классический LM317 фирмы National. У этого стабилизатора нет вывода на землю; вместо этого у него поддерживается Uвых, такое, что между выходом и этим «регулировочным» выводом всегда было напряжение 1,25 В. На рис. 6.29 показан простейший способ применения этого стабилизатора.

Рис. 6.29. Трехвыводной регулируемый стабилизатор.

Стабилизатор подводит напряжение 1,25 В к резистору R1, поэтому через него течет ток 5 мА. Регулировочный вывод потребляет очень небольшой ток (50-100 мкА), поэтому выходное напряжение равно Uвых = 1,25(1 + R2/R1) В. Но в таком случае выходное напряжение можно регулировать от 1,25 до 25 В. Для тех применений, которые требуют фиксированного выходного напряжения, R2 обычно подстраивается в очень узком диапазоне для увеличения точности подстройки (применяется последовательное соединение фиксированного резистора и подстроечного). Выбирайте сопротивления резистивного делителя достаточно небольшими, чтобы ток через него можно было изменить на 50 мкА, корректируя его с изменением температуры. Поскольку петля коррекции данного стабилизатора — это выходной конденсатор, то здесь должны использоваться большие емкости, чем в других схемах. Требуется по меньшей мере танталовый конденсатор 1 мкФ, однако рекомендуется несколько большая емкость — что-нибудь вроде 6,8 мкФ.

Схема 317 выпускается в разных корпусах: пластмассовых на большую мощность (ТО-220), металлических большой мощности (ТО-3) и в корпусах для маломощных транзисторов (металлический ТО-5 и пластмассовый ТО-92). Схема в корпусе на большую мощность, оснащенная соответствующим радиатором, может отдавать ток до 1,5 А. Поскольку эта схема не имеет непосредственного заземления, ее можно использовать в стабилизаторах высокого напряжения, пока разность входного и выходного напряжения не превосходит максимум 40 В (у высоковольтного варианта LM317HV-60 В).

Упражнение 6.5. Спроектируйте стабилизатор на +5 В на основе схемы 317. Обеспечьте регулировку напряжения в пределах +20 % с помощью подстроенного потенциометра.

Существуют трехвыводные регулируемые стабилизаторы, рассчитанные на более сильные токи, например LM350 (3 А), LM338 (5 А) и LM396 (10 А), а также на более высокие напряжения, например LM317H (60 В) и TL783 (125 В). Внимательно изучите спецификации, прежде чем применять эти устройства, обращая внимание на требования к шунтирующему конденсатору и предложения относительно диода защиты. Как и в случае с трехвыводными стабилизаторами с фиксированным напряжением, имеются варианты схем с малым перепадом напряжений (например, у LT1085 перепад напряжений между входом и выходом составляет 1,3 В при токе 3,5 А) и можно найти микромощные варианты ИМС (например, LP2951 — регулируемый вариант 5-вольтового стабилизатора LP2950 с фиксированным напряжением; оба имеют Iпокоя = 75 мкА). Можно также найти и варианты схем на отрицательное напряжение, хотя их разнообразие меньше: LM337 — аналог (на отрицательное напряжение) схемы LM317 (1,5 A), a LM333 — схемы LM350 (3 А).

Четырехвыводные стабилизаторы. Если условия применения не слишком жесткие, то лучше всего использовать трехвыводные регулируемые стабилизаторы. Исторически они предшествовали четырехвыводным, подключение которых показано на рис. 6.30.

Рис. 6.30.

На «управляющий» вывод подается часть выходного напряжения; стабилизатор регулирует выходное напряжение, поддерживая на управляющем выводе фиксированное напряжение (+3,8 В для стабилизаторов Lambda, указанных в табл. 6.9, +5 В для μΑ79θ и -2,2 В для стабилизаторов отрицательного напряжения). Четырехвыводные стабилизаторы ничем не лучше более простых трехвыводных (но и не хуже), и мы упоминаем здесь о них лишь для полноты картины.

6.18. Дополнительные замечания относительно трехвыводных стабилизаторов

Общие характеристики трех- и четырехвыводных стабилизаторов. Технические данные, приведенные ниже, типичны для большинства трех- и четырехвыводных стабилизаторов, как регулируемых, так и нерегулируемых. Они могут быть полезны при грубой оценке ожидаемых технических характеристик.

Допуск выходного напряжения… 1–2%

Падение напряжения… 0,5–2 В

Максимальное входное напряжение… 35 В (за исключением TL 783, для которого +125 В)

Подавление пульсаций… 0,01-0,1 %

Подавление всплесков… 0,1–0,3 %

Стабилизация по нагрузке… 0,1–0,5 % во всем диапазоне нагрузки

Подавление нестабильности входного напряжения постоянного тока… 0,2 %

Температурная нестабильность… 0,5 % по всему диапазону температур

Увеличение коэффициента подавления пульсаций. На рис. 6.29 показана схема включения стандартного трехвыводного стабилизатора; работает она превосходно. Тем не менее добавление шунтирующего конденсатора 10 мкФ между выводом для регулировки и землей (рис. 6.31) увеличивает подавление пульсаций (всплесков) почти на 15 дБ (в 5 раз по напряжению).

Рис. 6.31. Вывод «per.» для снижения помех и пульсаций можно зашунтировать, подключив для обеспечения безопасности разрядный диод.

Например, коэффициент подавления пульсаций LM317 достигает 65–80 дБ (последнее значение соответствует 0,1 В пульсаций на выходе при подаче на вход напряжения с пульсацией 1 В). Позаботьтесь о включении разрядного диода для безопасности; более детальную схему вы сможете составить, заглянув в технические данные конкретного стабилизатора.

Стабилизаторы с малым падением напряжения. Как мы уже ранее упоминали, для работы большинства стабилизаторов требуется по крайней мере 2-вольтовая «добавка». Это объясняется тем, что база проходного n-р-n-транзистора находится под напряжением, которое выше напряжения на выходе на UБЭ, и должна запускаться от транзистора-формирователя, как правило, другого n-р-n-транзистора, база которого подключена к токовому зеркалу. Это уже два падения UБЭ. Далее, следует допустить еще одно падение UБЭ на резисторе-датчике тока для защиты схемы от короткого замыкания; взгляните на упрощенную схему 78Lxx на рис. 6, 32, а. Три падения UБЭ добавляются к 2 В, ниже этого напряжения стабилизатор перестает работать на полном токе.

С помощью проходного р-п-р-транзистора (или n-канального МОП-транзистора) «перепад» напряжения можно снизить, избавившись от трех UБЭ в обычной n-р-n-схеме и довести его почти до напряжения насыщения транзистора. На рис. 6.32, б показана упрощенная схема LM330 нерегулируемого стабилизатора +5 В (150 мА) с малым «перепадом» напряжения.

Рис. 6.32. Упрощенная схема 78Lxx (а); упрощенная схема LM330 (с низким перепадом) (б).

С помощью проходного р-п-р-транзистора выход схемы можно установить в пределах напряжения насыщения нестабилизированного входного напряжения. Исключив падение UБЭ на паре Дарлингтона в n-р-n-стабилизаторе, разработчики не собираются тратить падение на диоде в обычной (последовательный резистор) схеме защиты от короткого замыкания. Они пользуются хитроумным приемом: выводят часть выходного тока через второй коллектор. Этот ток составляет фиксированную долю выходного тока и используется, как показано на рисунке, для отключения управления базой. Такая схема ограничения тока не отличается точностью (Iогр составляет 150 мА мин. и 700 мА макс), но она достаточно эффективна для защиты стабилизаторов, которые имеют, помимо того, внутреннюю тепловую защиту.

Выпускается большое число распространенных типов стабилизаторов с малым «перепадом» напряжения, например трехвыводные нерегулируемые (LM2931, LM330, LT1083/4/5 (5 и 12 В), TL750), трехвыводные регулируемые (LT1083/4/5, LM2931) и микромощные (LP2950/1, МАХ664, LT1020). В табл. 6.8 и 6.9 включены все стабилизаторы с малым «перепадом», выпускаемые промышленностью на момент подготовки этого издания.

Стабилизаторы, ориентированные на процессоры. Для работы электронных устройств, содержащих микропроцессоры (гл. 10, 11), необходимо нечто большее, чем простое стабилизированное напряжение. Для того чтобы сохранить содержимое энергозависимой памяти (и данные, необходимые для восстановления работы), следует предусмотреть отдельный слаботочный источник постоянного напряжения; он может понадобиться при отключении устройства или в связи с выходом из строя источника питания. Кроме того, эти устройства должны «знать», когда обычный источник питания работоспособен, с тем, чтобы «проснуться» в известном состоянии. Более того, микропроцессорным устройствам может понадобиться несколько миллисекунд перед окончательным выходом из строя обычного источника для того, чтобы успеть передать данные в «безопасную» память.

До недавнего времени вы должны были сами проектировать для этих целей дополнительные схемы. Теперь жизнь стала легче — вы можете приобрести ИС стабилизаторов, ориентированные на (микро) — процессоры, с различными сочетаниями встроенных функций. Иногда эти ИС проходят под наименованием «ИС-наблюдатели для источников питания» или «сторожевые» ИС. Существует, например, LM2984, которая имеет два сильноточных выхода +5 В (один — для микропроцессора, другой — для остальных схем), слаботочный выход +5 В (для памяти) и выход отсроченного флажка ПЕРЕЗАПУСК для инициализации вашего микропроцессора после восстановления питания и вход управления включением/выключением для сильноточных выходов. Кроме того, у нее есть вход, который следит за работой микропроцессора, восстанавливая работу процессора, если тот был вынужден остановиться.

Примером сторожевой ИС без стабилизатора может служить МАХ691 фирмы Maxim, которая следит за стабилизированным напряжением питания и работой микропроцессора и посылает сигналы сброса (и «прерывание») в микропроцессор точно также, как LM2984. Однако в дополнение к функциям LM2984, она содержит схему предупреждения об отказе источника питания и схему переключения на батарейное питание. В сочетании с обычным стабилизатором +5 В ИС МАХ691 делает все, что необходимо для обеспечения жизнеспособности микропроцессора. В гл. 10 и 11 мы поближе познакомимся с обслуживанием и питанием микропроцессоров.

Микромощные стабилизаторы. Как мы уже упоминали, большинство ИС стабилизаторов потребляют несколько миллиампер тока покоя для питания источников эталонного напряжения и усилителей ошибки. Если устройство работает от сети переменного тока, то это не страшно; для батарейных устройств, работающих от 9-вольтовых щелочных аккумуляторов емкостью 400 мА·ч, это нежелательно, и совсем недопустимо для микромощных приборов, которые должны работать тысячи часов, допустим, от одной батареи.

Выход из положения — это микромощные стабилизаторы. Самыми «скупыми» из них являются ICL7663/4, положительный и отрицательный регулируемые стабилизаторы с токами покоя 4 мкА. При таком токе 9-вольтовая батарея может существовать 100 000 часов (более 10 лет), что превышает срок сохранности (время саморазряда) любой батареи, за исключением некоторых литиевых батарей. Более полно о микромощных схемах мы расскажем в гл. 14.

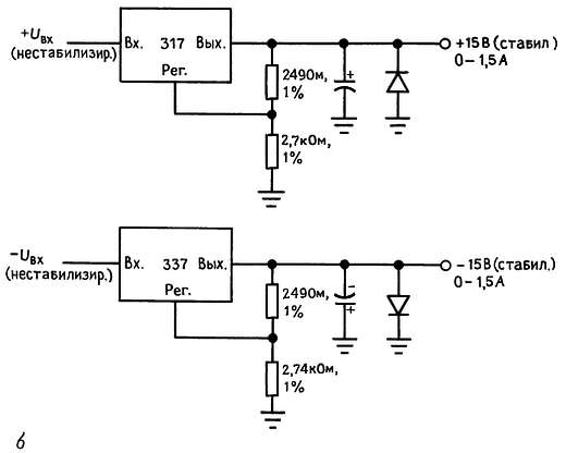
Двухполярные стабилизированные источники питания. Большинство описанных в гл. 4 схем операционных усилителей работали от симметричных биполярных источников питания, обычно ±15 В. Это общее требование в аналоговой схемотехнике, где приходится работать с сигналами, как правило, вблизи уровня земли, и самым простым способом формирования симметричного расщепленного питания является использование пары трехвыводных стабилизаторов. Для того чтобы сформировать, например, стабилизированные напряжения ±15 В, вы можете использовать ИС 7815 и 7915 (рис. 6.33, а). Мы предпочитаем использовать регулируемые трехвыводные стабилизаторы потому, что а) на каждую полярность и диапазон токов необходимо иметь только один тип и б) в случае необходимости можно точно подстроить напряжение; на рис. 6.33, б приведена схема на ИС 317 и 337.

Рис. 6.33. Двухполярные стабилизированные источники питания.

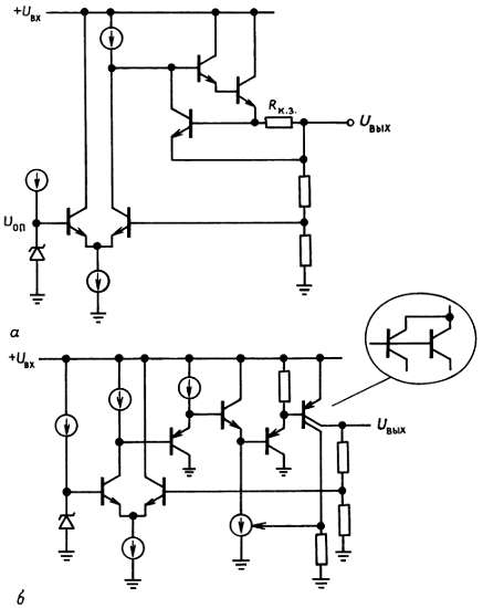
Сдвоенные стабилизаторы. Возможно, у вас возникнет вопрос, почему, коль скоро стабилизированные расщепленные источники так необходимы, отсутствуют «сдвоенные трехвыводные стабилизаторы». Больше не удивляйтесь — они есть и известны как «сдвоенные следящие стабилизаторы». Для того чтобы понять, почему они носят такое сложное название, взгляните на рис. 6.34, на котором показана классическая схема сдвоенного стабилизатора.

Рис. 6.34. Двухканальный стабилизатор.

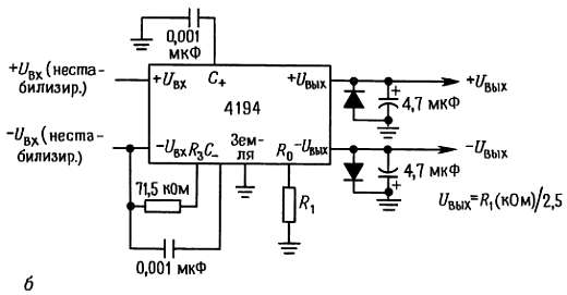
Т1 — проходной транзистор для традиционного положительного стабилизированного источника. Положительный стабилизированный выход используется в качестве опорного напряжения для отрицательного источника. Нижний усилитель ошибки управляет отрицательным выходом, сравнивая среднее значение двух выходных напряжений с уровнем земли и создавая, таким образом, равные положительный и отрицательный стабилизированные выходы 15 В. Схема положительного источника может быть любой из тех, которые мы уже рассматривали; если это регулируемый стабилизатор, то отрицательный выход отслеживает любые изменения положительного стабилизированного выхода. На практике в схему включают токоограничивающие цепи, не показанные для простоты на рисунке. Как и однополярные стабилизаторы, сдвоенные выпускаются в виде полностью интегрированных схем нерегулируемых и регулируемых версий, хотя и в существенно меньшей номенклатуре. В табл. 6.10 перечислено большинство из доступных в настоящее время типов. Типичными являются стабилизаторы 4194 и 4195 фирмы Raytheon, включение которых показано на рис. 6.35.

Рис. 6.35.

4195 — это стабилизатор с заводской подстройкой с выходами +15 В, в то время как симметричные выходы 4194 регулируются с помощью единственного резистора Rx. Оба стабилизатора выпускаются в мощных корпусах и в небольших корпусах DIP; оба содержат схемы отключения по температуре и ограничения по току. Для того чтобы получить большие выходные токи, можно добавить внешние проходные транзисторы (см. ниже).

Многие из предшествующих стабилизаторов можно соединить как сдвоенные стабилизаторы (например, четырехвыводные регулируемые стабилизаторы). В спецификации изготовителя часто рекомендуется схема включения. Идею использования выхода одного источника в качестве опорного для другого источника можно применить даже в том случае, когда напряжения не равны и не противоположны по знаку. Например, коль скоро у вас есть источник стабилизированного напряжения +15 В, вы можете его использовать для того, чтобы сформировать стабилизированный выход +5 В, или даже стабилизированный выход —12 В.

Упражнение 6.6. Используя ИС 4194, спроектируйте стабилизатор на ±12 В.

Защита от включения обратной полярностью. Использование сдвоенных источников требует дополнительной меры предосторожности: при нарушении полярности почти все электронные схемы подвергаются сильным повреждениям. С одним источником это может произойти только при неправильном подключении проводников; иногда для защиты от такой ошибки схему запараллеливают мощным выпрямителем, включенным в обратном направлении. В схемах с несколькими источниками питания (например, с расщепленным питанием) возможны обширные повреждения, если возникает отказ компонента схемы, который приводит к закорачиванию двух источников; довольно распространенный случай — это закорачивание «коллектор-эмиттер» в одном из транзисторов двухтактной пары, работающей от двух источников. При этом два источника оказываются объединенными друг с другом и один из стабилизаторов выходит победителем. Вследствие этого напряжение другого источника меняет полярность и схема начинает «дымиться». Для предупреждения последствий таких отказов между каждым стабилизированным выходом и землей следует включить мощный диод в обратном направлении (например, 1N4004), как это сделано в схеме на рис. 6.33.

Внешние проходные транзисторы. Трехвыводные стабилизаторы с фиксированным напряжением выпускаются на выходные токи 5 А и более, например подстраиваемый 10-амперный LM396. Вместе с тем работа с такими большими токами может оказаться нежелательной, поскольку максимальная рабочая температура для этих кристаллов меньше, чем для мощных транзисторов, что приводит к необходимости использовать мощные радиаторы. Кроме того, они достаточно дороги. Альтернативное решение заключается в использовании внешних проходных транзисторов, которые можно добавить к трех- и четырехвыводным стабилизаторам (и двухканальным стабилизаторам) точно также, как в классическом стабилизаторе 723. Базовая схема показана на рис. 6.36.

Рис. 6.36. Трехвыводной стабилизатор с внешним транзистором для увеличения тока.

При токах менее 100 мА схема работает обычным образом. При больших токах нагрузки падение на R1 открывает транзистор Т1 и реальный ток через трехвыводной стабилизатор ограничивается величиной 100 мА. Трехвыводной стабилизатор поддерживает требуемое значение напряжения на выходе, снижая, как и ранее, входной ток и, следовательно, управляя транзистором Т1 при увеличении выходного напряжения, и наоборот. Он даже не знает, что нагрузка потребляет больше 100 мА! В этой схеме входное напряжение должно превышать выходное на величину перепада 78xx (2 В) плюс UБЭ.

На практике эту схему следует несколько модифицировать для того, чтобы обеспечить ограничение по току для Т1, который в противном случае может отдавать ток в h21Э раз превышающий максимальный внутренний ток стабилизатора, т. е. 20 А и более! Этого вполне достаточно для разрушения транзистора Т1, как и той несчастной нагрузки, которая в это время была подключена. Два способа ограничения тока показаны на рис. 6.37.

Рис. 6.37. Токоограничивающая схема для усилителя на внешнем транзисторе.

Транзистор Т2 в обеих схемах является сильноточным проходным транзистором, а резистор между его эмиттером и базой выбран таким образом, чтобы транзистор открывался при токе нагрузки 100 мА. В первой схеме транзистор Т1 реагирует на ток нагрузки за счет падения напряжения на R3 и ограничивает запуск транзистора Т2, если это падение превышает падение на диоде. Схема имеет два недостатка: входное напряжение должно теперь превышать стабилизированное выходное на падение напряжения на трехвыводном стабилизаторе плюс падение на двух диодах для токов нагрузки вблизи максимального тока. Кроме того, транзистор Т1 должен выдерживать большие токи (до максимального тока стабилизатора), так как из-за малого сопротивления резистора в базе Т1 трудно реализовать ограничивающую схему с обратным наклоном характеристики.

Во второй схеме эти недостатки устранены за счет некоторого усложнения. В сильноточных стабилизаторах для уменьшения мощности рассеяния до приемлемого уровня важно добиться малого перепада напряжений. Чтобы получить в последней схеме характеристику с обратным наклоном, можно просто подключить базу Т1 к делителю между коллектором и землей, а не к коллектору Т2.

К регулируемым трех- и четырехвыводным стабилизаторам внешние проходные транзисторы подключаются точно также. Детали можно понять, заглянув в спецификации изготовителей.

Источник тока. Из трехвыводного регулируемого стабилизатора можно легко сделать мощный источник постоянного тока. На рис. 6.38 показан такой источник на 1 А. Добавление повторителя на операционном усилителе, как это сделано на второй схеме, может понадобиться в том случае, если схема используется для формирования малых токов, поскольку вход «регулировка» вносит в выходной ток ошибку порядка 50 мкА. Как и для ранее описанных стабилизаторов, здесь имеется внутреннее ограничение по току, защита от тепловой перегрузки и защита от выхода за пределы области безопасной работы.

Рис. 6.38. Источники тока на операционном усилителе.

Упражнение 6.7. Спроектируйте регулируемый источник тока на диапазон токов от 10 мкА до 1 мА, используя схему 317. Каков будет диапазон напряжений на выходе, если Uвх = +15 В? Перепад напряжения примите равным 2 В.

Заметьте, что источник тока на рис. 6.38, а является двухвыводным элементом. Следовательно, нагрузку можно подключить с любой стороны. На рисунке показано, как можно осуществить отвод тока от нагрузки, подключенной к земле (разумеется, вы всегда можете использовать схему 337 с отрицательной полярностью, включив ее так же, как показано на рис. 6.38, а). Фирма National выпускает специальный трехвыводной прибор LM334, предназначенный для использования в качестве маломощного источника тока. Он поступает в небольшом пластмассовом транзисторном корпусе (ТО-92), а также в стандартном корпусе DIP. Вы можете использовать его любым способом до нижней границы тока 1 мкА, поскольку ток регулирования является лишь малой долей общего тока. Этот элемент имеет, однако, одну особенность: выходной ток зависит от температуры, даже точно пропорционален абсолютной температуре. Так что, хотя он и не самый стабильный источник тока в мире, вы можете использовать его в качестве температурного датчика (разд. 15.01)!

6.19. Импульсные стабилизаторы и преобразователи постоянного тока

Все схемы стабилизаторов напряжения, которые до сих пор рассматривались, работают одинаково: последовательно нестабилизированному напряжению постоянного тока включается линейный управляющий элемент (проходной транзистор) с обратной связью, которая поддерживает на постоянном уровне выходное напряжение (или, может быть, постоянный ток). Выходное напряжение всегда ниже нестабилизированного входного напряжения и на управляющем элементе рассеивается некоторая мощность (или точнее, среднее значение Iвых(Uвх - Uвых))· Небольшая вариация этой темы - параллельный стабилизатор, в котором управляющий элемент включается не последовательно с нагрузкой, а между выходом и землей; при мер — простой резистор плюс стабилитрон.

Существует другой способ генерации стабилизированного напряжения постоянного тока, принципиально отличный от того, что мы видели до сих пор; взгляните на рис. 6.39.

Рис. 6.39. Два вида стабилизаторов: а — линейный (последовательный), б — повышающий импульсный.

В таком импульсном стабилизаторе транзистор, работающий в режиме насыщенного ключа, периодически на короткое время прикладывает к катушке индуктивности полное нестабилизированное напряжение. Ток катушки появляется на каждом импульсе, запасая энергию 1/2LI2 в ее магнитном поле; запасенная энергия передается на конденсатор вых. сглажив. фильтра (чтобы поддержать напряжение и ток в нагрузке на выходе между импульсами заряда). Как и в линейных стабилизаторах, выход по обратной связи сравнивается с эталонным напряжением, но в импульсных стабилизаторах управление выходом осуществляется за счет изменения длительности импульсов генератора или частоты переключения, а не за счет линейного управления базой или затвором.

Импульсные стабилизаторы обладают необычными свойствами, которые делают их очень популярными: так как управляющий элемент либо выключен, либо насыщен, рассеивается очень маленькая мощность; таким образом, импульсные стабилизаторы чрезвычайно эффективны даже при большом падении от входа до выхода. «Импульсники» (слэнг для «импульсные источники питания») могут генерировать выходное напряжение, превышающее нестабилизированное входное напряжение (рис. 6.39, б); они позволяют также довольно просто генерировать напряжение противоположной полярности! Наконец, импульсники можно сделать без цепи постоянного тока между входом и выходом; это означает, что они могут работать прямо от шины питания с выпрямленным напряжением без сетевого трансформатора! В результате получается очень маленький, легкий и эффективный источник постоянного тока. По этим причинам импульсные источники питания используются почти во всех компьютерах.

Импульсные источники питания имеют и свои проблемы. Выход по постоянному току содержит некоторый «шум» переключения, который может попадать в шину питания. Как правило, у них скверная репутация в отношении надежности — при катастрофическом отказе иногда возникают зрелищные пиротехнические эффекты. Однако большинство этих проблем решаются, и в настоящее время импульсные источники прочно обосновываются в электронных приборах и компьютерах.

В этом разделе мы в два этапа расскажем все об импульсных источниках питания. Сначала мы опишем базовый импульсный стабилизатор, работающий от традиционного нестабилизированного источника постоянного тока. Существуют три схемы, используемые для а) понижения (выходное напряжение меньше входного), б) повышения (выходное напряжение больше входного) и инвертирования (полярность выходного напряжения противоположна полярности входного) напряжения. Затем мы сделаем радикальный шаг — опишем «еретические» (и наиболее широко используемые) схемы, работающие прямо от шины питания с выпрямленным напряжением без изолирующего трансформатора. Оба вида источников питания сейчас широко используются, поэтому наш подход достаточно практичен (правда, не совсем педагогичен). В заключение мы дадим массу советов: когда использовать «импульсники», когда следует избегать их; когда проектировать свои собственные и когда покупать их. Короче говоря, мы постараемся развеять все ваши сомнения.

Понижающий стабилизатор. На рис. 6.40 показана основная понижающая импульсная схема; обратная связь для простоты не показана.

Рис. 6.40. Понижающий импульсный источник питания.

Если МОП-ключ замкнут, то к индуктивности прикладывается напряжение Uвых—Uвх, которое вызывает появление линейно увеличивающегося тока (вспомним dI/dt = U/L) в индуктивности. (Этот ток течет, конечно, к нагрузке и конденсатору). Когда ключ открывается, ток индуктивности продолжает протекать в том же направлении (вспомните, что индуктивности не могут сразу же изменить свой ток, как это следует из последнего уравнения) теперь уже через ограничивающий диод. Выходной конденсатор работает как энергетический «маховик», сглаживая неизбежно возникающие пилообразные пульсации (чем больше емкость конденсатора, тем меньше пульсации). Ток индуктивности выделяет на ней напряжение Uвых—0,6U, при этом ток начинает линейно убывать. Соответствующие формы тока и напряжения показаны на рис. 6.41.

Рис. 6.41.

Для того чтобы завершить схему и придать ей вид стабилизатора, вы должны, конечно, добавить обратную связь, которая будет управлять либо длительностью импульсов (при постоянной частоте повторения), либо частотой повторения (при постоянной длительности импульсов) по выходу усилителя ошибки, сравнивающего выходное напряжение с эталонным.

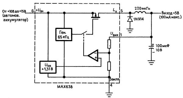
На рис. 6.42 показан слаботочный стабилизатор +5 В на базе схемы МАХ638 фирмы Maxim. Этот превосходный кристалл предлагает вам на выбор либо фиксированный выход +5 В (без внешнего делителя), либо регулируемый положительный выход с внешним резистивным делителем. Почти все компоненты стабилизатора умещаются в традиционном корпусе мини-DIP. Генератор в МАХ638 работает на постоянной частоте 65 кГц, причем усилитель ошибки либо подключает, либо отключает импульсы управления затвором в соответствии с выходным напряжением. КПД схемы составляет примерно 85 % и почти не зависит от входного напряжения. Сравните это с линейными стабилизаторами, решив следующие задачи.

Рис. 6.42. Маломощный импульсный стабилизатор на +5 В.

Упражнение 6.8. Каков максимальный теоретический КПД линейного (последовательного проходного) стабилизатора при использовании его для генерации стабилизированного напряжения +5 В по нестабилизированному входу +12 В?

Упражнение 6.9. Что можно сказать об отношении выходного тока к входному для понижающего импульсного стабилизатора с высоким КПД? Каково это отношение токов для линейного стабилизатора?

Повышающий стабилизатор; инвертирующий стабилизатор. За исключением высокого КПД понижающий импульсный стабилизатор, рассмотренный в предыдущем параграфе, не имеет существенных преимуществ (только существенные недостатки — число компонент, шум переключения) перед линейным стабилизатором. Однако импульсные источники становятся по-настоящему весьма притягательными, когда необходимо, чтобы выходное напряжение было больше входного нестабилизированного или когда полярность выходного напряжения должна быть обратной полярности входного нестабилизированного. На рис. 6.43 показаны основные схемы повышения (или «подъема») и инвертирования напряжения.

Рис. 6.43. Две схемы переключающего элемента: а — повышающая; б — инвертирующая.

Повышающую схему мы уже показывали на рис. 6.39, а для сравнения с линейным стабилизатором. Когда ключ замкнут (точка x вблизи земли), ток в индуктивности возрастает; когда ключ разомкнут, напряжение в точке x быстро возрастает, поскольку индуктивность пытается сохранить величину тока. Диод открывается и индуктивность «накачивает» ток в конденсатор. Выходное напряжение может быть много больше входного.

Упражнение 6.10. Изобразите формы колебаний для повышающего «импульсника», показав напряжение в точке х, ток в индуктивности и выходное напряжение.

Упражнение 6.11. Почему повышающую схему нельзя использовать как понижающий стабилизатор?

Инвертирующая схема показана на рис. 6.43, б. Когда ключ замкнут, от точки x к земле протекает линейно возрастающий ток. Для того чтобы сохранить ток при размыкании ключа, индуктивность «тянет» точку в отрицательную область настолько, насколько это необходимо для сохранения тока. Однако ток теперь втекает в индуктивность через сглаживающий конденсатор. Выход, таким образом, будет отрицательным, а его среднее значение будет больше или меньше величины входного напряжения (что определяется обратной связью); другими словами, инвертирующий стабилизатор может быть как повышающим, так и понижающим.

Упражнение 6.12. Изобразите формы колебаний для инвертирующего импульсного источника, показав напряжение в точке х, ток в индуктивности и выходное напряжение.

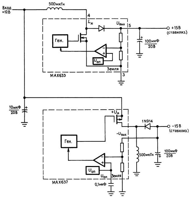
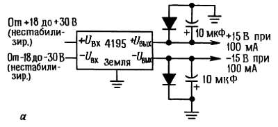
На рис. 6.44 показано, каким образом можно использовать маломощные импульсные стабилизаторы для получения напряжений +15 В от одного автомобильного аккумулятора +12 В; с линейными стабилизаторами такой прием не пройдет. Здесь мы вновь использовали маломощную ИС с фиксированным выходом фирмы Maxim, в данном случае повышающий стабилизатор МАХ633 и инвертирующий стабилизатор МАХ637.

Рис. 6.44. Двухполярный импульсный источник питания.

Показанные на рисунке внешние компоненты были выбраны в соответствии со спецификациями изготовителя. Они не очень критичны, но, как это всегда бывает в электронных схемах, существуют компромиссы. Например, чем больше величина индуктивности, тем меньше пиковые токи и выше КПД, но за счет максимально допустимого выходного тока. До тех пор пока входное напряжение не превышает выходное, схема менее чувствительна к входному напряжению; она будет работать и при +2 В, но максимальный выходной ток существенно понизится.

Перед тем, как оставить тему инвертирующих и повышающих стабилизаторов, мы хотели бы заметить, что существует и другой путь для достижения тех же самых целей, а именно, «переключаемые конденсаторы». Основная идея заключается в том, чтобы использовать МОП-ключи для заряда конденсатора от входа постоянного тока и затем за счет изменения состояния ключей подключения заряженного конденсатора последовательно к другому конденсатору (повышение напряжения) или обратной полярностью к выходу (инвертирование).

Преобразователи напряжения с переключаемыми конденсаторами обладают определенными преимуществами (нет индуктивностей) и некоторыми недостатками (низкая мощность, малые пределы регулирования, ограниченное напряжение). Мы обсудим их несколько позже в этой же главе.

Общие замечания относительно импульсных стабилизаторов. Как мы уже видели, способность импульсных источников повышать и инвертировать напряжение делает их весьма привлекательными для создания, скажем, слаботочных источников питания на +12 В прямо на полностью цифровой во всех других отношениях плате с питанием +5 В. Такие биполярные источники часто необходимы для питания «последовательных портов» (более подробно см. гл. 10 и 11) или линейных схем на операционных усилителях или схем с ЦАП и АЦП. Еще одно полезное применение повышающих импульсных источников — это питание дисплеев, для работы которых необходимо относительно высокое напряжение, например дисплеев, использующих люминесцентную или плазменную технологии. В тех применениях, где входное напряжение постоянного тока (обычно +5 В) уже стабилизировано, вы часто произносите «преобразователь постоянного тока», а не «импульсный стабилизатор», хотя в действительности это одно и то же. Наконец, в оборудовании на батарейном питании вам, как правило, хочется получить высокий КПД во всем диапазоне напряжений батареи; например, 9-вольтовый «транзисторный» щелочной аккумулятор начинает свою жизнь примерно с 9,5 В и постепенно угасает к концу своей полезной жизни до 6 В. Маломощный понижающий стабилизатор на +5 В сохраняет свою высокую эффективность, увеличивая ток, на протяжении всего срока службы батареи.

Следует отметить, что индуктивность и конденсатор в импульсном стабилизаторе не работают как LC-фильтр. Для простого понижающего стабилизатора еще могут быть какие-то сомнения, но, очевидно, что схема, которая инвертирует уровень постоянного тока, едва ли является фильтром! Катушка индуктивности представляет собой запасающее энергию устройство без потерь (запасенная энергия равна 1/2LI2), способное преобразовывать импеданс для того, чтобы сохранить энергию. Это точное определение с физической точки зрения, в котором отражен тот факт, что энергия заключена в магнитном поле. Мы обычно привыкли рассматривать конденсатор как устройство, хранящее энергию (запасенная энергия равна 1/2CU2), которое выполняет свою функцию в импульсных источниках питания, как и в традиционных последовательных стабилизаторах.

Немного терминологии. Вы иногда встречаете словосочетания «импульсный стабилизатор с ШИМ» и «стабилизатор с токовым режимом». Они относятся к конкретному способу изменения импульсных колебаний в соответствии с сигналом обратной связи (сигналом ошибки). В частности, ШИМ означает широтно-импульсную модуляцию, в которой сигнал ошибки используется для управления длительностью импульса (при фиксированной частоте), в то время как при управлении в токовом режиме сигнал ошибки используется для управления пиковым током индуктивности (определяется с помощью резистора) посредством изменения интервала между импульсами. Стабилизаторы в токовом режиме обладают существенными достоинствами и становятся все более популярными в связи с тем, что теперь выпускаются хорошие ИС-контроллеры в токовом режиме.

При рассмотрении любого импульсного источника не забывайте о помехах, создаваемых процессом переключения. Они могут быть трех видов: а) пульсации на выходе на частоте переключения, обычно порядка 10-100 мВ (размах); б) пульсации также на частоте переключения, которые накладываются на напряжение входного источника; в) помехи излучения на частоте переключения и ее гармониках из-за импульсных токов в индуктивности и проводниках. Можно оказаться в весьма трудной ситуации при использовании импульсных источников в схемах с сигналами низкого уровня (скажем, 100 мкА и менее). Хотя тщательное экранирование и фильтрация могут решить все эти проблемы, но лучше, по-видимому, в подобных случаях с самого начала использовать линейные стабилизаторы.

Импульсные источники с питанием от сети. Мы уже упоминали, что импульсные источники обладают высоким КПД, даже если выходное напряжение сильно отличается от входного. Это может помочь нам рассматривать индуктивность как «преобразователь импеданса», поскольку средний постоянный выходной ток может быть больше (при понижении) или меньше (при повышении), чем средний постоянный входной ток. Это полностью противоположно тому, что происходит в линейных последовательных стабилизаторах, где средние значения входного и выходного токов всегда равны (если не учитывать, конечно, тока покоя схемы стабилизатора).

В связи с этим появляется превосходная идея: можно исключить тяжелый понижающий сетевой трансформатор, если стабилизатор подключить прямо к выпрямленному и отфильтрованному напряжению переменного тока. Два промежуточных замечания: а) входное напряжение постоянного тока будет равно примерно 160 В (при сети переменного тока 115 В), т. е. схема будет довольно опасна для того, чтобы в ней копаться! б) отсутствие трансформатора означает, что вход постоянного тока не будет изолирован от сети. Следовательно, импульсную схему следует модифицировать для того, чтобы обеспечить изоляцию.

Обычный способ изолирования импульсной схемы заключается в намотке вторичной обмотки на энергозапасающую индуктивность и использовании изолирующего элемента (либо трансформатора, либо оптоизолятора) для обеспечения обратной связи на импульсный генератор; взгляните на упрощенную схему, показанную на рис. 6.45.

Рис. 6.45. Импульсный источник с питанием от сети переменного тока.

Заметьте, что генератор питается от высоковольтного нестабилизированного постоянного напряжения, в то время как схемы управления обратной связью (усилитель ошибки, эталонный источник) питаются от стабилизированного выходного напряжения. Иногда для питания управляющих элементов используется вспомогательный слаботочный нестабилизированный источник (со своим собственным низковольтным трансформатором на 60 Гц). Квадратик, обозначенный «изоляция», часто представляет собой небольшой импульсный трансформатор, хотя может использоваться и оптическая изоляция (более подробно об этом позже).

Может показаться, что преимущества безтрансформаторного нестабилизированного питания сводятся на нет в связи с необходимостью иметь, по крайней мере, два других трансформатора! Это не так. Размеры трансформатора определяются размерами сердечника, которые резко снижаются на высоких частотах. В результате импульсные источники с питанием от сети намного меньше и легче, чем аналогичные линейные источники; кроме того, благодаря своему высокому КПД они работают в более благоприятном тепловом режиме. Фирма Power-One выпускает, например, оба типа источников питания. Сравнивая ее модель F5-25 (5 В, 25 А) линейного источника со сравнимой по цене моделью SPL130-1005 (5 В, 26 А) импульсного источника, мы обнаруживаем, что импульсный источник весит 2,5 фунта, линейный — 19 фунтов; импульсный занимает всего 1/4 объема линейного. Более того, «импульсник» при работе не нагревается, а 19-фунтовый линейный, рассеивая 75 Вт при полной нагрузке, становится горячим.

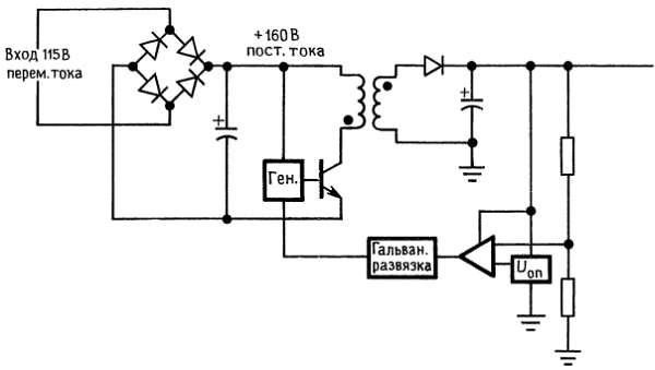
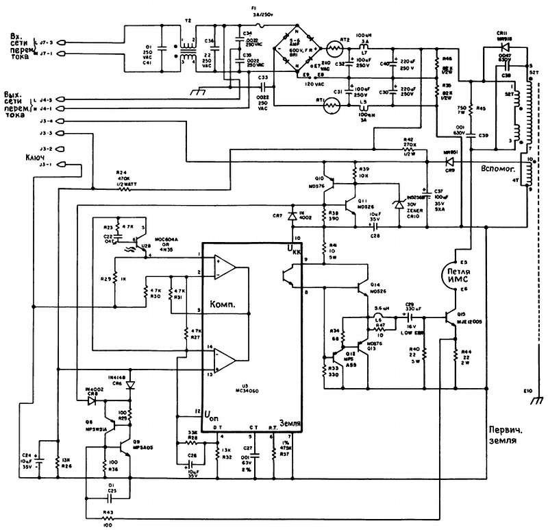
Пример реального импульсного источника. Для того чтобы вы почувствовали реальную сложность импульсных источников с питанием от сети, на рис. 6.46 мы воспроизводим полную схему коммерческого импульсного источника, используемого фирмой Tandy (Radio Shack) в качестве источника питания для своего персонального компьютера модели 2000.

Мы пытались получить схемы от фирм IBM и Apple, но нас либо игнорировали, либо отказывали с явным высокомерием. Фирма Tandy, напротив, публикует превосходную документацию с полными схемами и подробным описанием. Этот источник дает стабилизированные выходные напряжения +5 В при 13 А, +12 В при 2,5 А и -12 В при 0,2 А (всего 95 Вт), которые используются для питания логических схем и накопителей на гибких магнитных дисках компьютера. Пройдемся по схеме рис. 6.46, чтобы посмотреть, как импульсный источник с питанием от сети справляется с реальными задачами. Топология схемы, выбранная проектировщиками фирмы Tandy, точно соответствует тому, что показано на рис. 6.45, хотя и имеет большее число компонентов! Сравните рисунки.

Рис. 6.46. Импульсный источник питания, используемый в персональном компьютере Tandy модель 2000. Обратная связь с выхода +5 В осуществляется через оптрон U2a - U (с разрешения фирмы Tandy Corporation). ВП — верхний порог; НП — нижний порог.

Мостовой выпрямитель (BR1), питающийся от сети, заряжает конденсаторы фильтра С30, C31, С32 и С40 (Тр2 — это не трансформатор, обратите внимание на включение, а фильтр подавления помех). Заряженные конденсаторы подключаются к первичной обмотке трансформатора (выводы 1 и 3) с помощью мощного транзистора Т15, переключающее колебание (прямоугольный импульс переменной длительности фиксированной частоты) для которого вырабатывается ИС U3 (импульсным стабилизатором с ШИМ).

Вторичная обмотка (на самом деле их три, по одной на каждое выходное напряжение) включается в однополупериодную схему выпрямления для выработки напряжения постоянного тока: +12 В вырабатывается с помощью CR2 от 7-витковой обмотки с выводами 11 и 18, —12 В — с помощью СR4 от 5-витковой обмотки с выводами 13 и 20 и +5 В — с помощью запараллеленных CR3 и CR14, причем каждый подключен к своей собственной (2-витковой) обмотке.

В импульсных источниках с несколькими выходами для обратной связи можно использовать только один выход. Для этих целей обычно используют источник питания логики +5 В; так поступили и в данном случае: R10 снимает часть (точнее 50 %) выходного напряжения +5 В, которая сравнивается с внутренним эталонным напряжением +2,5 В на U4, и, если напряжение слишком велико, включается фотодиод U2A. Фотодиод имеет оптическую связь с фототранзистором U2B, который изменяет длительность импульсов U3 и поддерживает выходное напряжение на уровне +5 В. Таким образом, блок, помеченный на рис. 6.45 как «изоляция», представляет собой оптопару (см. разд. 9.10).

До этого момента мы объяснили назначение около 25 % компонентов рис. 6.46. Остальные необходимы для того, чтобы справиться с такими проблемами, как а) защита от короткого замыкания, б) отключение при перенапряжениях и пониженном напряжении, в) вспомогательный источник для схемы стабилизации, г) фильтрация сети переменного тока и д) линейная постстабилизация источников ± 12 В. Объясним эту часть схемы более подробно.

На входе сети переменного тока мы обнаруживаем 4 конденсатора: и пару последовательных индуктивностей, образующих в сочетании фильтр для подавления радиопомех. Это, конечно, всегда полезно очистить сеть переменного тока при подаче ее в устройство (см. разд. 6.11); в данном случае, однако, необходима дополнительная тщательная фильтрация для того, — чтобы радиочастотные помехи, создаваемые внутри машины (главным образом, за счет переключений в источнике питания), не излучались через силовую сеть. Обратите внимание также на перемычку Е8Е9, которая преобразует вход из двухполупериодного моста (перемычка снята) в двухполупериодный удвоитель напряжения (перемычка установлена); изготовители, желающие экспортировать свою электронную продукцию, должны обеспечить совместимость с сетью 110/220 В; это значительно проще сделать в случае импульсных источников.

Термисторы RT1 и RT2 используются для ограничения высокого пускового тока, когда источник включается первый раз и сеть обнаруживает в некоторой точке несколько сотен микрофарад незаряженной емкости. Без термисторов (или без других средств) пусковой ток легко может превысить 100 А! Термисторы дают всего один-два Ома последовательного сопротивления, которое падает почти до нуля, когда они прогреты. Даже при использовании термисторов пусковой ток может быть весьма значительным: источник питания имеет специфицированный «входной экстраток» 70 А макс.

Последовательные индуктивности L5 и L7 величиной 100 мкГн в нестабилизированном источнике также предназначены для фильтрации импульсных помех, а шунтирующие резисторы 82 кОм (R35 и R46) служат для обеспечения полного разряда конденсаторов фильтра после отключения питания. Несколько дополнительных «амортизирующих» пассивных компонентов использованы для демпфирования больших всплесков напряжения, которые могли бы привести к повреждению переключающего транзистора Т15. Функция CR11 более тонкая — он искусно возвращает неиспользованную энергию трансформатора на конденсаторы фильтра С30 и С40.

Двигаясь вниз, мы сталкиваемся с поистине хитроумной схемой, называемой «вспомогательный источник». Для работы ИС контроллера ШИМ и связанных с ним схем требуется низковольтный и слаботочный источник постоянного напряжения. Одной из возможностей является использовать отдельный небольшой линейный источник со своим собственным сетевым трансформатором и т. п.

Соблазнительно, однако, подвесить еще одну обмотку (с однополупериодным выпрямителем) на Т1, избавляясь от отдельного трансформатора. Как раз это и сделал здесь разработчик с помощью 4-витковой обмотки (выводы 9 и 10), напряжение с которой выпрямляется и фильтруется элементами CR9 и С31. Этот простой источник формирует выход с номинальным напряжением 15 В.

Наблюдательный читатель может заметить в этой схеме один изъян: схема не может запустить сама себя, поскольку вспомогательное напряжение появляется только тогда, когда уже работает источник питания! Оказывается, что это старая проблема: разработчики телевизоров любят пошутить таким же образом, формируя все свои низковольтные напряжения от вспомогательных обмоток на высокочастотном трансформаторе горизонтальной развертки. Эта проблема решается с помощью так называемой схемы с ударным запуском, в которой для запуска схемы привлекается некоторое нестабилизированное напряжение; однажды запущенный, источник поддерживает сам себя от постоянного напряжения, полученного от собственного трансформатора. В данной схеме ударный запуск поступает через R42 и при включении питания начинает заряжать С31. Далее ничего не происходит, пока напряжение на конденсаторе не превысит напряжение стабилитрона CR10 на величину прямого падения напряжения диодного p-n-перехода тиристорнообразное сочетание Т10 и Т11 переключается в состояние проводимости (подумайте, как это работает), ослабляя заряд С37 за счет конденсатора С28 и обеспечивая, таким образом, кратковременную подачу питания на управляющую схему (U3 и все компоненты влево от нее). Раз генератор запустился, CR9 начинает вырабатывать напряжение 15 В и ток, достаточный для непрерывной работы управляющей схемы (R42  обеспечить это не в состоянии).

Большинство компонентов вокруг U3 обслуживают ее (С27 и R31, например, устанавливают частоту повторения импульсов 25 кГц). На стороне входа U2B обеспечивает общую обратную связь для поддержания выхода на уровне +5 В, как ранее описано. Т8 и Т9 образуют еще одну тиристорноподобную защелку; здесь она запускается для того, чтобы «заткнуть» генератор (и последовательный фиксирующийся ключ Т10Т11), если ток эмиттера Т15 (считываемый с помощью R44) становится слишком большим, например, если источник питания обнаруживает короткое замыкание на выходе.

Последовательная цепочка R43C25 обеспечивает постоянную времени около 1 мкс, так что схема не будет запускаться от импульсных всплесков. На блокирующую схему поступает также сигнал от делителя R26R24, который подавляет генерацию, если входное переменное напряжение становится ниже 90 В. На выходной стороне U3 транзисторы Т12-Т14 вырабатывают сильноточный двухтактный запуск на базу Т15, используя задействованный в ИС одним выводом n-p-n-транзистор (объясните, как). Обратите внимание на «петлю IС», провод соответствующей длины в коллекторе Т15, которая позволяет наблюдать форму тока на осциллографе, используя зажимной токовый щуп (посмотрите, например, каталог фирмы Tektronix).

На выходной стороне Тр1 все значительно проще. В источнике +5 В используются запараллеленные диоды Шоттки (CR13 и CR14) для обеспечения быстрого восстановления и низкого падения напряжения в режиме прямого тока (MBR 3035 РТ имеет следующие параметры: средний ток 30 А при 20 кГц, напряжение пробоя в режиме обратного тока 35 В, типовое падение напряжения в режиме прямого тока 0,5 В при 10 А) и «амортизирующая цепь» (10 Ом/0,01 мкФ) для защиты диодов от высоковольтных всплесков. Фильтр с π-образными звеньями состоит из входной емкости 8800 мкФ, последовательной индуктивности 3,5 мкГн и выходной емкости 2200 мкФ. (Более слаботочные выходы ± 12 В также используют однополупериодные выпрямители Шоттки, фильтры с π-образными звеньями с меньшими величинами всех компонентов.) По стандартам линейных стабилизаторов такой уровень фильтрации может показаться избыточным, но припомните, что там нет постстабилизации, — то, что выходит из фильтра, — это «стабилизированное постоянное», поэтому требуется более сильная фильтрация для того, чтобы уменьшить пульсацию на выходе, в основном, на частоте переключения, по крайней мере, до 50 мВ.

Выходное напряжение +5 В через делитель R3R10R11 поступает на «трехвыводной Зенер» TL431 (174) фирмы 77, который в сочетании с несколькими резисторами и конденсаторами для нейтрализации обратной связи образует обратную связь с изоляцией через оптрон U2AB.

Выход +5 В снимается также через R18R19 для запуска ИС датчика перенапряжений (U1:Uпорог = +2,5 В); последний запускает управляющий электрод тиристора Т6, который шунтирует источник +12 В и за счет ограничения по току на первичной стороне останавливает работу источника. Способ включения U1 обеспечивает также возможность определения пониженного напряжения по специальной вспомогательной добавке от CR5 и С19; сигнал о понижении напряжения (насыщенный n-p-n-транзистор, подключенный к земле) передается на микропроцессор, предупреждая систему о возможном отказе источника питания, так что программа может осуществить упорядоченный останов без потери данных.

Для улучшения стабилизации источников ±12 В разработчики использовали несколько хитроумных приемов, без которых эти источники полностью зависели бы от источника +5 В. Для источника +12 В они использовали выход +5 В в качестве эталонного напряжения для усилителя ошибки Т2, который управляет магнитным усилителем. Последний содержит насыщающийся реактор с добавкой противодействующего «сбросового тока» через Т1. Сбросовый ток определяет, сколько вольт-секунд будет блокировать индуктивность до достижения состояния магнитного насыщения, в котором она работает как превосходный проводник. Магнитный усилитель заслуживает своего названия, поскольку небольшой ток управления изменяет большой выходной ток. Контроллеры для магнитных усилителей выпускаются в виде полностью интегрированных схем, например UC3838 фирмы Unitrode.

Для слаботочного источника —12 В разработчики выбрали самое простое решение, использовав линейный постстабилизатор типа 7912 с диодами для защиты от обратного включения. На всех выходах постоянного тока разработчики включили конденсаторы развязки и резисторы для обеспечения небольшого тока на выходе. На схеме этого источника можно увидеть большую часть тех узлов, которые редко упоминаются в учебниках, но которые, на самом деле, очень существенны.

Применение дополнительных компонентов в этой схеме щедро вознаграждается гарантией надежной работы источника в условиях пользователя. Хотя может показаться, что эти дополнительные хлопоты являются результатом излишней скрупулезности, на самом деле это твердая экономическая политика, — каждый отказ у пользователя при наличии гарантий стоит изготовителю, по крайней мере, сотню долларов на перевозку плюс стоимость ремонта, не говоря уж об опороченной репутации.

Общие замечания относительно импульсных источников с питанием от сети.

1. Импульсные источники с питанием от сети (их называют иногда «автономными» импульсными источниками, но нам не нравится это название) — это превосходные мощные источники питания. Благодаря высокому КПД при работе они не нагреваются, а отсутствие трансформатора низкой частоты делает их более легкими и меньшими по размерам по сравнению с эквивалентными линейными источниками. По этим причинам для обеспечения питания компьютеров, даже настольных персональных компьютеров, используют исключительно импульсные источники с питанием от сети. Они также находят применение и в других портативных приборах, даже в таких чувствительных к помехам устройствах, как осциллографы.

2. Импульсные источники шумят! Выходные напряжения содержат десятки милливольт пульсаций переключения, они подбрасывают в сеть «мусор», их вопли можно даже услышать! Одно из средств борьбы против пульсаций на выходе, если они доставляют беспокойство, — это добавить внешний сильноточный LC-фильтр нижних частот; другой способ - добавить линейный постстабилизатор с низким падением. Некоторые преобразователи постоянного тока содержат эти средства, кроме того, они полностью экранированы и имеют усиленную фильтрацию входа.

3. Выпускаются и получили широкое распространение импульсные источники на несколько выходов. Однако отдельные выходы формируются с помощью дополнительных обмоток на общем трансформаторе. Как правило, обратная связь снимается с выхода с наибольшим током (обычно с выхода +5 В), а это означает, что остальные выходы стабилизируются не очень хорошо. В спецификации указывается обычно «кросс-стабилизация», которая показывает, например, насколько меняется напряжение на выходе +12 В при изменении нагрузки на выходе +5 В от 75 % полной нагрузки до 50 % или 100 % полной нагрузки; типовое значение кросс-стабилизации составляет 5 %. В некоторых многовыходных импульсных источниках добиваются превосходной стабилизации, используя на вспомогательных выходах линейные пост-стабилизаторы, но это исключение. Внимательно просматривайте технические данные!

4. Импульсные источники с питанием от сети могут выдвигать требование по минимальному току нагрузки. Если ток нагрузки может упасть ниже минимального, то вы должны добавить некоторую резистивную нагрузку, в противном случае возможно сильное повышение напряжения или появление колебаний. Например, упомянутый выше импульсный источник +5 В, 26 А имеет минимальный ток нагрузки 1,3 А.

5. Будьте внимательны при работе от импульсного источника с питанием от сети. Многие компоненты находятся под напряжением сети и несут смертельную опасность. Нельзя подключать заземление щупа осциллографа к схеме.

6. Когда вы впервые включаете питание, сеть переменного тока обнаруживает большой незаряженный электролитический конденсатор фильтра (разумеется, через диодный мост). Последующий «пусковой» ток может оказаться просто огромным; для нашего источника фирмы Power-One он составляет 17 А макс, (сравните с входным током при полной нагрузке 1,6 А). Коммерческие «импульсники» для того, чтобы удержать пусковой ток в «цивилизованных» границах, используют различные приемы «мягкого пуска». Одним из таких приемов является включение последовательно с входом резистора с отрицательным ТКС (низкоомного термистора); другой способ — быстро отключить небольшой (10 Ом) последовательный резистор после включения источника.

7. Импульсные источники содержат обычно схему отключения при перенапряжениях, аналогичную нашей шунтирующей тиристорной схеме. Часто это простая схема на стабилитроне, которая останавливает генератор, если постоянное напряжение на выходе превышает определенную величину. Можно придумать такие виды отказов, при которых такие «шунты» не будут ничего шунтировать. Для максимальной безопасности вы, возможно, захотите использовать автономные внешние шунтирующие схемы на тиристорах.

8. Импульсные источники имеют обычно скверную репутацию относительно надежности, но последние схемы, как будто, намного лучше. Тем не менее, когда они решают взорваться, они делают это с большой помпой! Один из них у нас взорвался, изрытая все свои внутренности, как и внутренности невинных электронных свидетелей.

9. Импульсные источники с питанием от сети, на самом деле, сложны и хитроумны с точки зрения надежности. Необходимы специальные индуктивности и трансформаторы. Наш совет, откажитесь от их проектирования, покупайте то, что вам нужно! В конце концов, зачем создавать то, что можно купить?

10. Импульсные источники являются особенной нагрузкой для питающей сети. В частности, увеличение сетевого напряжения приводит к снижению среднего тока, поскольку источник работает при постоянном КПД, т. е. он является нагрузкой с отрицательным сопротивлением (усредненным на периоде 60 Гц), а это может привести к совершенно сумасшедшим эффектам. Если в питающей сети есть большая индуктивность, то в системе возможны колебания.

Советы.

Счастье для вас, что мы не стесняемся давать советы. Вот они.

1. Для цифровых систем обычно требуется напряжение +5 В и часто большой ток (10 А и более).

Совет: а) используйте импульсный источник с питанием от сети; б) купите его (если требуется, добавьте фильтр).

2. Аналоговые схемы с сигналами низкого уровня (слабосигнальные усилители, сигналы менее 100 мкВ и т. п.).

Совет: используйте линейные стабилизаторы; импульсные слишком шумны, они испортят вам жизнь. Исключение: для некоторых схем с батарейным питанием, возможно, лучше использовать маломощный импульсный преобразователь постоянного тока.

3. Что-то большой мощности.

Совет: используйте импульсный источник с питанием от сети. Он меньше, легче и холоднее.

4. Высоковольтная, маломощная аппаратура (фотоэлектронные умножители, лампы-вспышки, электронно-оптические преобразователи, плазменные дисплеи).

Совет: используйте маломощный повышающий преобразователь.

В общем случае, маломощные преобразователи постоянного тока легко спроектировать, потребуется всего несколько компонентов типа ИС серии Maxim. Не стесняйтесь делать их собственными руками. В противоположность этому, импульсные источники большой мощности (обычно с питанием от сети) сложны, хитроумны и чрезвычайно беспокойны. Если вам необходимо, спроектировать свой собственный источник, будьте осторожны, проверьте очень тщательно свою схему. А лучше, подавите самолюбие и купите самый лучший импульсный источник, какой вы только сможете найти.

Более 800 000 книг и аудиокниг! 📚

Получи 2 месяца Литрес Подписки в подарок и наслаждайся неограниченным чтением

ПОЛУЧИТЬ ПОДАРОК