Источники опорного напряжения

Необходимость в хорошем источнике опорного напряжения часто возникает во многих схемах. Например, вам нужно построить прецизионный источник стабилизированного питания с лучшими характеристиками, чем у готовых стабилизаторов типа 723 (поскольку интегральные схемы стабилизаторов рассеивают заметную мощность из-за наличия встроенных проходных транзисторов, они могут довольно ощутимо нагреваться с соответствующим дрейфом параметров), или нужно построить прецизионный источник тока (т. е. схему со стабилизированным выходным током). Далее, есть еще одна область, в которой нужны прецизионные источники опорных напряжений (но не прецизионные источники питания), — это проектирование точных вольтметров, омметров или амперметров.

Существуют два вида источников опорного напряжения - стабилитроны и так называемые источники опорного напряжения с шириной запрещенной зоны полупроводника («UБЭ - стабилитроны», см. разд. 6.15); каждый из них может использоваться как сам по себе, так и в составе ИМС источника опорного напряжения.

6.14. Стабилитроны

Простейшим видом источников опорного напряжения является стабилитрон — прибор, который мы рассматривали в разд. 1.06. В сущности это диод, работающий при обратном смещении на участке, соответствующем напряжению пробоя, где ток пробоя очень быстро возрастает при дальнейшем росте напряжения. Чтобы использовать этот диод в качестве источника опорного напряжения, надо обеспечить прохождение через него приблизительно постоянного тока. Обычно это делается с помощью резистора, подключенного к достаточно высокому напряжению, и таким образом строится наиболее примитивный стабилизированный источник.

Стабилитроны выпускаются на целый ряд значений напряжения — от 2 до 200 В (их напряжения имеют тот же набор значений, что и сопротивления стандартных 5 %-ных резисторов), с допустимой мощностью рассеяния от долей ватта до 50 Вт и допуском на напряжение стабилизации от 1 до 20 %. Привлекательные на первый взгляд в качестве опорных источников напряжения для различных целей стабилитроны, однако, не так просты в использовании по многим причинам: они имеют конечный набор значений напряжения, у них большой допуск на напряжение стабилизации (кроме дорогих прецизионных стабилитронов), они сильно шумят и их напряжение зависит от тока и температуры. Вот пример двух последних эффектов: стабилитрон на 27 В из распространенной серии 1N5221 стабилитронов на 500 мВт имеет температурный коэффициент порядка +0,1 %/°С, и в силу этого его напряжение меняется на 1 %, когда ток изменяется от 10 до 50 % от максимального.

Есть исключение из правила о плохих характеристиках стабилитронов. Оказывается, что в окрестности значения напряжения стабилизации 6 В стабилитроны мало чувствительны к изменениям тока и при этом имеют почти нулевой температурный коэффициент. Этот эффект виден на кривых рис. 6.19, полученных путем измерения стабилитронов с разными напряжениями. Это характерное поведение связано с тем, что в стабилитронах в действительности используются два разных механизма пробоя: зенеровский и лавинный; первый — при низком напряжении, второй — при высоком.

Рис. 6.19. Зависимость дифференциального сопротивления стабилитронов (а) и вариаций напряжения стаблизации стабилитронов (б) от номинального напряжения стабилизации

(с разрешения Motorola, Inc.).

Если стабилитрон используется только как стабильный источник напряжения и вам все равно, каково будет это напряжение, то лучше всего взять один из компенсированных опорных стабилитронов, состоящих из стабилитрона приблизительно на 5,6 В и последовательно с ним соединенного диода, смещенного в прямом направлении. Напряжение стабилитрона выбирается так, чтобы взаимно компенсировать положительный температурный коэффициент стабилитрона и отрицательный температурный коэффициент диода, соответствующий около — 2,1 мВ/°С.

Как видно из рис. 6.20, температурный коэффициент зависит от рабочего тока, а также от напряжения стабилитрона. Поэтому, выбирая ток стабилитрона, можно как-то «подстроить» температурный коэффициент. Из таких стабилитронов со встроенными последовательно диодами получаются неплохие источники опорного напряжения. Для примера: серия дешевых стабилитронов на 6,2 В 1N821 имеет температурные коэффициенты от 10-4/°С (1N821) до 5·10-6/°С (1N829), а стабилитроны 1N940 и 1N946 на 9 В и 11,7 В имеют температурный коэффициент 2·10-6/°С.

Рис. 6.20. Зависимость температурного коэффициента напряжения стабилизации стабилитронов от их номинального напряжения

(с разрешения Motorola, Inc.).

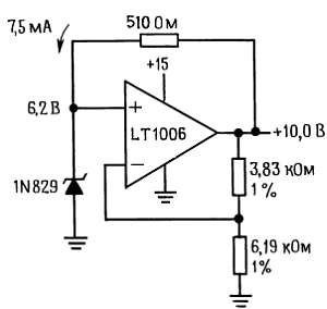
Задание рабочего тока стабилитрона. Описанные выше компенсированные стабилитроны могут использоваться в схемах в качестве источников стабильного напряжения, но надо обеспечить питание их постоянным током. Для серии 1N821 изготовителем указано 6,2 В +5 % при токе 7,5 мА с дифференциальным сопротивлением 15 Ом; таким образом, изменение тока на 1 мА изменяет напряжение в три раза сильнее, чем изменение температуры от -55 до +100 °C (для прибора 1N829). На рис. 6.21 показано, как довольно просто можно обеспечить постоянный ток смещения прецизионного стабилитрона.

Рис. 6.21.

Операционный усилитель включен как неинвертирующий усилитель и имеет на выходе стабильное напряжение, равное +10,0 В, которое используется для получения прецизионного тока 7,5 мА. Это самозапускающаяся схема, но она может включиться с любой полярностью на выходе! При «неправильной» полярности стабилитрон работает как обычный диод с прямым смещением. Включение операционного усилителя от однополярного источника питания снимает эту странную особенность. Прежде чем ставить в схему тот или иной ОУ, убедитесь, что его диапазон синфазных входных сигналов включает в себя потенциал минусовой шины источника питания (ОУ с «однополярным питанием»).

Существуют компенсированные специальные стабилитроны с гарантированной временной стабильностью напряжения; этот параметр, как правило, не указывается. Примеры - серия 1N3501 и 1N4890. Стабилитроны такого типа имеют гарантированную стабильность 5·10-6/1000 ч или еще лучше. Они недешевы. В табл. 6.5 собраны характеристики некоторых стабилитронов и диодных источников опорного напряжения, а в табл. 6.6 — ряд представителей двух популярных серий стабилитронов общего назначения на 500 мВт.

Стабилитронные ИМС. Для достижения свойственных стабилизатору 723 превосходных характеристик (стабильность Uоп 30·10-6 / °С) используется компенсированный стабилитрон. Стабилизатор 723 — вполне приличный источник опорного напряжения, и совместно с необходимыми навесными элементами эта ИМС может использоваться для получения стабильного источника с любым желательным напряжением.

Стабилизатор 723, применяемый в качестве опорного источника напряжения, служит примером «трехвыводного» опорного источника, т. е. источника, для работы которого нужен внешний источник питания; в схему источника входят цепь смещения стабилитрона и буферный усилитель выходного напряжения. К трехвыводным стабилитронным ИМС относятся превосходная LM369 фирмы National (1,5·10-6/°C тип.) и REF10KM фирмы Burr-Brown (температурный коэффициент не более 10-6/°С); в своих схемах мы часто используем недорогую ИМС Motorola MCI404 (которая фактически является UБЭ-стабилитроном, см. ниже). Вскоре мы более подробно рассмотрим трехвыводные источники опорного напряжения, а сейчас обратимся к двухвыводным. Прецизионные температурно-компенсированные стабилитронные ИМС выпускаются в виде двухвыводных устройств: с точки зрения внешних электрических соединений они выглядят просто как стабилитроны, хотя в действительности содержат еще ряд активных элементов для улучшения характеристик (наиболее существенная — постоянство стабилизированного напряжения при заданном токе).

Пример — недорогая схема LM329 с напряжением ~ 6,9 В. В лучшем варианте ее темп, коэффициент равен 6·10-6/°С (тип.), 10-5/°С (макс.) при постоянном токе 1 мА. Перечислим некоторые стабилитронные ИМС с необычными характеристиками: температурно-стабилизированная LM399 (0,3·10-6/°С тип.), микромощная LM385 (которая работает от тока, доходящего до 10 мкА) и выпускаемая фирмой Linear Technology ИМС LTZ1000 с ее потрясающими параметрами: типовой температурный коэффициент 0,05·10-6/°С, дрейф 0,3·10-6/месяц и низкочастотный шум 1,2 мкВ.

К несчастью, стабилитронные ИМС, как и их дискретные аналоги, сильно шумят. Шум становится сильнее для стабилизаторов, использующих лавинный пробой, т. е. с напряжением стабилитрона больше 6 В. На рис. 6.22 показан график шума стабилитронного источника 723.

Рис. 6.22. Зависимость напряжения шумов малошумящего стабилитрона, подобного тому, который используется в стабилизаторе 723, от рабочего тока стабилитрона.

Этот шум связан с поверхностными эффектами и применение стабилитронной структуры с так называемым захороненным (скрытым) или подповерхностным слоем может сильно улучшить стабильность стабилитрона и существенно уменьшить его шум. Так, только что упоминавшийся источник опорного напряжения LTZ1000 на стабилитроне с захороненным слоем - самый совершенный из всех типов источников опорного напряжения. LM369 и REF10KM также имеют очень малый шум. В табл. 6.7 перечислены характеристики почти всех выпускаемых стабилитронных ИМС, как на основе собственно стабилитронов, так и на UБЭ-стабилитронах.

6.15. Источник опорного напряжения на UБЭ-стабилитроне

Недавно стала получать распространение схема, известная под названием «стабилитрон с напряжением запрещенной зоны». Более точно было бы название «UБЭ-стабилитрон». Это легко понять, вспомнив формулу Эберса-Молла для диода. В основе схемы лежит идея генерации напряжения с температурным коэффициентом, положительным и равным по абсолютной величине отрицательному температурному коэффициенту напряжения UБЭ. При сложении этого напряжения с UБЭ получается напряжение с нулевым температурным коэффициентом.

Начнем с рассмотрения токового зеркала с двумя транзисторами, работающими с разной плотностью эмиттерного тока (рис. 6.23), с обычным отношением плотностей тока порядка 10:1.

Рис. 6.23.

Применяя формулу Эберса-Молла, легко показать, что Iвых имеет положительный температурный коэффициент, так как разность напряжений UБЭ для двух транзисторов есть просто (kT/q)lnσ, где σ — отношение плотностей тока (см. график на рис. 2.53). Здесь может возникнуть вопрос: где взять постоянный задающий ток Iупр. Несколько позже мы покажем остроумный способ его получения. Сейчас вам надо только преобразовать этот ток в напряжение с помощью резистора и сложить с нормальным напряжением UБЭ. Такая схема показана на рис. 6.24.

Рис. 6.24. Классическая схема источника опорного напряжения с напряжением запрещенной зоны полупроводника.

Резистор R2 устанавливает величину напряжения, которое складывается с UБЭ и имеет положительный температурный коэффициент. Подбирая должным образом величину R2, получаем нулевой результирующий температурный коэффициент. Оказывается, что температурный коэффициент будет нулевым, если суммарное напряжение равно напряжению запрещенной зоны кремния (при температуре абсолютного нуля), т. е. примерно 1,22 В. Часть схемы, обведенная пунктиром, является стабилитроном. Ее выход используется (через резистор R3) Для создания постоянного тока Iупр, который мы с самого начала считали существующим.

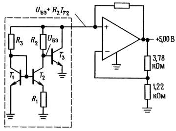
На рис. 6.25 показана другая весьма популярная схема стабилитрона «запрещенной зоны» (заменена обведенная часть схемы рис. 6.24).

Рис. 6.25.

Т1 и Т2 - согласованная пара транзисторов, вынужденная благодаря обратной связи по разности напряжений коллекторов работать при отношении токов коллекторов 10:1. Разность напряжений UБЭ, равная (kT/q)ln 10, делает ток эмиттера Т2 пропорциональным температуре (разность напряжений приложена к резистору R1). Но поскольку коллекторный ток Т1 всегда в 10 раз больше этой величины, он также пропорционален Т. Поэтому суммарный эмиттерный ток пропорционален Τ и создает на резисторе R2 падение напряжения, имеющее положительный температурный коэффициент. Это падение напряжения может быть использовано в качестве выходного сигнала температурного датчика (мы об этом дальше упомянем). В данной схеме напряжение, снимаемое с резистора R2, складывается с напряжением UБЭ транзистора Т1 для получения стабильного опорного напряжения с нулевым температурным коэффициентом на базах транзисторов Т1 и Т2. «Опорные источники запрещенной зоны» существуют в самых разных вариантах, но для них всех характерно сложение напряжения UБЭ с напряжением, созданным парой транзисторов, работающих с некоторым заданным отношением плотностей токов.

ИМС опорных источников с напряжением запрещенной зоны. Примером стабилитрона с напряжением запрещенной зоны является недорогая двухвыводная схема LM385-1.2, имеющая номинальное рабочее напряжение 1,235 В ± 1 % (ее собрат LM385-2.5 имеет встроенную схему для генерации 2,5 В), работоспособную при токах вплоть до столь малых значений как 10 мкА. Это много меньше, чем можно было бы требовать от любого стабилитрона, и это делает данные ИМС прекрасным образом подходящими для микромощных приборов (см. гл. 14). Столь низкое опорное напряжение (1,235 В) часто намного более удобная вещь, чем номинальное рабочее напряжение стабилитронов 5 В (вы можете встретить стабилитроны с номинальным напряжением 3,3 В, однако у них совершенно ужасные характеристики с очень плавным изгибом). Лучшие образцы из ряда LM385 гарантируют температурный коэффициент не хуже 30·10-6/°С и типичное значение динамического сопротивления 1 Ом при токе 100 мкА. Сравним эти величины с теми же параметрами стабилитрона 1N4370 на 2,4 В: температурный коэффициент 800·10-6/°С (тип.), динамическое сопротивление около 3000 Ом при токе 100 мкА, и одновременно при этом же токе «напряжение стабилизации» (определяемое в спецификации как 2,4 В при токе 20 мА) составляет около 1,1В! Когда вам нужно прецизионно стабильное напряжение, эти превосходные ИМС на UБЭ-стабилитроне кладут обычные стабилитроны на лопатки.

Если вы готовы выложить чуть больше денег, то сможете найти опорные источники на UБЭ-стабилитронах с превосходной стабильностью, например такие, как двухвыводной LT1029 или трехвыводной REF-43 (2,5 В, 3·10-6/°C макс). Последний тип, так же как и трехвыводные источники опорного напряжения на стабилитронах, нуждается в источнике питания постоянного тока. В табл. 6.7 перечислены большинство из имеющихся источников опорного напряжения (на стабилитронах и UБЭ-стабилитронах, двух- и трехвыводные).

Одним из интересных источников опорного напряжения является ИМС TL431C. Это недорогой источник опорного напряжения на «программируемом стабилитроне»; его схема включения показана на рис. 6.26. «Стабилитрон» включается, когда управляющее напряжение достигает 2,75 В («стабилитрон» сделан по схеме UБЭ); этот прибор по управляющему входу потребляет ток всего лишь в несколько микроампер и имеет температурный коэффициент выходного напряжения около 10-5/°С. При указанных на схеме значениях параметров на выходе получается стабилизированное напряжение 10 В. Эти приборы выпускаются в двухрядных корпусах мини-DIP и могут работать при токах до 100 мА.

Рис. 6.26.

Температурные датчики, использующие UБЭ. Предсказуемостью изменения UБЭ с температурой можно воспользоваться при создании ИМС для измерения температуры. Например, REF-02 помимо своей основной функции генерирует выходное напряжение, линейно изменяющееся с температурой (см. выше). С помощью простых внешних схем можно получить выходное напряжение, сигнализирующее о температуре ИМС с точностью 1 % во всем «армейском» диапазоне (от -55 до +125 °C). Схема AD590, используемая как чисто температурный датчик, дает точный ток 1 мкА/К. Это двухвыводное устройство; к нему надо приложить напряжение (4-30 В) и можно измерять ток. LM334 также можно применять таким способом. Другие датчики, такие как LM35 и LM335, генерируют на выходе точное напряжение с крутизной +10 мВ/°С. В разд. 15.01 все эти «преобразователи» температуры рассмотрены детально.

Трехвыводные прецизионные источники опорного напряжения. Ранее мы уже отмечали, что возможно создание источников опорного напряжения с отличной температурной стабильностью (до 10-6/°С и даже лучше). Это особенно впечатляет, когда вы видите, что имеющий почтенный возраст элемент Вестона - традиционный, прошедший через века источник опорного напряжения, — имеет температурный коэффициент порядка 4·10-5/°С (см. разд. 15.11). Вот два способа получения таких источников.

1. Температурно-стабилизированные источники опорного напряжения. Хороший подход к получению превосходной температурной стабильности источников опорного напряжения или других схем заключается в обеспечении работы источников опорного напряжения и, возможно, связанных с ними схем при постоянной повышенной температуре. В гл. 15 будут показаны простые приемы осуществления этой идеи (один очевидный способ состоит в организации управления нагревателем с помощью температурного датчика UБЭ).

Таким образом можно добиться сильного уменьшения зависимости характеристик схемы от колебаний внешней температуры. Для прецизионной схемотехники представляет интерес метод помещения хорошо температурно-компенсированного опорного источника в условия постоянной температуры, что значительно улучшает его характеристики.

Подобная техника температурно-стабилизированных или «термостатированных» схем применяется уже много лет, в частности для создания сверхстабильных генераторов. Существуют не слишком дорогие источники питания и опорные источники напряжения, в которых используются термостатированные опорные схемы. Этот метод дает хорошие результаты, но имеет свои недостатки: громоздкость и сравнительно большую потребляемую нагревателем мощность, а также медленный разогрев и выход на режим (обычно 10 или более минут). Эти проблемы легко снять, если стабилизировать температуру на уровне кристалла ИМС (чипа) включением нагревательной схемы вместе с датчиком в состав самой интегральной схемы. Этот подход был впервые опробован в 60-х годах фирмой Fairchild, выпустившей температурно-стабилизированную дифференциальную пару μΑ726 и предусилитель постоянного тока μΑ727.

Позже появились «термостатированные» источники опорных напряжений, такие, как серия National LM199. ИМС этой серии имеют температурный коэффициент (типовое значение) 0,00002 %/°С, или 2·10-7/°С. Такие опорные источники установлены в стандартных транзисторных корпусах ТО-46. Их нагреватели потребляют мощность 0,25 Вт и разогреваются до нужной температуры за 3 с. Пользуясь этими схемами, следует отдавать себе отчет в том, что последующие схемы на операционных усилителях, и даже проволочные прецизионные резисторы с их температурным коэффициентом ±2,5·10-6/°С, могут сильно испортить характеристики, если при проектировании не принять крайних мер предосторожности. В частности, приходится учитывать даже дрейф прецизионных ОУ с очень низким уровнем дрейфа, таких, как ОР-07, с типовым значением дрейфа входного каскада 0,2 мкВ/°С. Эти аспекты проектирования прецизионных схем рассматриваются в гл. 7 в разд. 7.01-7.06.

При использовании LM399 существует одна опасность: чип может выйти из строя, если напряжение питания нагревателя хотя бы на короткий момент времени упадет ниже 7,5 В. Источник опорного напряжения с запрещенной зоной LT1019 хотя и работает в нормальных условиях без подогрева, однако имеет встроенные в кристалл нагреватель и датчик. Поэтому его можно включать так же, как и LM399, получая температурный коэффициент менее 2·10-6/°С. Однако в отличие от LM399 для LT1019 требуется некоторая внешняя схемная обвязка, чтобы получить термостат (ОУ и с полдюжины элементов).

2. Прецизионные источники опорного напряжения без подогрева. Термостатированная LM399 имеет превосходный температурный коэффициент, однако она не демонстрирует чего-либо экстраординарного в отношении таких параметров, как шум или долговременный дрейф (см. табл. 6.7). Кроме того, нагрев этого кристалла занимает несколько секунд и он потребляет большую мощность (4 Вт при включении, 250 мВт после стабилизации). Хитроумные разработчики сделали возможным создание источников опорного напряжения с эквивалентной стабильностью, но без подогрева. ИМС REF10KM и REF101KM фирмы Burr-Brown имеют температурный коэффициент 10-6/°С (макс), они не потребляют мощность для подогрева и у них нет задержки выхода на режим за счет нагрва. Кроме того, долговременный дрейф и шум у них меньше, чем у источников типа LM399. Среди других трехвыводных источников опорного напряжения с температурным коэффициентом не более 10-6/°С — МАХ671 фирмы Maxim и AD2710 или AD2712, выпускаемые фирмой Analog Devices. В двухвыводной конфигурации есть лишь один достойный соперник - это великолепный LTZ1000 фирмы Linear Technology, у которого заявленный температурный коэффициент составляет 0,05·10-6/°С. В спецификации на это устройство указаны также на порядок лучшие характеристики по долговременной стабильности и шуму, чем у любых других источников опорного напряжения любого типа. Для ИМС LTZ1000 требуется хорошая внешняя схема смещения, которую можно построить на ОУ и еще нескольких элементах. Во всех перечисленных высокостабильных источниках опорного напряжения (включая LM399 с подогревом) используются стабилитроны с захороненным слоем, что дополнительно обеспечивает намного меньший шум, чем обычные стабилитроны или UБЭ-стабилитроны (рис. 6.27).

Рис. 6.27. Сравнение напряжения шумов стабилитронов с захороненным слоем (а), стабилитронов с подогревом (б) и источников опорного напряжения на UБЭ-стабилитроне (в). (С разрешения Burr-Brown Corporation).

Сравнение плотности шумов еш (г) и интегрального напряжения шума (д) стабилитронов указанных типов.

Более 800 000 книг и аудиокниг! 📚

Получи 2 месяца Литрес Подписки в подарок и наслаждайся неограниченным чтением

ПОЛУЧИТЬ ПОДАРОК