Некоторые основные транзисторные схемы

2.02. Транзисторный переключатель

Рассмотрим схему, изображенную на рис. 2.3.

Рис. 2.3. Пример транзисторного переключателя.

Эта схема, которая с помощью небольшого управляющего тока может создавать в другой схеме ток значительно большей величины, называется транзисторным переключателем. Его работу помогают понять правила, приведенные в предыдущем разделе. Когда контакт переключателя разомкнут, ток базы отсутствует. Значит, как следует из правила 4, отсутствует и ток коллектора. Лампа не горит.

Когда переключатель замкнут, напряжение на базе составляет 0,6 В (диод база-эмиттер открыт). Падение напряжения на резисторе базы составляет 9,4 В, следовательно, ток базы равен 9,4 мА. Если, не подумав, воспользоваться правилом 4, то можно получить неправильный результат: IK = 940 мА (для типичного значения β = 100). В чем же ошибка?

Дело в том, что правило 4 действует лишь в том случае, если соблюдено правило 1; если ток коллектора достиг 100 мА, то падение напряжения на лампе составляет 10 В. Для того чтобы ток был еще больше, нужно чтобы потенциал коллектора был меньше потенциала земли. Но транзистор не может перейти в такое состояние. Когда потенциал коллектора приближается к потенциалу земли, транзистор переходит в режим насыщения (типичные значения напряжения насыщения лежат в диапазоне 0,05-0,2 В, см. приложение Ж) и изменение потенциала коллектора прекращается. В нашем случае лампа загорается, когда падение напряжения на ней составляет 10 В. Если на базу подается избыточный сигнал (мы использовали ток 9,4 мА, хотя достаточно было бы иметь 1,0 мА), то схема не тратит этот избыток; в нашем случае это очень выгодно, так как через лампу протекает большой ток, когда она находится в холодном состоянии (сопротивление лампы в холодном состоянии в 5-10 раз меньше, чем при протекании рабочего тока). Кроме того, при небольших напряжениях между коллектором и базой уменьшается коэффициент β, а значит, для того чтобы перевести транзистор в режим насыщения, нужен дополнительный ток базы (см. приложение Ж). Иногда к базе подключают резистор (с сопротивлением, например, 10 кОм), для того чтобы при разомкнутом переключателе потенциал базы наверняка был равен потенциалу земли. Этот резистор не влияет на работу схемы при замкнутом переключателе, так как через него протекает лишь малая доля тока (0,06 мА).

При разработке транзисторных переключателей вам пригодятся следующие рекомендации:

1. Сопротивление резистора в цепи базы лучше брать поменьше, тогда избыточный базовый ток будет больше. Эта рекомендация особенно полезна для схем, управляющих включением ламп; так как при низком значении UКЭ уменьшается и коэффициент β. О ней следует помнить и при разработке быстродействующих переключателей, так как на очень высоких частотах (порядка мегагерц) проявляются емкостные эффекты и уменьшается значение коэффициента β. Для увеличения быстродействия к базовому резистору параллельно подключают конденсатор.

2. Если потенциал нагрузки по какой-либо причине меньше потенциала земли (например, если на нагрузке действует напряжение переменного тока или она индуктивна), то параллельно коллекторному переходу следует подключить диод (можно также использовать диод, включенный в обратном направлении по отношению к положительному потенциалу питания), тогда цепь коллектор-база не будет проводить ток при отрицательном напряжении на нагрузке.

3. При использовании индуктивных нагрузок транзистор следует предохранять с помощью диода, подключенного к нагрузке, как показано на рис. 2.4.

Рис. 2.4. При подключении индуктивной нагрузки следует всегда использовать подавляющий диод.

Если переключатель разомкнут, то в отсутствие диода на коллекторе будет действовать большое положительное напряжение, скорее всего превышающее значение напряжения пробоя для цепи коллектор-эмиттер. Это связано с тем, что индуктивность стремится сохранить ток включенного состояния, протекающий от источника UKK к коллектору (вспомните свойства индуктивностей в разд. 1.31).

Транзисторные переключатели позволяют производить переключение очень быстро, время переключения измеряется обычно долями микросекунд. С их помощью можно переключать несколько схем одним управляющим сигналом. Еще одно достоинство транзисторных переключателей состоит в том, что они дают возможность производить дистанционное «холодное» переключение, при котором на переключатели поступают только управляющие сигналы постоянного тока. (Если «гонять» сами переключаемые мощные сигналы, то при передаче их по кабелям могут возникать емкостные выбросы, а сигналы могут сильно ослабляться).

Транзистор в образе человека. Рис. 2.5 дает представление о некоторых ограничениях, свойственных транзистору.

Рис. 2.5. «Транзисторный человек» следит за током базы и регулирует выходной реостат для того, чтобы выходной ток был в h21Э больше тока базы.

Представим себе, что задача человека на рис. 2.5 состоит в том, чтобы обеспечивать выполнение соотношения IK = h21ЭIБ; при этом он может управлять только переменным резистором. Итак, он может создать короткое замыкание в схеме (режим насыщения), или разомкнуть ее (транзистор в выключенном состоянии), или создать какое-то промежуточное состояние; он не имеет права использовать батареи, источники тока и т. п. Не следует, однако, думать, что коллектор транзистора на самом деле похож на резистор. Это не так. Человек старается сделать так, чтобы через него все время протекал постоянный неизменный ток (величина этого тока зависит от приложенного к базе напряжения).

Следует помнить, что в любой заданный момент времени транзистор может:

а) быть в режиме отсечки, т. е. выключиться (отсутствует ток коллектора);

б) находиться в активном режиме (небольшой ток коллектора, напряжение на коллекторе выше, чем на эмиттере);

в) перейти в режим насыщения (напряжение на коллекторе приблизительно равно напряжению на эмиттере).

Более подробно режим насыщения транзистора описан в приложении Ж.

2.03. Эмиттерный повторитель

На рис. 2.6 показан эмиттерный повторитель. Он назван так потому, что выходной сигнал снимается с эмиттера, напряжение на котором равно напряжению на входе (на базе) минус падение напряжения на диоде (на переходе база-эмиттер): UЭ = UБ — 0,6 В. Выходной сигнал по форме повторяет входной, но уровень его напряжения на 0,6–0,7 В ниже. Для приведенной схемы входное напряжение Uвх должно составлять по крайней мере 0,6 В, иначе выходное напряжение будет равно потенциалу земли. Если к эмиттерному резистору подключить источник отрицательного напряжения, то входной сигнал может быть отрицательным.

Рис. 2.6. Эмиттерный повторитель.

Обратите внимание, что в эмиттерном повторителе отсутствует резистор в коллекторной цепи.

На первый взгляд эта схема может показаться бесполезной, но дело в том, что ее входной импеданс значительно больше, чем выходной. Из этого следует, что источник входного сигнала будет отдавать меньшую мощность, если нагрузку подключить к нему не непосредственно, а через эмиттерный повторитель.

Поэтому обладающий внутренним импедансом источник (имеется в виду его эквивалентная схема) может через повторитель работать на нагрузку, которая обладает сравнимым или даже более низким импедансом, без потери амплитуды сигнала (эта потеря неизбежна при прямом включении из-за эффекта делителя напряжения). Иными словами, эмиттерный повторитель обеспечивает усиление по току, хотя и не дает усиления по напряжению. Он также обеспечивает усиление по мощности. Как видите, усиление по напряжению — это еще не все!

Импеданс источника и нагрузки. Последнее замечание очень важно, поэтому задержим на нем свое внимание, прежде чем приступить к вычислениям, связанным со свойствами эмиттерных повторителей. При анализе электронных схем всегда стремятся связать выходную величину с какой-либо входной, как например на рис. 2.7.

Рис. 2.7. Представим «нагрузку» схемы как делитель напряжения.

В качестве источника сигнала может выступать выход усилительного каскада (с эквивалентным последовательным импедансом Zвых), к которому подключен еще один каскад или нагрузка (обладающая входным импедансом Zвх). Вообще говоря, нагрузочный эффект следующего каскада проявляется в ослаблении сигнала, о чем шла речь ранее в разд. 1.05. В связи с этим обычно стремятся к тому, чтобы выполнялось условие Zвых << Zвх (практическое правило рекомендует использовать коэффициент 10, что на самом деле весьма удобно).

В некоторых случаях вполне можно пренебречь этим общим требованием для обеспечения стабильности источника по отношению к нагрузке. В частности, если нагрузка подключена всегда (например, входит в состав схемы) и если она представляет собой известную и постоянную величину Zвх, то нет ничего опасного в том, что она «нагружает» источник. Тем не менее, хуже не будет, если уровень сигнала не изменяется при подключении нагрузки. Кроме того, если Zвх изменяется при изменении уровня сигнала, то стабильный источник (Zвых << Zвх) обеспечивает линейность, а делитель напряжения дает искажение линейной зависимости.

Наконец, в двух случаях условие Zвых << Zвх соблюдать просто нельзя: в радиочастотных схемах импедансы обычно выравнивают (Zвых = Zвх) по причине, которую мы объясним в гл. 14.

Второе исключение относится к случаю, когда передаваемым сигналом является не напряжение, а ток. В этом случае ситуация меняется на противоположную, и нужно стремиться к выполнению условия Zвх << Zвых (для источника тока Zвых = ).

Входной импеданс и импеданс эмиттерного повторителя. Итак, эмиттерный повторитель обладает способностью согласовывать импедансы источников сигналов и нагрузок. В этом и состоит его назначение.

Давайте подсчитаем входной и выходной импеданс эмиттерного повторителя. Предположим, что в приведенной схеме в качестве нагрузки выступает резистор R (на практике иногда так и бывает, в других случаях нагрузку подключают параллельно резистору R, но при параллельном соединении преобладает сопротивление R). Пусть напряжение на базе изменилось на величину ΔUБ; соответствующее напряжение на эмиттере составит ΔUЭ = ΔUБ. Определим изменение тока эмиттера: ΔUэ = ΔUб/R, равное ΔIб = [1/(h21Э + 1)]ΔIэ = ΔUб/R(h21э + 1) (с учетом того, что Iэ = Iк + Iб). Входное сопротивление схемы равно ΔUб/ΔIэ, следовательно,

rвх = (h21э + 1)R.

Коэффициент β(h21э) обычно имеет значение около 100, поэтому подключение нагрузки с небольшим импедансом приводит к тому, что импеданс со стороны базы становится очень большим; с такой нагрузкой схеме легко работать.

В выполненном только что преобразовании, как и в гл. 1, мы использовали для обозначения некоторых величин строчные буквы, например h21э, тем самым мы указали, что имеем дело с приращениями (малыми сигналами). Чаще всего нас интересует изменение напряжения (или тока) в схеме, а не постоянные значения (или значения по постоянному току) этих величин. Очень часто эти изменения малых сигналов и представляют собой реальный сигнал, например в усилителе звуковых частот, который имеет устойчивое «смещение» по постоянному току (см. разд. 2.05). Различие между коэффициентом усиления по постоянному току (h21э) и коэффициентом усиления по току для малого сигнала h21Э не всегда очевидно, и для того, и для другого случая используют понятие коэффициента усиления β.

Если учесть, что h21Э ~= h21э (за исключением очень высоких частот) и в большинстве случаев интерес представляет не точное, а приблизительное значение этого коэффициента, то использование коэффициента β вполне допустимо. В полученном соотношении фигурируют активные сопротивления, однако его можно обобщить и распространить на комплексные импедансы, если переменные ΔUб,ΔIэ и др. заменить их комплексными представлениями. В результате получим правило преобразования импедансов для эмиттерного повторителя:

Zвх = (h21э + 1)Zнагр.

Проделав аналогичные преобразования, найдем выходной импеданс эмиттерного повторителя Zвых (импеданс со стороны эмиттера) при использовании источника сигнала с внутренним импедансом Zист:

Zвых = Zист/(h21э + 1).

Строго говоря, в выходной импеданс схемы надо включить и сопротивление параллельного резистора R, но Zвых (импеданс со стороны эмиттера) играет основную роль.

Упражнение 2.1. Покажите, что приведенное выше соотношение справедливо. Подсказка: найдите изменение выходного тока при фиксированном напряжении источника и заданном изменении выходного напряжения. Учтите, что напряжение источника подается на базу через его последовательно включенное внутреннее сопротивление.

Благодаря таким полезным свойствам эмиттерные повторители находят широкое практическое применение, например при создании внутри схем (или на их выходе) источников сигналов с низким импедансом, при получении стабильных эталонных напряжений на основе эталонных источников с высоким импедансом (сформированных, скажем, с помощью делителей напряжения) и для изоляции источников сигналов от влияния последующих каскадов.

Упражнение 2.2. На основе эмиттерного повторителя, к базе которого подключен делитель напряжения, создайте схему источника напряжения +5 В при условии, что используется стабилизированный источник напряжения питания +15 В. Ток нагрузки (максимальный) равен 25 мА. Сопротивление резисторов следует выбрать так, чтобы при подключении полной нагрузки напряжение на выходе изменялось не более чем на 5 %.

Некоторые замечания по поводу эмиттерных повторителей. 1. Отметим (разд. 2.01, правило 4), что транзистор n-р-n-типа в эмиттерном повторителе может только отдавать ток. Например, для схемы, показанной на рис. 2.8, выходное напряжение в положительной полуплоскости изменяется в пределах напряжения насыщения транзистора Uкк (что составляет +9,9 В), в отрицательной полуплоскости оно ограничено значением —5 В. Это связано с тем, что при увеличении отрицательного напряжения на входе транзистор в определенный момент просто выключается, напряжение на входе составляет при этом —4,4 В, а не выходе —5 В.

Рис. 2.8. Из эмиттерного повторителя n-р-n-типа может вытекать большой ток, который будет протекать через транзистор, втекать же может ограниченное количество тока и лишь через эмиттерный резистор.

Дальнейшее увеличение отрицательного напряжения на входе приводит лишь к обратному смещению перехода база-эмиттер, но на выходе это никак не проявляется. Выходной сигнал для входного синусоидального напряжения с амплитудой 10 В показан на рис. 2.9.

Рис. 2.9. Эмиттерный повторитель n-р-n-типа как схема формирования асимметричного токового сигнала.

Можно также рассматривать поведение эмиттерного повторителя, исходя из того, что он обладает небольшим выходным импедансом для малого сигнала (динамический импеданс). Его выходной импеданс для большого сигнала может быть значительно больше (равен RЭ). Изменение импеданса от первого значения ко второму происходит в тот момент, когда транзистор выходит из активного режима (в нашем примере при напряжении на выходе —5 В). Иначе говоря, небольшой выходной импеданс для малого сигнала не означает, еще, что схема может создавать большой сигнал на низкоомной нагрузке. Если схема имеет небольшой выходной импеданс для малого сигнала, то из этого не следует, что она обладает способностью передавать в нагрузку большой ток.

Для того чтобы преодолеть ограничение, присущее схеме эмиттерного повторителя, можно, например, в эмиттерной цепи использовать резистор с меньшим сопротивлением (тогда на резисторе и транзисторе будет рассеиваться большая мощность), или использовать двухтактную схему, в которой два транзистора (n-р-n-типа и р-n-р-типа) взаимно дополняют друг друга (разд. 2.15).

Проблемы такого рода возникают также в тех случаях, когда нагрузка эмиттерного повторителя имеет внутри собственный источник напряжения или тока. Примером такой схемы служит стабилизированный источник питания (на выходе которого стоит обычно эмиттерный повторитель), работающий на схему, содержащую собственный источник питания.

2. Не забывайте, что напряжение пробоя перехода база-эмиттер для кремниевых транзисторов невелико и часто составляет всего 6 В. Входные сигналы, имеющие достаточно большую амплитуду для того, чтобы вывести транзистор из состояния проводимости, могут вызвать пробой перехода (и последующее уменьшение значения коэффициента h21э)· Для предохранения от пробоя можно использовать диод (рис. 2.10).

Рис. 2.10. Диод предохраняет переход база-эмиттер от пробоя.

3. Коэффициент усиления по напряжению для эмиттерного повторителя имеет значение чуть меньше 1,0, так как падение напряжения на переходе база-эмиттер фактически не является постоянным, а немного зависит от коллекторного тока. Далее в этой главе мы вернемся к этому вопросу, когда будем рассматривать уравнение Эберса-Молла.

2.04. Использование эмиттерных повторителей в качестве стабилизаторов напряжения

Простейшим стабилизатором напряжения служит обычный зенеровский диод-стабилитрон (рис. 2.11).

Рис. 2.11. Простой стабилизатор напряжения на основе зенеровского диода.

Через него должен протекать некоторый ток, поэтому нужно обеспечить выполнение следующего условия:

(UвхUвых)/R = Iвых (макс)

Так как напряжение Uвх не стабилизировано, то в формулу нужно поставить наименьшее возможное значение Uвх. Это пример того, как следует проектировать схему для жестких условий работы. На практике учитывают также допуски на параметры компонентов, предельные значения напряжения в сети и т. п., стремясь предусмотреть наихудшее возможное сочетание всех значений.

На стабилитроне рассеивается мощность:

Pстаб = [(UвхUвых)/RIвых]Uвых

Для того чтобы предусмотреть работу в жестких условиях, при расчете Рстаб также следует использовать значения Uвх (макс), R (мин.) и Iвых (мин.).

 Упражнение 2.3. Разработайте стабилизированный источник напряжения +10 В для токов нагрузки величиной от 0 до 100 мА; входное напряжение изменяется в пределах от 20 до 25 Β. В любых условиях (в том числе и в самых жестких) через стабилитрон должен протекать ток 10 мА. На какую предельную мощность должен быть рассчитан стабилитрон?

Стабилизированный источник с зенеровским диодом, как правило, используют в некритичных схемах или в схемах, где потребляемый ток невелик.

Ограничения такой схемы проявляются в следующем:

1. Напряжение Uвых нельзя отрегулировать или установить на заданное значение.

2. Стабилитроны имеют конечное динамическое сопротивление, а в связи с этим они не всегда достаточно сильно сглаживают пульсации входного напряжения и влияние изменения нагрузки.

3. При широком диапазоне изменения токов нагрузки приходится выбирать стабилитрон с большой мощностью рассеяния, так как при малом токе нагрузки он должен рассеять на себе значительную мощность, равную максимальной мощности в нагрузке.

На рис. 2.12 представлена улучшенная схема, в которой зенеровский диод отделен от нагрузки эмиттерным повторителем. В такой схеме дела обстоят лучше.

Рис. 2.12. Стабилитрон в сочетании с повторителем обеспечивает увеличение выходного тока.

Ток стабилитрона теперь относительно независим от тока нагрузки, так как по цепи базы транзистора протекает небольшой ток и мощность, рассеиваемая на стабилитроне, значительно меньше (уменьшение в h21Э раз). Резистор Rк можно добавить в схему для того, чтобы он предохранил транзистор от выхода из строя при кратковременном коротком замыкании выхода за счет ограничения тока, и, хотя эмиттерный повторитель нормально работает и без этого резистора, его присутствие в схеме вполне обоснованно. Резистор Rк следует выбирать так, чтобы при максимальном токе нагрузки падение напряжения на нем было меньше, чем на резисторе R.

Упражнение 2.4. Разработайте источник напряжения +10 В, который имел бы такие же параметры, как источник в упражнении 2.3. Используйте в схеме стабилитрон и эмиттерный повторитель. Рассчитайте, какую мощность рассеивают транзистор и стабилитрон в наихудшем случае. Каково процентное изменение тока стабилитрона при переходе от ненагруженного состояния к нагруженному? Сравните эти результаты с результатами предыдущего упражнения.

В ряде вариантов рассмотренной схемы предусматривают меры для снижения пульсаций тока в стабилитроне (протекающего через резистор R). В частности, может быть использован источник тока для питания стабилитрона. Этот случай мы рассмотрим в разд. 2.06. Другой метод основан на использовании в цепи питания стабилитрона фильтра низких частот (рис. 2.13).

Рис. 2.13. Снижение пульсаций в стабилитроне.

Резистор R выбирают так, чтобы обеспечить необходимый ток в стабилитроне. Конденсатор С должен иметь емкость, достаточно большую для того, чтобы выполнялось условие RC >> 1/f. (В одном из вариантов этой схемы верхний резистор заменен диодом). В дальнейшем вы познакомитесь с более совершенными стабилизаторами, в которых выходное напряжение можно легко и плавно настраивать благодаря обратной связи. Вместе с тем они представляют собой гораздо лучшие источники напряжения, выходные импедансы которых измеряются в миллиомах, температурные коэффициенты - в миллионных долях на °С и т. д.

2.05. Смещение в эмиттерном повторителе

Если на эмиттерный повторитель должен поступать сигнал с предшествующего каскада схемы, то лучше всего подключить его непосредственно к выходу предыдущего каскада, как показано на рис. 2.14.

Рис. 2.14.

Так как сигнал на коллекторе транзистора Т1 изменяется в пределах диапазона, ограниченного значениями напряжения источников питания, то потенциал базы Т2 всегда заключен между напряжением UKK и потенциалом земли, а следовательно, Т2 находится в активной области (не насыщен и не в отсечке). При этом переход база-эмиттер открыт, а потенциал коллектора, по крайней мере на несколько десятых долей вольта больше, чем потенциал эмиттера. В некоторых случаях вход эмиттерного повторителя и напряжение питания неудачно соотносятся друг с другом, и тогда может возникнуть необходимость в емкостной связи (или связи по переменному току) с внешним источником сигнала (например, это относится к сигнальному входу высококачественного усилителя низкой звуковой частоты). В этом случае среднее напряжение сигнала равно нулю, и непосредственная связь с эмиттерным повторителем приведет к тому, что сигнал на выходе будет изменяться относительно входа, как показано на рис. 2.15.

Рис. 2.15.Транзисторный усилитель с положительным источником питания не может генерировать на выходе импульсы отрицательной полярности.

В эмиттерном повторителе (а фактически в любом транзисторном усилителе) необходимо создать смещение для того, чтобы коллекторный ток протекал в течение полного периода сигнала. Проще всего воспользоваться для этого делителем напряжения (рис. 2.16).

Рис. 2.16. Эмиттерный повторитель со связью по переменному току. Обратите внимание на делитель напряжения в цепи смещения базы.

Резисторы R1 и R2 выбраны так, что в отсутствие входного сигнала потенциал базы равен половине разности между напряжением источника UKK и потенциалом земли, т. е. сопротивления R1 и R2 равны. Процесс выбора рабочих напряжений в схеме в отсутствие поданных на ее вход сигналов называется установкой рабочей точки или точки покоя. Для этой схемы, как и в большинстве случаев, точку покоя устанавливают так, чтобы на выходе формировался максимальный симметричный сигнал (без ограничений или срезов). Какими должны быть при этом сопротивления резисторов R1 и R2? Применяя общий подход (разд. 1.05), допустим, что импеданс источника смещения по постоянному току (импеданс со стороны выхода делителя) мал по сравнению с импедансом нагрузки (импеданс по постоянному току со стороны базы повторителя). Тогда

R1||R2 << h21ЭRЭ

Из этого соотношения следует, что ток, протекающий через делитель напряжения, должен быть больше, чем ток, протекающий по цепи базы.

Пример разработки схемы эмиттерного повторителя. В качестве примера разработаем схему эмиттерного повторителя для сигналов звуковой частоты (от 20 Гц до 20 кГц). Напряжение UKK составляет +15 В, ток покоя равен 1 мА.

Шаг 1. Выбор напряжения UЭ. Для получения симметричного сигнала без срезов необходимо, чтобы выполнялось условие UЭ = 0,5UKK, или +7,5 В.

Шаг 2. Выбор резистора RЭ. Ток покоя должен составлять 1 мА, поэтому RЭ = 7,5 кОм.

Шаг 3. Выбор резисторов R1 и R2. Напряжение UБ — это сумма UЭ + 0,6 В, или 8,1 В. Из этого следует, что сопротивления резисторов R1 и R2 относятся друг к другу как 1:1,17. Учитывая известный уже нам критерий выбора нагрузки, мы должны подобрать резисторы R1 и R2 так, чтобы сопротивление их параллельного соединения составляло приблизительно 75 кОм или меньше (0,1 от произведения 7,5 кОм на h21э)· Выберем следующие стандартные значения сопротивлений: R1 = 130 кОм, R2 = 150 кОм.

Шаг 4. Выбор конденсатора C1. Конденсатор C1 и сопротивление нагрузки источника образуют фильтр высоких частот. Сопротивление нагрузки источника есть параллельное соединение входного сопротивления транзистора со стороны базы и сопротивления делителя напряжения базы. Предположим, что нагрузка схемы велика по сравнению с эмиттерным резистором, тогда входное сопротивление транзистора со стороны базы равно h21эRэ, т. е. составляет ~= 750 кОм. Эквивалентное сопротивление делителя равно 70 кОм. Тогда нагрузка для конденсатора составляет 63 кОм и емкость конденсатора должна быть равна по крайней мере 0,15 мкФ. В этом случае точке —3 дБ будет соответствовать частота, меньшая чем 20 Гц.

Шаг 5. Выбор конденсатора С2. Конденсатор С2 и неизвестный импеданс нагрузки образуют фильтр высоких частот. Мы не ошибемся, если предположим, что импеданс нагрузки не будет меньше R3. Тогда для того, чтобы точке — 3 дБ соответствовало значение частоты, меньшее чем 20 Гц, емкость конденсатора С2 должна быть равна по крайней мере 1,0 мкФ. Так как мы получили двухкаскадный фильтр высоких частот, то для предотвращения снижения амплитуды сигнала на самой низкой из интересующих нас частот емкости следует взять немного побольше. Вполне подойдут следующие значения: C1 = 0,5 и С2 = 3,3 мкФ.

Эмиттерные повторители с расщепленными источниками. В связи с тем что сигналы часто находятся «возле земли», удобно использовать симметричное питание повторителей — с положительным и отрицательным напряжением. В такой схеме легче обеспечить смещение, и для нее не нужны развязывающие конденсаторы (рис. 2.17).

Рис. 2.17. Эмиттерный повторитель со связью по постоянному току с расщепленным источником питания.

Замечание: в схеме обязательно должна быть предусмотрена цепь постоянного тока для тока базы, даже если этот ток течет просто «на землю». В схеме на рис. 2.17 эту роль играет источник сигнала, соединенный с землей по постоянному току. Если же это не так (например, имеется емкостная связь с источником), то следует предусмотреть связь базы с землей через резистор (рис. 2.18). Как и прежде, сопротивление RБ должно составлять приблизительно 0,1 от произведения h21эRЭ.

Рис. 2.18.

Упражнение 2.5. Разработайте эмиттерный повторитель с источником напряжения ± 15 В для диапазона звуковых частот (20 Гц-20 кГц). Ток покоя равен 5 мА, на входе имеется емкостная связь.

Пример плохого смещения. К сожалению, иногда встречаются такие неудачные схемы, как на рис. 2.19.

Рис. 2.19. Не следуйте этому примеру!

При выборе резистора RБ для этой схемы предположили, что коэффициент h21э имеет определенное значение (100), оценили величину тока базы и предположили, что падение напряжения на RБ составит 7 В. Расчет схемы выполнен плохо; коэффициент h21э не следует брать за основу расчета, так как его значение может существенно изменяться. Если напряжение смещения задать с помощью делителя напряжения, как в рассмотренном выше примере, то точка покоя будет нечувствительна к изменениям коэффициента β. Например, в предыдущей схеме напряжение на эмиттере увеличится всего на 0,35 В (5 %), если вместо номинальной величины h21э = 100 будем иметь величину h21э = 200. На примере эмиттерного повторителя мы показали вам, как можно попасть в ловушку и разработать никуда не годную схему. Такие ошибки возможны и в схемах с другим включением транзисторов (например, дальше в этой главе будет представлена схема с общим эмиттером).

2.06. Транзисторный источник тока

Хотя источники тока не столь известны, они не менее полезны и важны, чем источники напряжения. Источники тока представляют собой прекрасное средство для обеспечения смещения транзисторов, и кроме того, незаменимы в качестве активной нагрузки для усилительных каскадов с большим коэффициентом усиления и в качестве источников питания эмиттеров для дифференциальных усилителей. Источники тока необходимы для работы таких устройств, как интеграторы, генераторы пилообразного напряжения. В схемах усилителей и стабилизаторов они обеспечивают широкий диапазон напряжений. И наконец, источники постоянного тока требуются в некоторых областях, не имеющих прямого отношения к электронике, например в электрохимии, электрофорезе.

Подключение резистора к источнику напряжения. Схема простейшего источника тока показана на рис. 2.20.

Рис. 2.20.

При условии что Rн >> R (иными словами, Uн >> U), ток сохраняет почти постоянное значение и равен приблизительно I = U/R. Если нагрузкой является конденсатор, то, при условии что Uконд >> U, он заряжается с почти постоянной скоростью, определяемой начальным участком экспоненты, характерной для данной RС-цепи.

Простейшему резистивному источнику тока присущи существенные недостатки. Для того чтобы получить хорошее приближение к источнику тока, следует использовать большие напряжения, а при этом на резисторе рассеивается большая мощность. Кроме того, током этого источника трудно управлять в широком диапазоне с помощью напряжения, формируемого где-либо в другом узле схемы.

Упражнение 2.6. Допустим, нам нужен источник тока, который бы обеспечивал точность 1 % в диапазоне изменения напряжения на нагрузке от 0 до +10 В. Какой источник напряжения нужно подключить последовательно к резистору? 

 Упражнение 2.7. Допустим, что в предыдущем упражнении требуется получить от источника ток 10 мА. Какая мощность будет рассеиваться на резисторе? Какая мощность передается нагрузке?

Транзисторный источник тока. Очень хороший источник тока можно построить на основе транзистора (рис. 2.21).

Рис. 2.21. Транзисторный источник тока: основная идея.

Работает он следующим образом: напряжение на базе UБ > 0,6 В поддерживает эмиттерный переход в открытом состоянии: UЭ = UБ — 0,6 В. В связи с этим IЭ = UЭ/RЭ = (UБ — 0,6 В)/RЭ. Так как для больших значений коэффициента h21эIЭ ~= IК, то IК ~= (UБ — 0,6 B)/RЭ независимо от напряжения UK до тех пор, пока транзистор не перейдет в режим насыщения (UKUЭ + 0,2 В).

Смещение в источнике тока. Напряжение на базе можно сформировать несколькими способами. Хороший результат дает использование делителя напряжения, если он обеспечивает достаточно стабильное напряжение. Как и в предыдущих случаях, сопротивление делителя должно быть значительно меньше сопротивления схемы со стороны базы по постоянному току h21эRэ. Можно воспользоваться также зенеровским диодом и использовать для смещения источник питания Uкк, а можно взять несколько диодов, смещенных в прямом направлении и соединенных последовательно, и подключить их между базой и соответствующим источником питания эмиттера. На рис. 2.22 показаны примеры схем смещения. В последнем примере (рис. 2.22, б) транзистор р-n-р-типа питает током заземленную нагрузку (он — источник тока). Остальные примеры (в которых используются транзисторы n-р-n-типа) правильнее было бы называть «поглотителями» тока, но принято называть все схемы такого типа источниками тока. [Название «поглотитель» и «источник» связано с направлением тока; если ток поступает в какую-либо точку схемы, то это источник, и наоборот].

Рис. 2.22. Схемы транзисторных источников тока с тремя способами подачи смещения на базу; в транзисторы n-p-n-типа ток втекает, а из транзисторов р-n-р-типа вытекает. На схеме (в) показан источник с заземленной нагрузкой.

В первой схеме сопротивление делителя напряжения составляет приблизительно 1,3 кОм и очень мало по сравнению с сопротивлением со стороны базы, составляющим ~= 100 кОм (для h21э = 100). Любое изменение коэффициента β, связанное с изменением напряжения на коллекторе, не повлияет существенным образом на выходной ток, так как соответствующее изменение напряжения на базе совсем мало. В двух других схемах резисторы в цепи смещения выбраны так, чтобы протекающий ток составлял несколько миллиампер, — этого достаточно, чтобы диоды были открыты.

Рабочий диапазон. Источник тока передает в нагрузку постоянный ток только до определенного конечного напряжения на нагрузке. В противном случае источник тока был бы способен генерировать бесконечную мощность. Диапазон выходного напряжения, в котором источник тока ведет себя как следует, называется рабочим диапазоном. Для рассмотренных только что транзисторных источников тока рабочий диапазон определяется из того, что транзистор должен находиться в активном режиме работы. Так, в первой схеме напряжение на коллекторе можно понижать до тех пор, пока не будет достигнут режим насыщения, т. е. до +12 В.

Вторая схема, с более высоким напряжением на эмиттере, сохраняет свойства источника лишь до значения напряжения на коллекторе, равного приблизительно +5,2 В.

Во всех случаях напряжение на коллекторе может изменяться от значения напряжения насыщения до значения напряжения питания. Например, последняя схема работает как источник тока в диапазоне напряжения на нагрузке, ограниченном значениями 0 и +8,6 В. Если в нагрузке используются батареи или собственные источники питания, то напряжение на коллекторе может быть больше, чем напряжение источника питания. При использовании такой схемы рекомендуется следить за тем, чтобы не возник пробой транзистора (напряжение UКЭ не должно превышать значение UКЭ проб - напряжение пробоя перехода коллектор-эмиттер) и не рассеивалась излишняя мощность (определяемая величиной произведения IKUКЭ). В разд. 6.07 вы увидите, что для мощных транзисторов область безопасной работы определяется специально.

Упражнение 2.8. В схеме имеются два стабилизированных источника напряжения: +5 и 15 В. Разработайте схему источника тока на основе транзистора n-р-n-типа, которая бы обеспечивала ток +5 мА. В качестве источника напряжения для базы используйте источник +5 В. Чему равен рабочий диапазон в такой схеме?

В источнике тока напряжение на базе не обязательно должно быть фиксированным. Если предусмотреть возможность изменения напряжения UБ, то получим программируемый источник тока. Если выходной ток должен плавно отслеживать изменения входного напряжения, то размах входного сигнала uвх  (напоминаем, что строчными буквами мы договорились обозначать изменения) должен быть небольшим, таким, чтобы напряжение на эмиттере никогда не уменьшалось до нуля. В таком источнике тока изменение выходного тока будет пропорционально изменениям входного напряжения.

Недостатки источников тока. Как сильно отличается транзисторный источник тока от идеального? Иными словами, изменяется ли ток в нагрузке при изменении, скажем напряжения, т. е. имеет ли источник тока эквивалентное сопротивление конечной величины (Rэкв < )? И если да, то почему? Наблюдаются эффекты двух видов:

1. При заданном токе коллектора и напряжение UБЭ, и коэффициент h21Э (эффект Эрли) несколько изменяются при изменении напряжения коллектор-эмиттер. Изменение напряжения UБЭ, связанное с изменением напряжения на нагрузке, вызывает изменение выходного тока, так как напряжение на эмиттере (а следовательно, и эмиттерный ток) изменяется, даже если напряжение на базе фиксировано. Изменение значения коэффициента h21э приводит к небольшим изменениям выходного (коллекторного) тока при фиксированном токе эмиттера, так как IкIЭIБ; кроме того, немного изменяется напряжение на базе в связи с возможным изменением сопротивления источника смещения, обусловленного изменениями коэффициента h21Э (а следовательно, и тока базы). Эти изменения незначительны. Например, изменение выходного тока для схемы, представленной на рис. 2.22, а, составляет приблизительно 0,5 % для транзистора типа 2N3565. В частности, при изменении напряжения на нагрузке от 0 до 8 В эффект Эрли обусловливает изменение тока на 0,5 %, а нагрев транзистора — на 0,2 %. Изменение коэффициента вносит дополнительный вклад в изменение выходного тока — 0,05 % (для жесткого делителя напряжения). Все эти изменения приводят к тому, что источник тока работает хуже, чем идеальный: выходной ток немного зависит от напряжения и, следовательно, его сопротивление не бесконечно. В дальнейшем вы узнаете, что есть методы, которые позволяют преодолеть этот недостаток.

2. Напряжение UБЭ и коэффициент h21Э зависят от температуры. В связи с этим при изменении температуры окружающей среды возникает дрейф выходного тока. Кроме того, температура перехода изменяется при изменении напряжения на нагрузке (в связи с изменением мощности, рассеиваемой транзистором) и приводит к тому, что источник работает не как идеальный. Изменение напряжения UБЭ в зависимости от температуры окружающей среды можно скомпенсировать с помощью схемы, показанной на рис. 2.23.

Рис. 2.23. Один из методов температурной компенсации источника тока.

В этой схеме падение напряжения между базой и эмиттером транзистора Т2 компенсируется падением напряжения на эмиттерном переходе Т1, который имеет такие же температурные характеристики. Резистор R3 играет роль нагрузки для Т1, необходимой для задания втекающего тока базы транзистора Т2.

Улучшение характеристик источника тока. Вообще говоря, изменение напряжения UБЭ, вызванное как влиянием температуры (относительное изменение составляет приблизительно — 2 мВ/°С), так и зависимостью от напряжения UБЭ (эффект Эрли оценивается величиной ΔUБЭ ~= —0,001ΔUкэ, можно свести к минимуму, если установить напряжение на эмиттере достаточно большим (по крайней мере 1 В), тогда изменение напряжения UБЭ на десятые доли милливольта не приведет к значительному изменению напряжения на эмиттерном резисторе (напомним, что схема поддерживает постоянное напряжение на базе).

Например, если UЭ = 0,1 В (т. е. к базе приложено напряжение 0,7 В), то изменение напряжения Uбэ на 10 мВ вызывает изменение выходного тока на 10 %, если же Uэ = 1,0 В, то такое же изменение Uбэ вызывает изменение тока на 1 %. Однако, не стоит заходить слишком далеко.

Напомним, что нижняя граница рабочего диапазона определяется напряжением на эмиттере. Если в источнике тока, работающем от источника питания +10 В, напряжение на эмиттере сделать равным +5 В, то диапазон выхода будет равен немного менее 5 В (напряжение на коллекторе может изменяться от Uэ + 0,2 В до UKK, т. е. от 5,2 до 10 В).

На рис. 2.24 показана схема, которая существенно улучшает характеристики источника тока.

Рис. 2.24. Каскодный источник тока, обладающий повышенной устойчивостью к изменениям напряжения на нагрузке.

Источник тока Т1 работает, как и прежде, но напряжение на коллекторе фиксируется с помощью эмиттера Т2. Ток, текущий в нагрузку, такой же, как и прежде, так как коллекторный (для Т2) и эмиттерный токи приблизительно равны между собой (из-за большого значения h21Э). В этой схеме напряжение UКЭ (для Т1) не зависит от напряжения на нагрузке, а это значит, что устранены изменения напряжения UБЭ, обусловленные эффектом Эрли и температурой. Для транзисторов типа 2Ν3565 эта схема дает изменение тока на 0,1 % при изменении напряжения на нагрузке от 0 до 8 В; для того чтобы схема обеспечивала указанную точность, следует использовать стабильные резисторы с допуском 1 %. (Кстати, эту схему используют в высокочастотных усилителях, где она известна под названием «каскод»). В дальнейшем вы познакомитесь со схемами источников тока, в которых используются операционные усилители и обратная связь, и в которых также решена задача устранения влияния изменений Uбэ на выходной ток.

Влияние коэффициента h21Э можно ослабить, если выбрать транзистор с большим значением h21Э, тогда ток базы будет вносить незначительный вклад в ток эмиттера.

На рис. 2.25 показан еще один источник тока, в котором выходной ток не зависит от напряжения питания. В этой схеме напряжение UБЭ транзистора Т1, падая на резисторе R2, определяет выходной ток независимо от напряжения UKK

Uвых = UБЭ/R2.

С помощью резистора R1 устанавливается смещение транзистора Т2 и потенциал коллектора Т1, причем этот потенциал меньше, чем напряжение UKK, на удвоенную величину падения напряжения на переходе; тем самым уменьшается влияние эффекта Эрли. В этой схеме нет температурной компенсации; напряжение на R2 уменьшается приблизительно на 2,1 мВ/°С и вызывает соответствующее изменение выходного тока (0,3 %/°С).

Рис. 2.25. Транзисторный источник тока с использованием напряжения Uбэ в качестве опорного.

2.07. Усилитель с общим эмиттером

Рассмотрим источник тока, нагрузкой для которого служит резистор (рис. 2.26).

Рис. 2.26.

Напряжение на коллекторе равно

Uк = UKKIкRк

Можно через емкость задать сигнал в цепь базы, тогда напряжение на коллекторе будет изменяться. Рассмотрим пример, представленный на рис. 2.27.

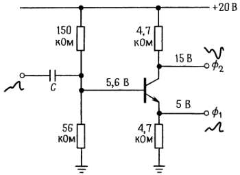
Рис. 2.27. Каскад усиления переменного тока с общим эмиттером с отрицательной обратной связью в цепи эмиттера. Обратите внимание, что выходной сигнал снимается с коллектора, а не с эмиттера.

Конденсатор С выбран так, что фильтр высоких частот, образованный этим конденсатором и последовательно соединенными с ним резисторами смещения базы, пропускает все нужные частоты (резисторы в цепи базы обычно выбирают так, чтобы импеданс со стороны базы, т. е. входное сопротивление транзистора, был гораздо больше и им можно было пренебречь).

Иначе говоря,

С >= 1/2πf(R1||R2)

Благодаря напряжению смещения, приложенному к базе, и наличию эмиттерного резистора сопротивлением 1,0 кОм ток покоя коллектора составляет 1,0 мА. Этот ток создает на коллекторе напряжение +10 В (+20 В минус падение напряжения на сопротивлении 10 кОм при протекании тока 1,0 мА). Допустим теперь, что на базу подан сигнал uБ. Напряжение на эмиттере повторяет изменение напряжения на базе uэ — uБ и вызывает изменение эмиттерного тока:

iэ = uэ/Rэ = uБ/Rэ

и приблизительно такое же изменение коллекторного тока (транзистор имеет большой коэффициент h21Э). Итак, первоначальное изменение напряжения на базе вызывает изменение коллекторного напряжения:

uк = — iкRк = — uБ(Rк/Rэ)

Стоп! Получается, что схема представляет собой усилитель напряжения, коэффициент усиления которого определяется следующим образом:

Коэффициент усиления = uвых/uвх = —Rк/Rэ

В нашем примере коэффициент усиления равен —10000/1000, или —10. Знак минус говорит о том, что положительный сигнал на входе дает на выходе отрицательный сигнал (амплитуда которого в 10 раз больше, чем на входе). Такая схема называется усилителем с общим эмиттером с отрицательной обратной связью в цепи эмиттера.

Входное и выходное сопротивление для усилителя с общим эмиттером. Нетрудно определить входное и выходное сопротивление усилителя. Для входного сигнала схема представляет собой параллельное соединение резисторов 110 кОм, 10 кОм и входного сопротивления со стороны базы. Последнее приблизительно равно 100 кОм (сопротивление RЭ, увеличенное в h21Э раз), а значит, входное сопротивление равно приблизительно 8 кОм (преобладающую роль играет сопротивление 10 кОм). Если используется развязывающий конденсатор, указанный на схеме, то получаем фильтр высоких частот с точкой — 3 дБ на частоте 200 Гц. Для сигналов в рабочей полосе частот (выше частоты, соответствующей точке — 3 дБ) конденсатором емкостью 0,1 мкФ можно пренебречь и учитывать только сопротивление 8 кОм, соединенное с ним последовательно. Выходное сопротивление определяется как параллельное соединение сопротивления 10 кОм и выходного сопротивления транзистора со стороны коллектора. Что же получается? Если бы не коллекторный резистор, то схема не отличалась бы от источника тока. Коллектор обладает очень большим сопротивлением (порядка мегаОм), поэтому выходное сопротивление определяется коллекторным резистором, сопротивление которого составляет 10 кОм. Напомним, что сопротивление со стороны коллектора велико, а со стороны эмиттера мало (как и в схеме эмиттерного повторителя). В выходном сопротивлении усилителя с общим эмиттером преобладает сопротивление резистора нагрузки, стоящего в цепи коллектора, а выходное сопротивление эмиттерного повторителя определяется выходным сопротивлением транзистора со стороны эмиттера, а не сопротивлением нагрузки, стоящей в цепи эмиттера.

2.08. Схема расщепления фазы с единичным коэффициентом усиления

Иногда полезно иметь сигнал и его инверсию, т. е. два однородных сигнала, сдвинутые друг относительно друга по фазе на 180°. Получить такие сигналы нетрудно — нужно воспользоваться усилителем с общим эмиттером, коэффициент усиления которого равен — 1 (рис. 2.28).

Рис. 2.28. Схема расщепления фазы с единичным коэффициентом усиления.

Напряжение покоя на коллекторе устанавливают равным 0,75UKK вместо привычного значения 0,5UKK. Это делается с уже известной нам целью — получить симметричный выходной сигнал без срезов на любом из выходов. Напряжение на коллекторе может изменяться от 0,5UKK до UKK, а на эмиттере — от потенциала земли до 0,5UKK. Обращаем ваше внимание на то, что для симметричного усиления выходы схемы следует нагружать одинаковыми (или очень большими) импедансами.

Фазовращатель. На рис. 2.29 показан хороший пример использования схемы расщепления фазы выходного сигнала.

Рис. 2.29. Схема расщепления фазы с постоянной амплитудой.

Схема позволяет регулировать фазу выходного синусоидального сигнала (от нуля до 180°) при условии, что входной сигнал тоже представляет собой синусоиду; амплитуда сигнала при регулировке фазы сохраняется постоянной. Работу схемы помогает понять векторная диаграмма напряжений (см. гл. 1), для нашей схемы представленная на рис. 2.30; входной сигнал на ней изображен в виде единичного вектора, направленного вдоль действительной оси. Направления векторов, соответствующих сигналам UR и UK, должны быть такими, чтобы этим двум векторам соответствовал вектор постоянной длины, направленный вдоль действительной оси.

Рис. 2.30. Векторная диаграмма для схемы расщепления фазы.

В геометрии есть теорема, согласно которой геометрическим местом таких точек служит окружность. Итак, результирующий вектор (выходное напряжение) всегда имеет единичную длину, т. е. такую же, как вектор входного сигнала, так как R может изменяться от нуля до значений, значительно превышающих ΖК на рабочей частоте. Обратите внимание, что величина фазового сдвига при данном положении потенциометра R зависит также от частоты входного сигнала.

Следует отметить, что в качестве схемы, обеспечивающей регулируемый сдвиг фаз, можно использовать простейший RC-фильтр высоких (или низких) частот. Правда, в этом случае при регулировке фазы амплитуда выходного сигнала изменяется в широком диапазоне.

Отметим также, что фазовращатель RС-типа нагружает схему расщепления фазы. В идеальном случае нагрузка представляет собой импеданс, который велик по сравнению с коллекторным и эмиттерным резисторами. Поэтому данная схема не может применяться в случаях, когда требуется обеспечить широкий диапазон фазовых сдвигов. В следующей главе приведена улучшенная схема фазовращателя.

2.09. Крутизна

В предыдущем разделе мы проанализировали работу усилителя с общим эмиттером следующим образом: а) предположив, что сигнал (напряжение) на базе изменяется в некоторых пределах, обнаружили, что напряжение на эмиттере имеет такой же размах; б) подсчитали эмиттерный ток; затем, пренебрегая незначительным влиянием тока базы, определили размах коллекторного тока и в) коллекторного напряжения. При этом коэффициент усиления есть просто отношение коллекторного напряжения (выходного) к напряжению на базе (входному).

Рассмотрим работу усилителя этого типа с другой точки зрения. Мысленно расчленим схему, как показано на рис. 2.31.

Рис. 2.31. Усилитель с общим эмиттером в качестве каскада с передаточной проводимостью, управляющий нагрузкой (резистивной).

Одна часть представляет собой управляемый напряжением источник тока, его ток покоя равен 1,0 мА, а коэффициент передачи составляет — 1 мА/В. Коэффициент передачи представляет собой отношение выходного сигнала к входному; в данном случае он измеряется в единицах [ток/напряжение] или [1/сопротивление]. Величина, обратная сопротивлению, называется проводимостью (величина, обратная реактивному сопротивлению, называется реактивной проводимостью; величина, обратная импедансу или полному сопротивлению, называется полной проводимостью), и единицей ее измерения служит сименс, раньше эту единицу измерения называли мо (обратный ом). Если коэффициент передачи измеряется в единицах проводимости, то такой усилитель называется усилителем с передаточной проводимостью; отношение Iвых/Uвх называется крутизной и обозначается gm.

Итак, одна часть схемы представляет собой усилитель с передаточной проводимостью, коэффициент передачи которого (крутизна) составляет 1 мА/В (1000 мкСм или 1 мСм, а это есть не что иное, как 1/RЭ). Другая часть схемы представляет собой нагрузочный резистор («усилитель»), преобразующий ток в напряжение. Резистор можно назвать усилителем с передаточным сопротивлением, его коэффициент усиления измеряется в единицах [напряжение/ток], т. е. в единицах сопротивления. В данном случае напряжение покоя (рабочее напряжение) — это UKK, а коэффициент передачи (передаточное сопротивление) равен 10 кВ/А (10 кОм), а это есть не что иное, как Rк.

Соединив эти две части последовательно, получим усилитель напряжения, общее усиление которого определяется произведением коэффициентов передачи составных частей. В данном случае: К = gmRкRк/RЭ = —10 — безразмерная величина, равная отношению [(выходное напряжение)/(входное напряжение)].

Описанный метод очень полезен для анализа усилителей, так как позволяет рассматривать составные части схемы независимо друг от друга. Например, для усилителя с передаточной проводимостью можно оценить величину gm для схем различной конфигурации и для иных элементов, например для полевых транзисторов. Затем можно рассмотреть нагрузку (или часть схемы с передаточным сопротивлением) и оценить, как связан коэффициент усиления с диапазоном изменения напряжения. Если вас интересует общее усиление по напряжению, то его можно определить следующим образом: КU = gmrm, где rm - передаточное сопротивление нагрузки. В конечном счете замена простой активной нагрузки схемой с высоким передаточным сопротивлением позволяет получать для одного каскада усилителя величину коэффициента усиления, равную 10000 и выше. С помощью описанного метода удобно рассматривать каскодный усилитель, с которым вы познакомитесь ниже.

В гл. 4, где рассматриваются операционные усилители, приведено немало примеров усилителей, на входах и выходах которых действуют напряжения и токи, усилители напряжения, усилители тока, усилители с передаточной проводимостью, усилители с передаточным сопротивлением.

Предельный коэффициент усиления: границы применимости простейшей модели транзистора. В соответствии с нашей моделью коэффициент усиления по напряжению усилителя с общим эмиттером равен — RK/RЭ. Что произойдет, если сопротивление RЭ будет уменьшаться, стремясь к нулю? Согласно уравнению, коэффициент усиления будет при этом беспредельно возрастать. Однако измерения, выполненные в рассмотренной выше схеме, покажут, что, хотя при постоянном токе покоя, равном 1 мА, коэффициент усиления и растет, при RЭ = 0 (эмиттер заземлен) он становится равным всего 400.

Окажется также, что усилитель начнет при этом работать как нелинейный элемент (выходной сигнал не воспроизводит по форме в точности входной), входное сопротивление становится небольшим и нелинейным, а смещение начинает зависеть от температуры. Очевидно, что модель транзистора, которой мы пользовались, несовершенна и ее необходимо дополнить, чтобы она пришла в соответствие с измерениями, описанными выше, и некоторыми другими фактами, на которых мы еще остановимся. Модель, которую мы сейчас рассмотрим, будет достаточно точна и удовлетворит нас в дальнейшем.

Более 800 000 книг и аудиокниг! 📚

Получи 2 месяца Литрес Подписки в подарок и наслаждайся неограниченным чтением

ПОЛУЧИТЬ ПОДАРОК