Дополнительные упражнения

(1) Разработайте схему транзисторного переключателя, которая позволила бы подключать к земле две нагрузки через насыщенные транзисторы n-р-n-типа. При замыкании переключателя А обе нагрузки должны находиться под напряжением, при замыкании переключателя Б мощность должна передаваться только в одну нагрузку. Подсказка: используйте в схеме диоды.

(2) Рассмотрите источник тока, изображенный на рис. 2.79.

Рис. 2.79.

(а) Определите ток Iнагр. Чему равен рабочий диапазон схемы? Считайте, что напряжение UБЭ составляет 0,6 В.

(б) Как будет изменяться выходной ток, если при изменении коллекторного напряжения в пределах выходного диапазона коэффициент h21э изменяется от 50 до 100? (При решении этой задачи следует учесть два эффекта.)

(в) Как будет изменяться ток нагрузки в пределах рабочего диапазона, если известно, что изменение напряжения UБЭ описывается зависимостью ΔUБЭ = — 0,001ΔUкэ (эффект Эрли)?

(г) Чему равен температурный коэффициент выходного тока, если предположить, что коэффициент h21Э не зависит от температуры? Чему равен температурный коэффициент выходного тока, если предположить, что коэффициент h21Э увеличивается относительно номинального значения 100 на 0,4 %/°С?

(3) Разработайте схему усилителя с общим эмиттером на основе транзистора n-р-n-типа по следующим исходным данным: коэффициент усиления по напряжению равен 15, напряжение питания Uкк равно 15 В, коллекторный ток Iк равен 0,5 мА. Транзистор должен быть смещен так, чтобы потенциал коллектора был равен 0,5Uкк, а точке —3 дБ должна соответствовать частота 100 Гц.

(4) Предусмотрите в предыдущей схеме следящую связь для увеличения входного импеданса. Правильно определите точку спада усиления при следящей связи.

(5) Разработайте схему дифференциального усилителя со связями по постоянному току по следующим исходным данным: коэффициент усиления по напряжению равен 50 (для однополюсного выхода) при входных сигналах с напряжением, близким к потенциалу земли; источники питания обеспечивают напряжение +15 В; ток покоя в каждом транзисторе равен 0,1 мА. В эмиттерной цепи используйте источник тока, а в качестве выходного каскада — эмиттерный повторитель.

(6) Выполнив это упражнение, вы получите усилитель, коэффициент усиления которого управляется внешним напряжением (в гл. 3 эта задача решается с помощью полевых транзисторов),

(а) Сначала разработайте схему дифференциального усилителя с источником тока в эмиттерной цепи и без эмиттерных резисторов. Используйте источник питания с напряжением +15 В. Коллекторный ток Iк (для каждого транзистора) должен быть равен 1 мА, а сопротивление коллекторного резистора сделайте равным Rк = 1,0 кОм. Подсчитайте коэффициент усиления по напряжению, при условии что один из входов заземлен,

(б) Теперь модифицируйте схему так, чтобы источником тока в эмиттерной цепи можно было управлять с помощью внешнего напряжения. Составьте приблизительное выражение зависимости коэффициента усиления от управляющего напряжения. (В реальной схеме можно предусмотреть еще одну группу управляемых источников для того, чтобы скомпенсировать смещение точки покоя, обусловленное изменениями коэффициента усиления, или же можно включить в схему еще один каскад с дифференциальным входом.)

(7) Не желая прислушиваться к нашим советам, высокомерный студент создает усилитель, схема которого приведена на рис. 2.82. Он регулирует сопротивление R2 так, чтобы точке покоя соответствовало напряжение 0,5Uкк.

(а) Определите Zвх (на высоких частотах, когда выполняется условие Ζκ ~= 0).

(б) Определите коэффициент усиления по напряжению для малого сигнала,

(в) Определите грубо, при каком изменении температуры окружающей среды транзистор перейдет в режим насыщения.

Рис. 2.82.

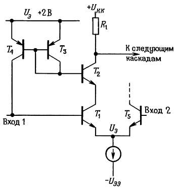
(8) В некоторых прецизионных операционных усилителях (например, ОР-07 и LT1012) для подавления входного тока смещения используется схема, показанная на рис. 2.83 (подробно показана только половина дифференциального усилителя с симметричным входом, другая половина выглядит точно также). Объясните, как работает схема. Замечание: транзисторы T1 и Т2 представляют собой согласованную по β пару. Подсказка: вспомните о токовых зеркалах.

Рис. 2.83. Схема подавления входного тока, широко используемая в высококачественных ОУ.

Более 800 000 книг и аудиокниг! 📚

Получи 2 месяца Литрес Подписки в подарок и наслаждайся неограниченным чтением

ПОЛУЧИТЬ ПОДАРОК