Дополнительные упражнения

1. Спроектируйте 6-полюсный фильтр Бесселя верхних частот с частотой среза 1 кГц.

2. Спроектируйте фильтр-пробку на частоту 60 Гц с буферными ОУ на входе и выходе.

3. Спроектируйте генератор пилообразных колебаний с частотой 1 кГц, заменив резистор заряда в схеме генератора на таймере 555 транзисторным источником тока. Проверьте, что обеспечивается достаточный рабочий диапазон источника тока. Каково должно быть значение резистора RB (рис. 5.33)?

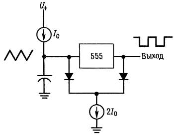
4. Разработайте на схеме 555 генератор треугольных колебаний. Для этого используйте пару источников тока, а именно I0 (втекающий ток) и 2I0 (вытекающий ток). Используйте выходной сигнал ИС 555 для переключения источника вытекающего тока 2I0. На рис. 5.50 показано одно из возможных решений.

Рис. 5.50.

Более 800 000 книг и аудиокниг! 📚

Получи 2 месяца Литрес Подписки в подарок и наслаждайся неограниченным чтением

ПОЛУЧИТЬ ПОДАРОК