Модель Эберса-Молла для основных транзисторных схем

2.10. Улучшенная модель транзистора: усилитель с передаточной проводимостью (крутизной)

Существенную поправку следует внести в правило 4 (разд. 2.01), которое определяет, что IR = h21ЭIБ. Мы рассматривали транзистор как усилитель тока, вход которого работает как диод. Это приближение является грубым, но для некоторых практических случаев большей точности и не требуется. Однако для того чтобы понять, как работают дифференциальные усилители, логарифмические преобразователи, схемы температурной компенсации и некоторые другие практически полезные схемы, следует рассматривать транзистор как элемент с передаточной проводимостью - коллекторный ток в нем определяется напряжением между базой и эмиттером.

Итак, правило 4 в измененном виде:

4. Если правила 1–3 соблюдены (разд. 2.01), то ток IК связан с напряжением UБЭ следующей зависимостью:

IК = Iнас[exp(UБЭ/UT) — 1]

где UT = kT/q = 25,3 мВ при комнатной температуре (20 °C), q — заряд электрона (1,60·10-19 Кл), k — постоянная Больцмана (1,38·10-23 Дж/К), Т — абсолютная температура в Кельвинах (К = °С + 273,16), Iнас - ток насыщения транзистора (зависит от T). Тогда ток базы, который также зависит от UБЭ, можно приблизительно определить так:

IБ = IКh21Э

где «постоянная» h21Э обычно принимает значения от 20 до 1000 и зависит от транзистора, IК, U и температуры. Ток Iнас  представляет собой обратный ток эмиттерного перехода. В активной области IК >> Iнас и членом — 1 можно пренебречь.

Уравнение для IК известно под названием «уравнение Эберса-Молла». Оно приблизительно описывает также зависимость тока от напряжения для диода, если UT умножается на корректировочный коэффициент m со значением между 1 и 2.

Следует запомнить, что в транзисторе коллекторный ток зависит от напряжения между базой и эмиттером, а не от тока базы (ток базы в грубом приближении определяется коэффициентом h21Э). Экспоненциальная зависимость между током IК и напряжением UБЭ точно соблюдается в большом диапазоне токов, обычно от наноампер до миллиампер. На рис. 2.32 приведен график этой зависимости.

Рис. 2.32. Зависимость базового и коллекторного токов транзистора от напряжения между базой и эмиттером.

Если измерить ток базы при различных значениях коллекторного тока, то получим график зависимости h21Э от IК (рис. 2.33).

Рис. 2.33. Типичная зависимость коэффициента усиления по току для транзистора (h21Э) от коллекторного тока.

Согласно уравнению Эберса-Молла, напряжение между базой и эмиттером «управляет» коллекторным током, однако это свойство нельзя использовать непосредственно на практике (создавать смещение в транзисторе с помощью напряжения, подаваемого на базу), так как велик температурный коэффициент напряжения между базой и эмиттером. В дальнейшем вы увидите, как уравнение Эберса-Молла помогает решить эту проблему.

Практические правила для разработки транзисторных схем. На основании уравнения Эберса-Молла получены некоторые зависимости, которые часто используют при разработке схем:

1. Ступенчатая характеристика диода. На сколько нужно увеличить напряжение UБЭ, чтобы ток IК увеличился в 10 раз? Из уравнения Эберса-Молла следует, что UБЭ нужно увеличить на UTloge10, или на 60 мВ при комнатной температуре. Напряжение на базе увеличивается на 60 мВ при увеличении коллекторного тока в 10 раз. Эквивалентным является следующее выражение IК= IK0eΔU/25, где ΔU измеряется в милливольтах.

2. Импеданс для малого сигнала со стороны эмиттера при фиксированном напряжении на базе. Возьмем производную от UБЭ по IК: rЭ UT/IK = 25/IK Ом, где ток IK измеряется в миллиамперах. Величина 25/IK Ом соответствует комнатной температуре. Это собственное сопротивление эмиттера rЭ выступает в качестве последовательного для эмиттерной цепи во всех транзисторных схемах. Оно ограничивает усиление усилителя с заземленным эмиттером, приводит к тому, что коэффициент усиления эмиттерного повторителя имеет значение чуть меньше единицы и не позволяет выходному сопротивлению эмиттерного повторителя стать равным нулю.

Этот параметр относится к параметрам малого сигнала. Отметим, что крутизна для усилителя с заземленным эмиттером определяется следующим образом: gm = 1/rЭ.

3. Температурная зависимость. Глядя на уравнение Эберса-Молла, можно предположить, что UБЭ имеет положительный температурный коэффициент. Однако, в связи с тем что ток Iнас зависит от температуры, напряжение UБЭ уменьшается на 2,1 мВ/°С. В грубом приближении оно пропорционально 1/Табс, где Табс - абсолютная температура.

И еще одна зависимость пригодится нам на практике, правда, она не связана с уравнением Эберса-Молла. Речь идет об эффекте Эрли, описанном в разд. 2.06, который накладывает ограничения на выходную характеристику транзистора как источника тока.

4. Эффект Эрли. UБЭ хоть и в слабой мере, но зависит от U при постоянном токе IК. Этот эффект обусловлен изменением эффективной ширины базы и описывается следующей приблизительной зависимостью: ΔUБЭ = —αUКЭ, где α ~= 0,0001.

Мы перечислили основные соотношения, которые могут быть полезны на практике. Эти соотношения, а не сами уравнения Эберса-Молла, используются при разработке транзисторных схем.

2.11. Еще раз об эмиттерном повторителе

Прежде чем мы еще раз рассмотрим усилитель с общим эмиттером, используя преимущества новой модели транзистора, ненадолго задержим свое внимание на скромном эмиттерном повторителе. Согласно модели Эберса-Молла эмиттерный повторитель должен иметь ненулевой выходной импеданс даже в том случае, когда схемой управляет источник напряжения, так как эмиттерный повторитель обладает вполне определенным сопротивлением rЭ (см. предыдущий раздел, пункт 2). По той же причине усиление по напряжению будет немного меньше единицы, так как rЭ и резистор нагрузки образуют делитель напряжения.

Эти явления нетрудно описать математически. При фиксированном напряжении на базе импеданс со стороны эмиттера есть не что иное, как Rвых = dUБЭ/dIЭ, но IЭ = IК, поэтому Rвых ~= rЭ - собственное сопротивление эмиттера [rЭ = 25/IК (мА)]. Например, на рис. 2.34, а импеданс со стороны нагрузки rЭ = 25 Ом, так как IК = 1 мА. (Если используется эмиттерный резистор RЭ, то образуется параллельное соединение, на практике RЭ всегда значительно больше, чем rЭ). На рис. 2.34, б представлена более распространенная ситуация — источник имеет конечное сопротивление Rист (для простоты в схеме опущены компоненты смещения — базовый делитель и блокировочный конденсатор — эти компоненты присутствуют на рис. 2.34, в).

Рис. 2.34.

В этом случае выходной импеданс эмиттерного повторителя — это просто rЭ в последовательном соединении с Rист/(h21Э + 1) (опять же в параллельном соединении с несущественным резистором RЭ, если он присутствует). Например, если Rист = 1 кОм и IК = 1 мА, то Rвых = 35 Ом (предположим, что h21Э = 100). Нетрудно показать, что собственное сопротивление эмиттера rЭ вносит также вклад во входной импеданс эмиттерного повторителя, как если бы оно было соединено последовательно с нагрузкой (на самом деле не с нагрузкой, а с параллельным соединением резистора, нагрузки и эмиттерного резистора). Другими словами, для схемы эмиттерного повторителя эффект Эберса-Молла состоит просто в добавлении последовательно подключенного сопротивления эмиттера rЭ к полученным ранее результатам.

Усиление по напряжению эмиттерного повторителя несколько меньше единицы из-за наличия делителя напряжения, образованного rЭ и нагрузкой. Это нетрудно вычислить, так как выход схемы находится в точке соединения rЭ и Rнагр: GUUвых/Uвх; Rнагр/(rЭ + Rнагр). Таким образом, если взять, например, повторитель, ток затухания которого равен 1 мА, а нагрузка составляет 1 кОм, то его усиление по напряжению будет равно 0,976.

Инженерам иногда нравится считать усиление в единицах сверхпроводимости для получения выражения, подходящего также для ОУ (см. разд. 3.07); в этом случае (используя выражение bm = 1/rЭ) получим GURнагрbm/(1 + Rнагрbm).

2.13. Еще раз об усилителе с общим эмиттером

Выше мы определили усиление по напряжению для усилителя с общим эмиттером при условии, что сопротивление эмиттерного резистора равно нулю, но результат получили неверный. Дело в том, что транзистор обладает собственным — эмиттерным сопротивлением, равным 25/Iк (мА) (выражено в омах), которое следует добавлять к сопротивлению включенного в эмиттерную цепь резистора. Это сопротивление значительно в тех случаях, когда в цепь эмиттера включен небольшой резистор (или когда его нет вообще). Например, для усилителя, который мы рассмотрели выше, коэффициент усиления по напряжению равен —10 кОм/rЭ, или —400, при условии, что сопротивление эмиттерного резистора равно нулю. Мы предполагали раньше, что входной импеданс h21ЭRЭ равен нулю при RЭ = 0; на самом деле он приблизительно равен h21ЭrЭ и в данном случае составляет около 2,5 кОм (ток покоя равен 1 мА).

Мы уже упоминали усилитель с «заземленным эмиттером» и схемы «с общим эмиттером». Эти схемы не следует путать. Усилитель с «заземленным эмиттером» — это усилитель с общим эмиттером, в котором RЭ = 0. В усилительном каскаде с общим эмиттером может присутствовать эмиттерный резистор; особенность этой схемы состоит в том, что цепь эмиттера является общей для входа и выхода схемы.

Недостатки однокаскадного усилителя с заземленным эмиттером. Дополнительное усиление, обусловленное отсутствием резистора в эмиттерной цепи RЭ = 0, мы получаем за счет ухудшения некоторых параметров усилителя. Как ни популярен усилитель с заземленным эмиттером в учебниках, на практике его следует использовать только в схемах, охваченных общей петлей отрицательной обратной связи. Для того чтобы понять, с чем это связано, рассмотрим рис. 2.35.

Рис. 2.35. Усилитель с общим эмиттером без отрицательной обратной связи в цепи эмиттера.

1. Нелинейность. Коэффициент усиления определяется выражением k = —gmRK = —RK/rЭ = —RKIK(мА)/25, т. е. для тока покоя 1 мА он равен —400. Но дело в том, что ток IK изменяется при изменении входного сигнала. В нашем примере коэффициент усиления может изменяться от — 800 (Uвых = 0, IK = 2 мА) до нуля (Uвых = UКК, IK = 0). Если на входе действует треугольный сигнал, то сигнал на выходе будет таким, как показано на рис. 2.36.

Рис. 2.36.Нелинейный выходной сигнал, снимаемый с усилителя с заземленным эмиттером.

Усилитель вносит большие искажения, т. е. обладает плохой линейностью. Усилитель с заземленным эмиттером без обратной связи можно использовать лишь для небольших диапазонов изменения сигнала вблизи точки покоя. Что же касается усилителя с общим эмиттером, то его усиление почти не зависит от коллекторного тока, при условии что RЭ >> rЭ; он обеспечивает усиление без искажений в большом диапазоне изменения сигнала.

2. Входное сопротивление. Входное сопротивление приблизительно равно Zвх = h21эrЭ = (25/h21э/IK(мА)) Ом. Здесь мы опять сталкиваемся с тем, что ток IK изменяется при изменении выходного сигнала, а значит меняется и входное сопротивление. Если источник, питающий базу, обладает небольшим выходным сопротивлением, то вы получите нелинейный переменный делитель напряжения, образованный источником сигнала и входным сопротивлением усилителя. Что касается усилителя с общим эмиттером, то он обладает постоянным и высоким входным сопротивлением.

3. Смещение. В усилителе с заземленным эмиттером смещение выполнить трудно. Возникает соблазн просто подать напряжение (с делителя), которое обеспечит нужный ток покоя в соответствии с уравнением Эберса-Молла. Однако так сделать нельзя, потому что напряжение UБЭ зависит от температуры (при фиксированном значении IК) и изменяется на 2,1 мВ/°С (фактически напряжение уменьшается при повышении температуры Т из-за того, что изменяется ток Iнас; в результате оказывается, что напряжение UБЭ приблизительно пропорционально 1/Т, где T — абсолютная температура). Это ведет к тому, что коллекторный ток (при фиксированном значении UБЭ) будет увеличиваться в 10 раз при повышении температуры на 30 °C. Такая нестабильность делает смещение неработоспособным, так как даже небольшие колебания температуры будут приводить усилитель в режим насыщения.

Например, если напряжение смещения сделать равным половине напряжения питания коллектора, то усилитель с заземленным эмиттером будет переходить в режим насыщения при повышении температуры на 8 °C.

Упражнение 2.9. Убедитесь в том, что при повышении температуры окружающей среды на 8 °C усилитель с заземленным эмиттером и поданным на базу напряжением смещения переходит в режим насыщения. В исходном состоянии транзистор смещен так, что = 0,5Uкк.

О том, как решается задача смещения, вы узнаете из следующих разделов. Что касается усилителя с общим эмиттером, то здесь стабильное смещение создается с помощью напряжения, приложенного к базе; большая часть этого напряжения приходится на резистор в цепи эмиттера, тем самым обеспечивается постоянный ток покоя.

Эмиттерный резистор в качестве элемента обратной связи. Если к собственному сопротивлению эмиттера добавить сопротивление внешнего эмиттерного резистора, то многие параметры усилителя с общим эмиттером улучшатся, правда за счет снижения коэффициента усиления. Аналогичное явление рассматривается в следующих двух главах, посвященных использованию отрицательной обратной связи, позволяющей улучшить характеристики усилителя за счет частичной передачи выходного сигнала на вход. Это не простое совпадение, дело в том, что в усилителе с общим эмиттером используется одна из форм отрицательной обратной связи. Представим себе, что транзистор — это элемент с передаточной крутизной, в котором коллекторный ток (а следовательно, и выходное напряжение) зависит от напряжения, действующего между базой и эмиттером; на вход усилителя подается напряжение, действующее между базой и землей. Входное напряжение представляет собой напряжение между эмиттером и базой минус напряжение (IЭRЭ). Следовательно, в схеме с общим эмиттером действует отрицательная обратная связь, и благодаря этому улучшаются характеристики усилителя (высокая линейность и стабильность, большой входной импеданс; выходной импеданс можно уменьшить, если ввести обратную связь непосредственно с коллектора). Это лишь первое знакомство с обратной связью, но и оно позволяет оценить значение материала, изложенного в гл. 4–5.

2.13. Смещение в усилителе с общим эмиттером

Существует возможность задать смещение в усилителе с общим эмиттером и при необходимости получения максимально возможного коэффициента усиления (или если усилительный каскад охвачен петлей обратной связи). Есть три варианта схем смещения, которые можно комбинировать между собой: с помощью шунтируемого резистора в эмиттерной цепи, с помощью согласованного транзистора и с помощью обратной связи по постоянному току.

Шунтируемый резистор в эмиттерной цепи. Смещение можно обеспечить с помощью шунтируемого резистора в эмиттерной цепи, как показано на рис. 2.37.

Рис. 2.37. Шунтируемый резистор в эмиттерной цепи можно использовать для получения стабильного смещения в усилителе с заземленным эмиттером.

Для того чтобы облегчить задачу создания смещения, резистор RЭ выбран так, что его сопротивление составляет 0,1RК; если резистор RЭ слишком мал, то напряжение на эмиттере будет намного меньше, чем падение напряжения между базой и эмиттером, а это приведет к температурной нестабильности точки покоя, так как напряжение U зависит от температуры.

Шунтирующий эмиттерный конденсатор следует выбирать так, чтобы его импеданс был небольшим по сравнению с rЭ (а не с RЭ) на самой низкой из интересующих вас частот. В данном случае его импеданс составляет 25 Ом на частоте 650 Гц. В диапазоне рабочих частот входного сигнала для выбора входного конденсатора межкаскадной связи существенно, что входное сопротивление схемы определяется параллельным соединением сопротивления 10 кОм и входного сопротивления транзистора со стороны базы, в данном случае — это сопротивление 25 Ом, умноженное на h21э, т. е. приблизительно 2,5 кОм. Для сигналов постоянного тока сопротивление со стороны базы значительно больше (сопротивление эмиттерного резистора, умноженное на h21э, т. е. приблизительно 100 кОм), и именно благодаря этому можно обеспечить стабильное смещение.

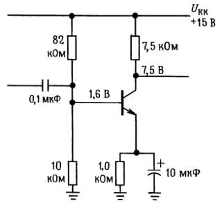
Одна из разновидностей рассмотренной схемы отличается использованием в эмиттерной цепи двух последовательных резисторов, один из которых шунтируется. Например, нужно спроектировать усилитель, коэффициент усиления которого равен 50, ток покоя -1 мА, а напряжение UKK составляет +20 В; частота сигнала может изменяться от 20 Гц до 20 кГц. Если для решения поставленной задачи вы выберете схему с общим эмиттером, то получите усилитель, показанный на рис. 2.38.

Рис. 2.38.

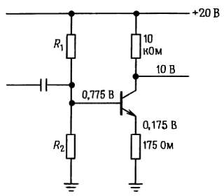
Коллекторный резистор выбран так, чтобы коллекторное напряжение покоя составляло 0,5UKK. Эмиттерный резистор выбран с учетом требуемого значения коэффициента усиления и влияния rЭ, составляющего 25/IК(мА). Трудность состоит в том, что эмиттерное напряжение, равное лишь 0,175 В, будет подвержено существенным изменениям. Дело в том, что падение напряжения на переходе база-эмиттер, равное ~= 0,6 В, зависит от температуры (относительное изменение составляет примерно —2,1 мВ/°С), тогда как напряжение на базе поддерживается постоянным с помощью резисторов R1 и R2; например, вы можете убедиться, что при увеличении температуры на 20 °C коллекторный ток возрастает примерно на 25 %. Это неприятное явление можно устранить, если включить в эмиттерную цепь дополнительный зашунтированный конденсатором резистор, который не будет влиять на коэффициент усиления в рабочем диапазоне частот (рис. 2.39).

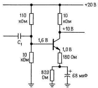
Рис. 2.39. Усилитель с общим эмиттером, обладающий стабильным смещением, линейностью и большим коэффициентом усиления по напряжению.

Как и в предыдущей схеме, коллекторный резистор выбран здесь так, чтобы напряжение на коллекторе было равно 10 В (0,5UKK). Нешунтируемый резистор в цепи эмиттера выбран таким образом, чтобы с учетом собственного сопротивления эмиттера, составляющего rЭ = 25/IК(мА), коэффициент усиления был равен 50. Дополнительное сопротивление в цепи эмиттера должно быть таким, чтобы смещение было стабильным (хороший результат дает сопротивление, в 10 раз меньшее коллекторного). Напряжение базы выбрано так, чтобы ток эмиттера был равен 1 мА, при условии что сопротивление цепи смещения составляет десятую часть от сопротивления по постоянному току со стороны базы (в данном случае около 100 кОм).

Сопротивление шунтирующего конденсатора в цепи эмиттера должно быть небольшим по сравнению с сопротивлением 180 + 25 Ом на самой низкой частоте диапазона. И наконец, входной конденсатор межкаскадной связи должен иметь небольшой импеданс по сравнению с входным сопротивлением усилителя на частоте входного сигнала, которое определяется параллельным соединением сопротивления делителя напряжения и сопротивления (180 + 25)/h21э Ом (на частотах входного сигнала сопротивление 820 Ом шунтировано конденсатором и равноценно замкнутой накоротко цепи).

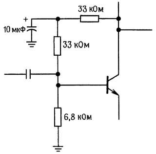
В другом варианте этой схемы цепи сигнала и постоянного тока разделены (рис. 2.40). Это разделение позволяет изменять коэффициент усиления (за счет резистора 180 Ом), не изменяя смещения.

Рис. 2.40. Другой вариант схемы, показанной на рис. 2.39.

Использование согласованного транзистора. Для получения напряжения базы, обеспечивающего нужный ток коллектора, можно использовать согласованные транзисторы, при этом будет обеспечена автоматическая температурная компенсация (рис. 2.41).

Рис. 2.41. Схема смещения, в которой компенсируется падение напряжения между базой и эмиттером UБЭ.

В цепи коллектора транзистора Т1 протекает ток 1 мА, потенциал коллектора близок потенциалу земли (точнее, превышает потенциал земли примерно на величину падения напряжения UБЭ); если транзисторы Т1 и Т2 представляют собой согласованную пару (например, два транзистора, изготовленных на одном кристалле кремния), то смещение транзистора Т2 будет таким, что этот транзистор также будет порождать ток 1 мА и напряжение на его коллекторе будет равно +10 В, при этом симметричный сигнал на коллекторе может иметь размах ±10 В. Изменение температуры не влияет на работу схемы, так как оба транзистора находятся в одинаковых температурных условиях. Вот чем хороши «монолитные» сдвоенные транзисторы.

Обратная связь по постоянному току. Для стабилизации точки покоя (рабочей точки) можно использовать обратную связь по постоянному току. Один из методов такой стабилизации показан на рис. 2.42.

Рис. 2.42. Стабильность смещения обеспечивается за счет обратной связи.

Определенное улучшение стабильности можно получить, если напряжение смещения подавать с коллектора, а не от источника UKK. Напряжение на базе превышает потенциал земли на величину падения напряжения на диоде; так как напряжение смещения снимается с делителя 10:1, то напряжение на коллекторе превышает потенциал земли на величину, равную падению напряжения на диоде, увеличенному в 11 раз, т. е. составляет ~ 7 В.

Эта схема уменьшает склонность к насыщению (которая может возникнуть, например, если коэффициент β будет необычно большим) за счет того, что при уменьшении коллекторного напряжения уменьшается напряжение смещения на базе. Эту схему можно использовать в тех случаях, когда не нужна высокая стабильность. Точка покоя (выхода) подвержена дрейфу примерно на 1 В за счет изменений температуры окружающей среды. Это связано с тем, что напряжение между базой и эмиттером имеет большой температурный коэффициент. Большей стабильностью обладает схема, в которой петля обратной связи охватывает несколько каскадов усиления. Примеры вы увидите там, где речь пойдет об обратной связи.

Для того, чтобы понять, как работает эта схема, нужно внимательнее рассмотреть обратную связь. Например, обратная связь уменьшает входной и выходной импедансы. Для входного сигнала сопротивление R1 уменьшено за счет усиления по напряжению, которым обладает каскад. В данном случае резистор R1 эквивалентен резистору с сопротивлением 200 Ом, один конец которого заземлен. В следующей главе мы рассмотрим обратную связь более подробно, и тогда вы сможете определить коэффициент усиления по напряжению и входной и выходной импедансы данной схемы.

Отметим, что сопротивление резистора смещения базы можно увеличить, и тогда увеличится входной импеданс схемы, но ток базы уже нельзя будет считать пренебрежимо малым. Можно, например, взять такие резисторы: R1 = 220 кОм и R2 = 33 кОм. Другая возможность состоит в том, что в цепь обратной связи можно включить шунтирующий конденсатор, как показано на рис. 2.43. При этом удается избавиться от обратной связи (а следовательно, и от пониженного входного импеданса) на частотах сигнала.

Рис. 2.43. Устранение обратной связи на частотах сигнала.

Некоторые замечания относительно смещения и усиления. Первое важное замечание касается усилительных каскадов с заземленным эмиттером: создается впечатление, что коэффициент усиления по напряжению можно увеличить за счет увеличения тока покоя, так как собственное сопротивление эмиттера rЭ уменьшается при увеличении тока. Однако, хотя rЭ и уменьшается при увеличении коллекторного тока, для получения того же самого рабочего напряжения на коллекторе приходится использовать меньший коллекторный резистор, и в результате выигрыша нет. На самом деле можно показать, что в усилителе с заземленным эмиттером, смещенным так, что напряжение покоя составляет 0,5UKK, коэффициент усиления по напряжению для малого сигнала равен К ~= 20UKK независимо от величины тока покоя (рабочего тока).

Упражнение 2.10. Докажите, что сделанное выше утверждение справедливо.

Если требуется увеличить коэффициент усиления каскада по напряжению, то можно, например, в качестве активной нагрузки использовать источник тока. Так как источник тока обладает очень большим импедансом, то на одном каскаде можно получить коэффициент усиления по напряжению, равный 1000 и выше. Такой подход не пригоден в схемах со смещением, которые мы рассмотрели выше; каскад должен являться частью схемы, охваченной общей петлей обратной связи по постоянному току. Об этом поговорим в следующей главе. Внешняя нагрузка такого усилителя обязательно должна быть велика, в противном случае усиление, полученное за счет большого коллекторного сопротивления, будет потеряно. В качестве такой высокоомной нагрузки можно использовать эмиттерный повторитель, полевой транзистор или операционный усилитель.

В радиочастотных усилителях, предназначенных для резонансного усиления в узкой полосе частот, в качестве коллекторной нагрузки принято использовать параллельный LC-контур; в этом случае можно получить очень большой коэффициент усиления по напряжению, так как на частоте сигнала LC-контур обладает большим импедансом (как источник тока), а его импеданс по постоянному току мал. LC-контур можно перестраивать и благодаря резонансной характеристике он подавляет сигналы, лежащие за пределами рабочего диапазона. К преимуществам этой схемы можно отнести также возможность получения размаха выходного сигнала, равного 2UKK, и возможность использования трансформаторной связи.

Упражнение 2.11. Разработайте резонансный усилительный каскад с общим эмиттером для частоты 10 кГц. Используйте в схеме шунтированный эмиттерный резистор и установите ток покоя величиной 1 мА. Пусть Uкк = +15 В, a L = 1,0 мГн; параллельно LC-контуру подключите резистор 6,2 кОм, с тем чтобы получить Q = 10 (ширина полосы 10 %, см. разд. 1.22). Для межкаскадной связи используйте на входе конденсатор.

2.14. Токовые зеркала

От схемы смещения с использованием согласованной пары транзисторов легко перейти к так называемому токовому зеркалу (рис. 2.44).

Рис. 2.44. Классическая схема токового зеркала на основе согласованной пары биполярных транзисторов. Отметим, что положительное питающее напряжение принято обозначать UKK, даже в тех случаях, когда используются транзисторы р-n-р-типа.

Работа токового зеркала «программируется» путем задания коллекторного тока транзистора T1. Напряжение UБЭ для T1 устанавливается в соответствии с заданным током, температурой окружающей среды и типом транзистора. В результате оказывается заданным режим схемы, и транзистор Т2, согласованный с транзистором Т1 (лучше всего использовать монолитный сдвоенный транзистор), передает в нагрузку такой же ток, что задан для T1. Небольшими базовыми токами можно пренебречь.

Одно из достоинств описанной схемы состоит в том, что ее диапазон устойчивости по напряжению равен UKK за вычетом нескольких десятых долей вольта, так как нет падения напряжения на эмиттерном резисторе. Кроме того, во многих случаях удобно задавать ток с помощью тока. Легче всего получить управляющий ток Iпр с помощью резистора (рис. 2.45).

Рис. 2.45.

В связи с тем, что эмиттерные переходы транзисторов представляют собой диоды, падение напряжения на которых мало по сравнению с UKK, резистор 14,4 кОм формирует управляющий, а следовательно, и выходной ток величиной 1 мА. Токовые зеркала можно использовать в тех случаях, когда в транзисторной схеме необходим источник тока. Их широко используют при проектировании интегральных схем, когда: а) под рукой есть много согласованных транзисторов и б) разработчик хочет создать схему, которая бы работала в широком диапазоне питающих напряжений. Существуют даже безрезисторные интегральные операционные усилители, в которых режимный ток всего усилителя задается с помощью одного внешнего резистора, а токи отдельных внутренних усилительных каскадов формируются с помощью токовых зеркал.

Недостатки токовых зеркал, обусловленные эффектом Эрли. Простое токовое зеркало обладает одним недостатком: выходной ток несколько изменяется при изменении выходного напряжения, т. е. выходное сопротивление схемы не бесконечно. Это связано с тем, что при заданном токе транзистора Т2 напряжение UБЭ слегка меняется в зависимости от коллекторного напряжения (проявление эффекта Эрли); иначе говоря, график зависимости коллекторного тока от напряжения между коллектором и эмиттером при фиксированном напряжении между базой и эмиттером не является горизонтальной линией (рис. 2.46).

Рис. 2.46.

Практически ток может изменяться приблизительно на 25 % в диапазоне устойчивой работы схемы, т. е. характеристики такой схемы существенно хуже, чем характеристики рассмотренного выше источника тока с эмиттерным резистором.

Если же нужен более высококачественный источник тока (чаще всего таких требований не возникает), то подойдет схема, показанная на рис. 2.47.

Рис. 2.47. Улучшенная схема токового зеркала.

Эмиттерные резисторы выбраны таким образом, что падение напряжения на них составляет несколько десятых долей вольта; такая схема — гораздо лучший источник тока, так как в ней изменения напряжения UБЭ, обусловленные изменениями напряжения UКЭ, оказывают пренебрежимо малое влияние на выходной ток. В этой схеме также следует использовать согласованные транзисторы.

Токовое зеркало Уилсона. На рис. 2.48 представлено еще одно токовое зеркало, обеспечивающее высокую степень постоянства выходного тока.

Рис. 2.48. Токовое зеркало Уилсона. Влияние изменений напряжения на нагрузке на выходной ток подавлено за счет каскодного включения транзистора Т3, которое позволяет уменьшить изменения напряжения транзистора T1.

Транзисторы Т1 и Т2 включены как в обычном токовом зеркале. Благодаря транзистору Т3 потенциал коллектора транзистора Т1 фиксирован и на удвоенную величину падения напряжения на диоде ниже, чем напряжение питания UKK. Такое включение позволяет подавить эффект Эрли в транзисторе Т1, коллектор которого теперь служит для задания режима работы схемы; выходной ток определяется транзистором Т2. Транзистор Т3 не влияет на баланс токов, если его базовый ток пренебрежимо мал; его единственная функция состоит в том, чтобы зафиксировать потенциал коллектора Т1. В результате в токозадающих транзисторах Т1 и Т2 падения напряжения на эмиттерных переходах фиксированы; транзистор Т3 можно рассматривать как элемент, который просто передает выходной ток в нагрузку, напряжение на которой является переменным (аналогичный прием используют при каскодном включении, которое мы рассмотрим позже). Кстати, транзистор Т3 не обязательно согласовывать с транзисторами Т1 и Т2.

Схемы с несколькими выходами и коэффициенты отражения тока. Схему токового зеркала можно построить так, что вытекающий выходной ток (или втекающий - в случае использования транзисторов n-p-n-типа) будет передаваться в несколько нагрузок. О том, как эта идея воплощается в жизнь, дает представление схема, изображенная на рис. 2.49.

Рис. 2.49. Схема токового зеркала с несколькими выходами. Эта схема широко используется для получения нескольких программируемых источников тока.

Отметим, что если один из транзисторов — источников тока переходит в режим насыщения (в том случае, например, когда отключается его нагрузка), то его база будет отбирать повышенный ток из общей линии, соединяющей базы всех транзисторов, и в связи с этим уменьшаются остальные выходные токи. Положение можно улучшить, если включить в схему еще один транзистор (рис. 2.50).

Рис. 2.50.

На рис. 2.51 представлены два варианта многовыходного токового зеркала.

Рис. 2.51. Токовые зеркала, в которых коэффициент отражения тока отличен от 1:1.

Эти схемы отражают удвоенный (или половинный) управляющий ток. При разработке токовых зеркал в интегральных схемах коэффициент отражения тока задают путем выбора размеров (площадей) эмиттерных переходов.

Фирма Texas Instruments предлагает токовые зеркала Уилсона в виде законченных монолитных схем в удобных транзисторных корпусах типа ТО-92. Серия TL011 включает схемы, которые обеспечивают отношения 1:1, 1:2, 1:4 и 2:1, при этом диапазон устойчивости выходного напряжения определяется значениями от 1,2 до 40 В. Схема Уилсона обладает хорошими характеристиками источника тока — при постоянном программирующем токе выходной ток увеличивается только на 0,05 % на вольт — помимо всего она очень недорога (50 центов и дешевле). К сожалению, эти полезные схемы существуют только на транзисторах n-p-n-типа.

Еще один способ получения выходного тока, кратного управляющему, состоит во включении дополнительного резистора в цепь эмиттера выходного транзистора (рис. 2.52).

Рис. 2.52. Снижение выходного тока с помощью эмиттерного резистора. Отметим, что выходной ток здесь не кратен управляющему.

Если схема работает с токами различной плотности, то, согласно уравнению Эберса-Молла, разность напряжений UБЭ зависит только от отношения плотностей токов. Для согласованных транзисторов отношение коллекторных токов равно отношению плотностей токов. График на рис. 2.53 позволяет определить разность напряжений между базой и эмиттером в подобном случае и полезен при разработке токовых зеркал с неединичным отражением.

Рис. 2.53. Зависимость отношения коллекторных токов в согласованных парах транзисторов от разности напряжений база-эмиттер.

Упражнение 2.12. Покажите, что токовое зеркало с неединичным отражением, показанное на рис. 2.52, работает так, как мы описали.

Более 800 000 книг и аудиокниг! 📚

Получи 2 месяца Литрес Подписки в подарок и наслаждайся неограниченным чтением

ПОЛУЧИТЬ ПОДАРОК