Введение

Перевод Б.Н. Бронина

Полевые транзисторы (ПТ) — это транзисторы, свойства которых совершенно отличаются от свойств рассмотренных в предыдущей главе обычных транзисторов, называемых также биполярными, чтобы подчеркнуть их отличие от ПТ. В расширенном толковании, однако, они имеют много общего, так что их можно определить как приборы, управляемые зарядом. В обоих случаях мы имеем прибор с тремя выводами, в котором проводимость между двумя электродами зависит от наличия носителей заряда, которое в свою очередь регулируется напряжением, приложенным к третьему управляющему электроду.

Теперь о том, чем они отличаются друг от друга. В биполярном n-p-n-транзисторе переход коллектор-база смещен в обратном направлении и обычно ток через него не течет. Подача на переход база-эмиттер напряжения около 0,6 В преодолевает «потенциальный барьер» диода, приводя к поступлению электронов в область базы, где они испытывают сильное притяжение со стороны коллектора. Хотя при этом через базу будет протекать некоторый ток, большинство такого рода «неосновных носителей» захватывается коллектором. Результатом является коллекторный ток, управляемый (меньшим по величине) током базы. Ток коллектора пропорционален скорости инжекции неосновных носителей в базу, которая является экспоненциальной функцией разности потенциалов база-эмиттер (уравнение Эберса-Молла).

Биполярный транзистор можно рассматривать как усилитель тока (с огрубленно постоянным коэффициентом усиления h21Э) или как прибор-преобразователь проводимости (Эберс-Молл). В полевом транзисторе, как следует из его названия, проводимостью канала управляет электрическое поле, создаваемое приложенным к затвору напряжением. Здесь нет прямосмещенных р-n-переходов, так что ток через затвор не течет и это, возможно, — наиболее важное преимущество ПТ перед биполярными транзисторами. Как и последние, ПТ бывают двух полярностей: n-канальные (с проводимостью за счет электронов) и р-канальные (с дырочной проводимостью). Эти полярности аналогичны уже известным нам соответственно n-p-n и p-n-p-транзисторам биполярного типа. Однако разнообразие ПТ этим не ограничивается, что может приводить к путанице. Во-первых, ПТ могут изготавливаться с затворами двух различных типов (в результате мы имеем ПТ с p-n-переходом и ПТ с изолированным затвором, так называемые МОП-транзисторы), а во-вторых, — двумя типами легирования канала (что дает ПТ обогащенного и обедненного типа).

Рассмотрим вкратце возможности, предоставляемые ПТ различного типа. Предварим, однако, это рассмотрение несколькими замечаниями общего плана. Наиболее важной характеристикой ПТ является отсутствие тока затвора. Получаемое, как следствие этого, высокое входное полное сопротивление (оно может быть больше 1014 Ом) существенно во многих применениях и в любом случае упрощает проектирование схем. В качестве аналоговых переключателей и усилителей со сверхвысоким входным полным сопротивлением ПТ не имеют себе равных. Сами по себе или в сочетании с биполярными транзисторами они легко встраиваются в интегральные схемы. В следующей главе мы увидим, насколько успешно это сделано при создании близких к совершенству (и фактически простых в использовании) операционных усилителей, а в гл. 8-11 будет показано, как интегральные схемы на МОП-транзисторах революционизировали цифровую электронику. Так как на малой площади в ИМС может быть размещено большее число слаботочных ПТ, то они особенно полезны для создания больших интегральных микросхем (БИС), применяемых в цифровой технике, таких как микрокалькуляторы, микропроцессоры и устройства памяти. Плюс к тому недавнее появление сильноточных ПТ (30 А или более) позволяет заменить биполярные транзисторы во многих применениях, зачастую получая более простые схемы с улучшенными параметрами.

3.01. Характеристики полевых транзисторов

Иной новичок буквально «впадает в столбняк», впрямую сталкиваясь с обескураживающим разнообразием типов ПТ (см., например, первое издание этой книги!), разнообразием, возникающим как следствие возможных комбинаций полярности (n- и p-канальные), вида изоляции затвора (ПТ с полупроводниковым переходом или МОП-транзисторы с изолятором в виде окисла), а также типа легирования канала (ПТ обогащенного или обедненного типа). Из восьми имеющихся в результате этих комбинаций возможностей шесть могли бы быть реализованы, а пять-реализованы на практике. Основной интерес представляют четыре случая из этих пяти.

Чтобы понять, как работает ПТ (и исходя из здравого смысла), будет правильно, если мы начнем только с одного типа, точно так, как мы сделали с биполярным npn-транзистором. Хорошо разобравшись с ПТ выбранного типа, мы в дальнейшем будем иметь минимум трудностей в изучении остальных членов этого семейства.

Входные характеристики ПТ. Рассмотрим вначале n-канальный МОП-транзистор обогащенного типа, биполярным аналогом которого является n-p-n-транзистор (рис. 3.1).

Рис. 3.1. αn-канальный МОП-транзистор; б — биполярный n-р-n-транзистор.

В нормальном режиме сток (или соответствующий ему коллектор) имеет положительный потенциал относительно истока (эмиттера). Ток от стока к истоку отсутствует, пока на затвор (базу) не будет подано положительное по отношению к истоку напряжение. В последнем случае затвор становится «прямосмещенным», и возникает ток стока, который весь проходит к истоку. На рис. 3.2 показано, как изменяется ток стока IС в зависимости от напряжения сток-исток UСИ, при нескольких значениях управляющего напряжения затвор-исток UЗИ.

Рис. 3.2. Измеренные семейства выходных характеристик n-канального МОП-транзистора VN0106 (а) и биполярного n-p-n-транзистора 2N3904 (б).

Для сравнения здесь же приведено соответствующее семейство кривых зависимости IК от U для обычного биполярного n-p-n-транзистора. Очевидно, что n-канальные МОП-транзисторы и биполярные n-p-n-транзисторы во многом схожи.

Подобно n-p-n-транзистору, ПТ имеет большое приращение полного сопротивления стока, в результате чего при напряжении UСИ свыше 1–2 В ток стока почти не меняется. Для этой области характеристик ПТ неудачно выбрано название «область насыщения», тогда как у биполярных транзисторов соответствующая область называется «активной». Подобно биполярному транзистору, чем больше смещение затвора ПТ относительно истока, тем больше ток стока. В любом случае поведение ПТ ближе к идеальным устройствам — преобразователям проводимости (постоянный ток стока при неизменном напряжении затвор-исток), чем биполярных транзисторов; согласно уравнению Эберса-Молла у биполярных транзисторов должны быть превосходные характеристики выходной проводимости, однако эти идеальные характеристики не достигаются из-за эффекта Эрли (см. разд. 2.10).

До сих пор ПТ выглядел подобно n-p-n-транзистору. Посмотрим, однако, на ПТ поближе. С одной стороны, свыше нормального диапазона ток насыщения стока растет довольно умеренно при увеличении напряжения затвора (UЗИ). Фактически он пропорционален (UЗИ - UП)2, где UП - «пороговое напряжение затвора», при котором начинает идти ток стока (для ПТ на рис. 3.2 UП ~= 1,63 В); сравните этот слабый квадратичный закон с крутой экспоненциальной зависимостью, данной нам Эберсом и Моллом. Во-вторых, постоянный ток затвора равен нулю, так что мы не должны смотреть на ПТ как на устройство, усиливающее ток (коэффициент усиления тока был бы равен бесконечности). Вместо этого будем рассматривать ПТ как характеризуемое крутизной устройство — преобразователь проводимости с программированием тока стока напряжением затвор-исток, — так, как это мы делали с биполярным транзистором в толковании Эберса-Молла. Напомним, что крутизна gm есть просто отношение iС/uСИ (как и обычно, строчные буквы используются, чтобы показать «малосигнальные» изменения параметра; т. е. iС/uСИ = δ/IС/UСИ). В-третьих, у МОП-транзистора затвор действительно изолирован от канала сток-исток; поэтому, в отличие от биполярных транзисторов (и от ПТ p-n-переходом, как мы далее увидим), можно подавать на него положительное (или отрицательное) напряжение до 10 В и более, не заботясь о диодной проводимости. И наконец, ПТ отличается от биполярного транзистора в так называемой линейной области графика, где его поведение довольно точно соответствует поведению резистора, даже при отрицательном UСИ; это оказывается очень полезным свойством, поскольку, как вы уже могли догадаться, эквивалентное сопротивление сток-исток программируется напряжением затвор-исток.

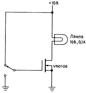
Два примера. В ПТ еще найдется, чем нас удивить. Однако прежде чем углубляться в детали, посмотрим на две простые переключающие схемы. На рис. 3.3 показан МОП-транзисторный эквивалент рис. 2.3, первого из рассмотренного нами насыщенного транзисторного переключателя.

Рис. 3.3. Ключ на МОП-транзисторе.

Схема на ПТ даже проще, поскольку здесь мы совершенно не должны заботиться о неизбежно возникшем ранее компромиссе между необходимостью задать соответствующий необходимый для переключения ток базы (рассматривая наихудший случай — минимальное значение h21Э в сочетании с сопротивлением холодной нити лампы) и исключить избыточное расходование энергии. Вместо этого мы всего лишь подаем на затвор, имеющий высокое полное входное напряжение, полное напряжение питания постоянного тока.

Поскольку включенный ПТ ведет себя как резистор с малым по сравнению с нагрузкой сопротивлением, потенциал стока станет при этом близок к потенциалу земли; типичный мощный МОП-транзистор имеет Rвкл < 0,2 Ом, что превосходно для данной задачи.

На рис. 3.4 показана схема «аналогового переключателя», которую вообще невозможно выполнить на биполярных транзисторах.

Рис. 3.4.

Идея этой схемы состоит в том, чтобы переключать проводимость ПТ из разомкнутого (затвор смещен в «обратном» направлении) в замкнутое состояние («прямое» смещение затвора), тем самым блокируя или пропуская аналоговый сигнал (позже мы увидим множество причин выполнять такого рода вещи). В данном случае мы должны лишь обеспечить, чтобы на затвор подавалось более отрицательное переключающее напряжение, чем любой размах входного переключаемого сигнала (ключ разомкнут) или на несколько вольт более положительное, чем любой входной сигнал (ключ замкнут). Биполярные' транзисторы для такой схемы непригодны, поскольку база проводит ток и образует с коллектором и эмиттером диоды, что приводит к опасному эффекту «защелкивания». В сравнении с этим МОП-транзистор восхитительно прост, нуждаясь лишь в подаче на затвор (являющийся практически разомкнутой цепью) напряжения, равного размаху входного аналогового сигнала.

Будьте, однако, внимательны: наше рассмотрение этой схемы было до некоторой степени упрощением — например, мы игнорировали влияние емкости затвор-канал, а также вариации Rвкл при изменении сигнала. Позже мы еще поговорим об аналоговых ключах.

3.02. Типы ПТ

N-канальные, p-канальные ПТ. Теперь о генеалогическом древе. Во-первых, полевые транзисторы (как и биполярные) могут выпускаться обеих полярностей. Таким образом, зеркальным отображением нашего n-канального МОП-транзистора является p-канальный МОП-транзистор. Его характеристики симметричны и напоминают характеристики р-n-р-транзистора: сток нормально имеет отрицательное смещение по отношению к истоку, и ток стока будет проходить, если на затвор подать отрицательное по отношению к истоку напряжение не менее одного-двух вольт. Симметрия несовершенна, поскольку носителями являются не электроны, а дырки с меньшей «подвижностью» и «временем жизни неосновных носителей». Эти параметры полупроводника важны для свойств транзисторов, а выводы стоит запомнить: p-канальные ПТ имеют обычно более плохие характеристики, а именно более высокое пороговое напряжение, более высокое Rвкл и меньший ток насыщения.

МОП-транзисторы, ПТ с р-n-переходом. У МОП-транзисторов (металл-окисел-полупроводник) затвор изолирован от проводящего канала тонким слоем SiO2 (стекла), наращенного на канал (рис. 3.5).

Рис. 3.5. N-канальный МОП-транзистор.

Затвор, который может быть металлическим или легированным полупроводником, действительно изолирован от цепи исток-сток (характеристическое сопротивление > 1014 Ом) и действует на проводимость канала только своим электрическим полем. Иногда МОП-транзисторы называют полевыми транзисторами с изолированным затвором. Изолирующий слой довольно тонкий, обычно его толщина не превышает длины волны видимого света и он может выдержать напряжение затвора до ±20 В и более.

МОП-транзисторы просты в применении, поскольку на затвор можно подавать напряжение любой полярности относительно истока, и при этом через затвор не будет проходить никакой ток. Эти транзисторы, однако, в большой степени подвержены повреждениям от статического электричества, вы можете вывести из строя устройство на МОП-транзисторах буквально одним прикосновением.

Символическое изображение МОП-транзистора показано на рис. 3.6.

Рис. 3.6. a)n-канальный и б)p-канальный МОП-транзисторы.

Здесь представлен дополнительный вывод, «тело» или «подложка»-кусок кремния, на котором выполнен ПТ (см. рис. 3.5). Так как подложка образует с каналом диодное соединение, напряжение на ней должно быть ниже напряжения проводимости. Она может быть соединена с истоком или с точкой схемы, в которой напряжение ниже (выше), чем у истока n-канального (р-канального) МОП-транзистора.

Обычно на схемах вывод подложки не показывается; более того, часто инженеры используют символ с симметричным затвором. К сожалению, при этом не остается ничего, что позволило бы вам отличить сток от истока, но что еще хуже, нельзя отличить n-канальный транзистор от p-канального! В этой книге мы будем использовать только нижние схемные изображения, дабы исключить недоразумения, хотя часто мы будем оставлять вывод подложки неподключенным.

В ПТ с p-n-переходом затвор образует с расположенным под ним каналом полупроводниковый переход. Это влечет за собой важное следствие, состоящее в том, что в ПТ с p-n-переходом во избежание прохождения тока через затвор последний не должен быть смещен в прямом направлении относительно канала. Например, у n-канального ПТ с p-n-переходом диодная проводимость будет наблюдаться по мере того как напряжение на затворе приближается к 4–0,6 В по отношению к концу канала с более отрицательным потенциалом (обычно это исток). Поэтому затвор работает, будучи смещен в обратном направлении по отношению к каналу, и в цепи затвора нет никакого тока, кроме тока утечки. Схемные изображения ПТ с p-n-переходом представлены на рис. 3.7.

Рис. 3.7. a)n-канальный и б)p-канальный ПТ с p-n-переходом.

И вновь мы предпочитаем символические обозначения со смещенным затвором, что позволяет идентифицировать исток. Как мы увидим далее, ПТ (как с p-n-переходом, так и МОП-транзисторы) почти симметричны, но обычно они изготавливаются таким образом, чтобы получить емкость между стоком и затвором меньше, чем емкость между истоком и затвором, вследствие чего использовать сток в качестве выходного вывода предпочтительнее.

Обогащение, обеднение. N-канальный МОП-транзистор, с которого мы начали эту главу, не проводил ток при нулевом (или отрицательном) смещении затвора и начинал проводить, когда затвор становился положительно смещен относительно истока. Этот тип ПТ известен как ПТ обогащенного типа. Имеется и другая возможность изготовления n-канального ПТ, когда полупроводник канала «легирован» так, что даже при нулевом смещении затвора имеется значительная проводимость канала, и на затвор должно быть подано обратное смещение в несколько вольт для отсечки тока стока. Такой ПТ известен как прибор обедненного типа.

МОП-транзисторы могут быть изготовлены любой разновидности, поскольку здесь нет ограничения на полярность затвора. Однако ПТ с p-n-переходом допускают лишь одну полярность смещения затвора, а посему их выпускают только обедненного типа.

График зависимости тока стока от напряжения затвор-исток при фиксированном значении напряжения стока (рис. 3.8) может помочь нам уяснить, в чем состоит это различие.

Рис. 3.8. Обогащенные (1) и обедненные (2) ПТ отличаются только сдвигом напряжения затвор-исток (лог. масштаб).

МОП-транзистор обогащенного типа не проводит ток, пока напряжение затвора не станет положительным (имеются в виду n-канальные ПТ) по отношению к истоку, в то время как ток стока МОП-транзистора обедненного типа будет близок к максимальному при напряжении затвора, равном напряжению истока. В некотором смысле такое разбиение на две категории является искусственным, поскольку два графика на рис. 3.8 отличаются только на сдвиг по оси UЗИ. Вполне возможно было бы производство «промежуточных» МОП-транзисторов. Тем не менее эта разница становится существенной, когда дело доходит до проектирования схем.

Заметим, что ПТ с р-n-переходом — это всегда приборы обедненного типа и смещение затвора относительно истока не должно быть больше приблизительно +0,5 В (для n-канала), иначе появится проводимость в диодном переходе затвор-канал. МОП-транзисторы могут быть обогащенными или обедненными, но на практике редко можно встретить последние (исключением являются n-канальные ПТ на GaAs и каскодные пары со «сдвоенным затвором» для радиочастотных применений). Отсюда следует, что во всех практически встречающихся случаях мы имеем дело только с ПТ с p-n-переходом обедненного типа либо с обогащенными МОП-транзисторами; и те и другие могут быть любой полярности, т. е. n-канальными либо p-канальными.

3.03. Общая классификация ПТ

Генеалогическое древо (рис. 3.9) и карта входных/выходных напряжений при заземленном истоке (рис. 3.10) помогают разобраться в ситуации.

Рис. 3.9.

Рис. 3.10.

Различные приборы (включая весь «букет» биполярных nрn- и pnp-транзисторов) нарисованы в квадрантах, характеризующих их входное и выходное напряжение в активной области при заземленном истоке (или эмиттере). При этом вовсе не обязательно запоминать свойства каждого из пяти представленных здесь типов ПТ, поскольку они в основном одинаковы.

Во-первых, при заземленном истоке ПТ включается (переходит в проводящее состояние) путем смещения напряжения затвора в сторону напряжения питания стока. Это верно как для всех пяти типов ПТ, так и для биполярных транзисторов. Например, для n-канального ПТ с р-n-переходом (который автоматически является обедненным) используется положительное напряжение питания стока, как и для всех n-канальных приборов. Таким образом, этот ПТ включается положительным смещением затвора. Здесь есть тонкость, состоящая в том, что у приборов обедненного типа для получения нулевого тока стока затвор должен иметь обратное смещение, в то время как у приборов обогащенного типа достаточно для этой цели нулевого напряжения на затворе.

Во-вторых, в связи с примерной симметрией истока и стока любой из этих выводов может работать как исток (исключение составляют мощные МОП-транзисторы, у которых подложка внутри корпуса соединена с истоком). При изучении работы ПТ, а также при расчетах за исток принимается вывод, наиболее «удаленный» по напряжению от активного питания стока. Например, допустим, что ПТ используется для замыкания на землю некоторой линии, в которой присутствуют как положительные, так и отрицательные сигналы. Обычно такая линия подключается к стоку ПТ. Если в качестве ключа взят n-канальный МОП-транзистор обогащенного типа и если случится, что в выключенном состоянии напряжение на стоковом выводе будет отрицательным, то для подсчета отпирающего напряжения затвора этот вывод следует считать в действительности «истоком». Это означает, что для обеспечения надежного запирания ключа отрицательное напряжение на затворе должно быть не только уровня «земли», но и превышать (по абсолютной величине) наибольший отрицательный сигнал.

Характеристики, приведенные на рис. 3.11, помогут вам разобраться в этих запутанных вопросах.

Рис. 3 11. Характеристики ПТ различных типов и полярностей (лог. масштаб).

1 — обогащенный p-канальный МОП-транзистор; 2 — обогащенный n-канальный МОП-транзистор; 3n-канальный ПТ с p-n-переходом; 4p-канальный ПТ с p-n-переходом.

Еще раз отметим, что разница между обогащенными и обедненными приборами выражается только в сдвиге вдоль оси UЗИ, т. е. имеется ли большой ток стока или нет совсем никакого тока при напряжении затвора равном напряжению истока. Полевые n-канальные и p-канальные транзисторы симметричны друг другу в том же смысле, в каком являются таковыми биполярные n-р-n- и p-n-p-транзисторы.

На рис. 3.11 мы использовали стандартные обозначения для таких важных параметров ПТ, как ток насыщения и напряжение отсечки. Для ПТ с p-n-переходом величина тока стока при замкнутых накоротко затворе и истоке обозначается в спецификациях как IСИ нач; она близка к величине максимально допустимого тока стока. (IСИ нач означает ток от стока к истоку при короткозамкнутых затворе и истоке. Здесь и далее в этой главе мы приводим эту нотацию, в которой первые две буквы индекса обозначают соответствующие выводы, а за ними указывается состояние.) Для обогащенных МОП-транзисторов аналогичной спецификацией является IСИ вкл, при некотором заданном напряжении прямого смещения затвора (IСИ нач у любого прибора с обогащением был бы равен нулю).

Для ПТ с p-n-переходом напряжение затвор-исток, при котором ток стока становится равен нулю, называется «напряжением отсечки» (Uотс) или «напряжением выключения» (UЗИ выкл) и типичное его значение лежит в диапазоне от —3 до —10 В (для p-канального прибора оно, разумеется, положительное). Для обогащенного МОП-транзистора аналогичная величина называется «пороговое напряжение», UП (или UЗИ пор), — это напряжение перехода затвор-исток, при котором начинает проходить ток стока. Типичная величина UП составляет 0,5–5 В, разумеется в «прямом» направлении. Читая литературу по электронике на английском языке, не спутайте случайно UП (обозначаемое там как VT) с VT в уравнении Эберса — Молла, которое обозначает ток коллектора биполярного транзистора; у этих двух величин нет ничего общего.

Имея дело с ПТ, легко запутаться в полярностях. Например, n-канальное устройство, у которого обычно сток положителен по отношению к истоку, может иметь положительное или отрицательное напряжение на затворе, а также положительное (обогащенный тип) или отрицательное (обедненный тип) пороговое напряжение. Еще более усложняет дело то, что сток может быть (и часто бывает) отрицателен по отношению к истоку. Все эти рассуждения, конечно, справедливы с заменой знаков для p-канальных устройств. В дальнейшем, чтобы свести к минимуму ошибки, мы будем всегда иметь в виду n-канальные устройства, если не оговорено противное. Аналогичным образом, поскольку МОП-транзисторы почти всегда обогащенные, а ПТ с p-n-переходом всегда обедненного типа, мы будем далее опускать эти их определения.

3.04. Выходные характеристики ПТ

На рис. 3.2 мы показывали семейство кривых зависимости IC от UСИ, измеренных для n-канального обогащенного МОП-транзистора VN0106. (Транзисторы семейства VN01 работают в различных диапазонах напряжений, что отражается в двух последних цифрах полного обозначения. Например, VN0106 рассчитан на напряжение 60 В.) Мы уже отмечали, что ПТ ведут себя как хорошие преобразователи проводимости (т. е. IC почти не изменяется при заданном UЗИ) практически во всем диапазоне изменения UСИ, за исключением его малых значений, где они проявляют себя как сопротивление (т. е. IС пропорционален UСИ). В обоих случаях приложенное к переходу затвор-исток напряжение управляет поведением ПТ, которое хорошо можно описать аналогом уравнения Эберса-Молла для ПТ. Посмотрим на эти две области более подробно.

На рис. 3.12 схематически представлена указанная ситуация.

Рис. 3.12.

В обеих областях ток стока зависит от UЗИ - UП, величины, на которую напряжение затвор-исток превышает пороговое напряжение (или напряжение отсечки). Линейная область, в которой ток стока приблизительно пропорционален UЗИ, простирается до напряжения UЗИ нас, после чего ток стока почти не изменяется. Крутизна наклона линейного участка, IС/UСИ, пропорциональна напряжению смещения, UЗИ - UП. Далее, напряжение стока UСИ нас, при котором кривая «выходит на насыщение», равно UЗИ - UП, в результате чего ток насыщения, UС нас, становится пропорционален (UЗИ - UП)2 — квадратичный закон, о котором мы упоминали ранее. Итак, имеем универсальные формулы для определения тока стока ПТ:

IС = 2k[(UСИUП)UСИ — 0,5U2СИ] (линейный участок)

IС = k[(UЗИUП)2 (участок насыщения)

Если мы назовем UЗИ — UП (величину, на которую напряжение затвор-исток превышает порог) «напряжением возбуждения затвора», то можно сформулировать три важных результата из сказанного: а) удельное сопротивление ПТ в линейной области обратно пропорционально напряжению возбуждения, б) линейный участок простирается вплоть до напряжения, равного напряжению возбуждения и в) ток насыщения стока пропорционален напряжению возбуждения в квадрате.

Приведенные выражения предполагают, что подложка соединена с истоком. Обратите внимание на то, что «линейный участок» не является строго линейным, поскольку формула содержит нелинейный член U2СИ; позже мы покажем остроумную схему, фиксирующую эту составляющую.

Масштабный коэффициент k зависит от таких параметров, как геометрия ПТ, емкость слоя окисла и подвижность носителей. У этой постоянной отрицательный температурный коэффициент:

k ~ T-3/2.

Этот эффект сам по себе приводил бы к уменьшению IС с увеличением температуры. Однако это компенсируется тем, что UП также в слабой степени зависит от температуры с коэффициентом 2–5 мВ/°С; суммарный эффект дает зависимость тока стока от температуры, показанную на рис. 3.13.

Рис. 3.13. Зависимости IС (UЗИ) n-канального МОП-транзистора 2Ν4351 (квадратичный масштаб вертикальной оси).

При больших токах стока убывание коэффициента к с ростом температуры влечет уменьшение тока стока — настоящее тепловое бегство! Как следствие этого, ПТ какого-нибудь одного типа могут быть соединены параллельно без токовыравнивающих резисторов, в отличие от биполярных транзисторов, где «резисторный балласт» в цепях эмиттеров необходим (см. разд. 6.07). Этот же отрицательный температурный коэффициент предотвращает также тепловую гонку на локальном участке перехода (эффект, известный под названием «прогиб тока»), которая серьезно ограничивает допустимую мощность рассеяния больших биполярных транзисторов, как мы увидим при обсуждении «вторичного пробоя» и «площади безопасной работы» в гл. 6.

При малых токах стока (когда доминирует температурная зависимость UП) IС растет с ростом температуры и точка перехода от возрастания к убыванию находится при некотором промежуточном значении тока стока. Этот эффект используется в операционных усилителях на ПТ для минимизации температурного дрейфа, как мы увидим в следующей главе.

Субпороговая область. Приведенное выше выражение для тока насыщения стока непригодно для очень малых значений тока стока. Этот диапазон известен как «субпороговая» область, где канал находится ниже порога проводимости, однако некоторый ток все-таки проходит за счет небольшой вероятностной популяции электронов с большим тепловым возбуждением. Если вы изучали физику или химию, то, возможно, знаете из того, что проходили, что результирующий ток имеет экспоненциальную зависимость:

IС = k·exp(UЗИUП)

Мы измерили ток стока некоторых МОП-транзисторов в диапазоне изменения его на 9 декад (от 1 нА до 1 А) и построили графики зависимости IС от UЗИ (рис. 3.14).

Рис. 3.14. Измеренные графики зависимости тока стока от напряжения затвор-исток для двух типов МОП-транзисторов.

Диапазон от 1 нА до 1 мА очень точно соответствует экспоненте; выше этого субпорогового участка кривые входят в нормальную область насыщения. Для n-канальных МОП-транзисторов (типа VN01) мы проверили выборку из 20 транзисторов (четырех разных изготовителей, разброс выпуска — 2 года) и нанесли диапазон разноса значений, чтобы получить представление о их вариабельности (см. следующий разд.). Обратите внимание на несколько худшие характеристики (UП, IС вкл) «комплементарного» транзистора VP01.

3.05. Производственный разброс характеристик ПТ

Перед тем как рассматривать какие-нибудь схемы, оценим сначала диапазон параметров ПТ (таким как IСИ нач и UП), а также их «разброс» среди приборов одного типа с целью получения более полного представления о ПТ. К сожалению, многие характеристики ПТ имеют разброс намного больше, чем соответствующие характеристики биполярных транзисторов, — факт, который проектировщик должен помнить. Например, в паспорте на VN01 (типичный n-канальный МОП-транзистор) оговорено, что UП может составлять от 0,8 до 2,4 В (при IС = 1 мА), в сравнении с тем, что аналогичный параметр биполярного npn-транзистора, UБЭ имеет разброс от 0,63 до 0,83 В (также при IК = 1 мА). Итак, вот что мы можем ожидать:

В этой таблице RСИ вкл — сопротивление сток-исток (линейная область, т. е. малое напряжение UЗИ) для полностью открытого ПТ, т. е. при заземленном затворе в случае ПТ с p-n-переходом или при большом (обычно принимается 10 В) напряжении затвор-исток у МОП-транзистора. IСИ нач и IС вкл ~ значения тока стока в области насыщения (большое UСИ) при тех же самых отпирающих условиях возбуждения затвора. Uотс есть напряжение отсечки (ПТ с p-n-переходом), UП — пороговое напряжение затвора (МОП-транзисторы), а UСИ пр и UЗИ пр — соответствующие напряжения пробоя. Как можно видеть, ПТ с заземленным истоком может быть хорошим источником тока, но нельзя точно предсказать, каким будет этот ток. Напряжение UЗИ, при котором получается заданный ток стока, может заметно варьировать в отличие от предсказуемого (~= 0,6 В) UБЭ у биполярных транзисторов.

Согласование характеристик. Как вы можете видеть, ПТ уступают биполярным транзисторам в предсказуемости UЗИ, т. е. значения UЗИ, обеспечивающие заданный IС, имеют большой разброс. Приборы, обладающие большим разбросом, будут, вообще говоря, давать больший сдвиг (напряжение небаланса), если их применять в качестве дифференциальных пар. Например, типичный серийный биполярный транзистор дает разброс UБЭ в 50 мВ или около того при некотором заданном токе коллектора без всякого отбора транзисторов (берем подряд любой прибор, имеющийся под рукой). Соответствующая цифра для МОП-транзисторов — более 1 В! Но поскольку ПТ обладают весьма желательными характеристиками, имеет смысл затратить некоторые дополнительные усилия для уменьшения сдвига путем изготовления согласованных пар.

Проектировщики ИС пользуются такими приемами как перемежающаяся (гребенчатая) структура (два прибора разделяют между собой один и тот же участок подложки ИС) и выравнивание температурных градиентов в схеме между приборами (рис. 3.15).

Рис. 3.15. Гребенчатая структура (а) и температурно-градиентная компенсация (б).

Получаемые результаты впечатляют. Хотя ПТ не могут сравняться с биполярными транзисторами в согласованности UЗИ, их параметры вполне пригодны для большинства применений. Например, наилучшим образом согласованная пара ПТ имеет сдвиг 0,5 мВ и температурный коэффициент 5 мкВ/°С (макс), в то время как у лучшей биполярной пары эти значения будут 25 мкВ и 0,6 мкВ/°С, грубо говоря, в 10 раз лучше. Операционные усилители (универсальные дифференциальные усилители с высоким коэффициентом усиления, о которых мы будем говорить в следующей главе) выпускаются как на полевых, так и на биполярных транзисторах; для высокоточных применений вы сможете, вообще говоря, выбрать ОУ с биполярной «начинкой», (ввиду тесного согласования входных транзисторов по UБЭ), в то время как ОУ с ПТ-входом, очевидно, является наилучшим выбором для высокоомных схем (их входы — затворы ПТ — не потребляют тока). Например, недорогой ОУ типа LF 411 со входом на ПТ с р-n-переходом, который мы используем повсеместно в схемах, приводимых в следующей главе, имеет типичное значение входного тока 50 пА и стоит 60 цент; популярный TLC212 со входом на МОП-транзисторах стоит примерно столько же и имеет типичное значение входного тока всего 1 пА! Для сравнения укажем, что обычный биполярный ОУ μΑ741 имеет типичное значение входного тока 80 000 пА (80 нА).

В табл. 3.1–3.3 дан перечень типичных ПТ с p-n-переходом (как одиночных, так и сдвоенных) и малосигнальных МОП-транзисторов. Мощные МОП-транзисторы, которые мы рассмотрим в разд. 3.14, перечислены в табл. 3.5.

Более 800 000 книг и аудиокниг! 📚

Получи 2 месяца Литрес Подписки в подарок и наслаждайся неограниченным чтением

ПОЛУЧИТЬ ПОДАРОК