Некоторые типы усилительных каскадов

2.15. Двухтактные выходные каскады

В этой главе уже было отмечено, что если в эмиттерном повторителе используется транзистор n-р-n-типа, то ток не может втекать в схему, если же используется транзистор р-n-р-типа, то ток не может вытекать. В результате повторитель с несимметричным выходом, в котором используются расщепленные источники питания, а ток покоя имеет большую величину, при двуполярном сигнале может работать только на заземленную нагрузку (такие схемы называют иногда усилителями класса А). Ток покоя должен быть по крайней мере таким же большим, как максимальный выходной ток при пиковых значениях сигнала, в результате схема в состоянии покоя рассеивает большую мощность. Например, на рис. 2.54 показана схема повторителя, который работает на нагрузку с сопротивлением 8 Ом и мощностью до 10 Вт.

Рис. 2.54. Усилитель громкоговорителя на 10 Вт, построенный на основе эмиттерного повторителя с однополюсным выходом, рассеивает мощность 165 Вт!

Повторитель T1 на транзисторе р-n-р-типа служит для того, чтобы снизить требования к мощности входного сигнала схемы и скомпенсировать напряжение смещения UБЭ в транзисторе Т2 (напряжение 0 В на входе дает 0 В на выходе). Конечно, для простоты Т1 можно было бы опустить. Большой источник тока, используемый в качестве нагрузки в цепи эмиттера Т1, служит для того, чтобы обеспечить достаточный базовый ток для Т2 при пиковом значении сигнала. Резистор в цепи эмиттера не используют потому, что он должен был бы иметь слишком малое сопротивление (50 Ом или меньше), для того чтобы при пиковом значении сигнала можно было гарантировать базовый ток Т2, равный по крайней мере 50 мА; при этом ток нагрузки был бы максимальным, а падение напряжения на резисторе минимальным; результирующий ток покоя T1 оказался бы чрезмерно большим.

Выходной сигнал схемы может изменяться в диапазоне ±15 В (пиковые значения) и отдавать в нагрузку требуемую мощность (эффективное напряжение 9 В на сопротивлении 8 Ом). Однако в отсутствие сигнала, выходной транзистор рассеивает мощность 55 Вт, а эмиттерный резистор — еще 110 Вт. Для усилителей такого типа, принадлежащих к классу А (транзистор всегда в открытом состоянии), характерно, что мощность, рассеиваемая в состоянии покоя, во много раз превышает максимальную выходную мощность; схема оставляет желать лучшего, особенно если речь идет о системах, связанных с большим выделением мощности.

На рис. 2.55 показана двухтактная схема повторителя, которая работает аналогичным образом.

Рис. 2.55. Двухтактная схема эмиттерного повторителя.

Транзистор Τ1 открыт при положительных значениях сигнала, а транзистор Т2 — при отрицательных. При нулевом входном напряжении коллекторного тока нет и мощность не рассеивается. При выходной мощности 10 Вт каждый транзистор рассеивает мощность менее 10 Вт.

Переходные искажения в двухтактных каскадах. Предыдущей схеме присуще следующее свойство: выходной сигнал отслеживает входной сигнал с разницей на величину падения напряжения UБЭ; на положительном интервале входного сигнала выходное напряжение примерно на 0,6 В меньше, чем входное, на отрицательном интервале наоборот. Для синусоидального входного сигнала выходной сигнал будет таким, как показано на рис. 2.56.

Рис. 2.56. Переходные искажения в двухтактном повторителе.

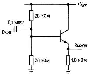
На языке радиотехники такое искажение сигнала называется переходным искажением. Лучше всего немного сместить двухтактный каскад в состояние проводимости, как показано на рис. 2.57 (еще один метод устранения переходного искажения связан с использованием обратной связи, хотя он имеет некоторые недостатки).

Рис. 2.57. Устранение переходных искажений за счет смещения двухтактного повторителя.

Резисторы смещения R переводят диоды в состояние проводимости, благодаря этому напряжение на базе Τ1 превышает входное напряжение на величину падения напряжения на диоде, а напряжение на базе Т2 на величину падения напряжения на диоде меньше, чем входное напряжение. Теперь, когда входной сигнал проходит через нуль, проводящим транзистором вместо Т2 становится Τ1; один из выходных транзисторов всегда открыт.

Резистор R выбран так, чтобы обеспечивался необходимый базовый ток в выходных транзисторах при пиковых значениях выходного сигнала. Например, если используются источники питания ±20 В, а нагрузка имеет сопротивление 8 Ом и мощность 10 Вт для синусоидального сигнала, пиковое базовое напряжение составляет около 13,5 В, а пиковый ток нагрузки 1,6 А. Допустим, что коэффициент β транзистора равен 50 (мощные транзисторы обычно имеют меньший коэффициент усиления по току, чем малосигнальные транзисторы), тогда для получения базового тока, равного 32 мА, потребуются базовые резисторы с сопротивлением 220 Ом (при пиковом значении сигнала ток базы будет определяться напряжением 6,5 В, равным разности 13,5 В и напряжения источника питания UKK).

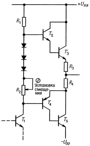
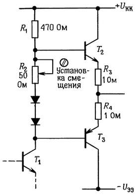
Температурная стабильность двухтактных усилителей класса В. Рассмотренный выше усилитель (иногда такие схемы называют усилителями класса В, при этом имеют в виду, что каждый транзистор находится в открытом состоянии только в течение половины периода входного сигнала) имеет один серьезный недостаток: он не обладает температурной стабильностью. По мере того как выходные транзисторы нагреваются (когда приложен входной сигнал, они нагреваются, так как рассеивают мощность), напряжение UБЭ начинает убывать, а коллекторный ток покоя — возрастать. Выделяющееся при этом дополнительное тепло усугубляет положение и повышает вероятность того, что в схеме разовьется неконтролируемая тепловая положительная обратная связь (эта вероятность зависит от ряда факторов: насколько велик радиатор для отвода тепла, совпадает ли температура диодов с температурой транзисторов и др.). Даже если этого не произойдет и схема не выйдет из строя, необходимо обеспечить более надежное управление ее работой; обычно прибегают к схеме, показанной на рис. 2.58.

Рис. 2.58. Увеличение температурной стабильности двухтактного повторителя за счет включения в схему небольших эмиттерных резисторов.

Для примера здесь показан случай, когда входной сигнал снимается с коллектора предшествующего каскада; резистор выполняет двойную функцию: он является коллекторным резистором транзистора Т1 и формирует ток для смещения диодов и смещающего резистора в основной двухтактной схеме. Резисторы R3 и R4 обычно имеют сопротивление несколько ом или ниже; они «амортизируют» критическое смещение тока покоя: напряжение между базами выходных транзисторов должно быть немного больше, чем удвоенное падение напряжения на диоде; дополнительное падение напряжения обеспечивает регулируемый резистор смещения R2 (его часто заменяют еще одним диодом).

Падение напряжения на резисторах R3 и R составляет несколько десятых долей вольта, благодаря этому температурное изменение напряжения UБЭ не приводит к быстрому возрастанию тока (чем больше падение напряжения на R3 и R4, тем менее чувствителен к температуре ток) и схема работает стабильно. Стабильность увеличивается, если диоды имеют тепловой контакт с выходными транзисторами (или их радиаторами).

Температурную стабильность схемы можно оценить, если вспомнить, что падение напряжения между базой и эмиттером уменьшается примерно на 2,1 мВ при увеличении температуры на каждый градус (°С), а коллекторный ток увеличивается в 10 раз при каждом увеличении напряжения между базой и эмиттером на 60 мВ. Например, если резистор R2 заменить диодом, то напряжение между базами транзисторов Т2 и Т3 будет равно утроенному падению напряжения на диоде, а на последовательное соединение резисторов R3 и Rбудет приходиться падение напряжения, равное падению напряжения на диоде. (Следовательно, резисторы R3 и R должны быть подобраны таким образом, чтобы обеспечивался нужный ток покоя, например 50 мА для усилителя звуковых частот.) Самым худшим для этой схемы является случай, когда смещающие диоды не имеют теплового контакта с выходными транзисторами.

Рассмотрим такой самый худший случай и вычислим увеличение тока покоя выходного каскада, соответствующее повышению температуры выходного транзистора на 30 °C. Кстати, для усилителя мощности такое увеличение температуры не является большим. Указанное повышение температуры при постоянном значении тока приводит к уменьшению напряжения UБЭ выходных транзисторов приблизительно на 63 мВ и к увеличению падения напряжения на резисторах R3 и R приблизительно на 20 % (т. е. приблизительно на 20 % увеличивается ток покоя). Для усилителя без эмиттерных резисторов (рис. 2.57) аналогичный расчет показывает, что ток покоя увеличится в 10 раз (напомним, что ток IК увеличивается в 10 раз при возрастании напряжения UБЭ на 60 мВ), т. е. его рост составит 1000 %. Очевидно, что температурная стабильность последней схемы с резисторами смещения в цепях эмиттеров значительно выше.

Еще одно преимущество этой схемы состоит в том, что регулировка тока покоя позволяет управлять величиной переходных искажений. Двухтактные усилители, в которых смещение используется для получения достаточно большого тока покоя в момент перехода сигнала через нуль, называют иногда усилителями класса АВ; это название подразумевает, что в течение некоторого интервала времени оба транзистора находятся в состоянии проводимости. Практически при выборе тока покоя следует найти компромисс между уменьшением искажения и рассеиваемой мощностью в состоянии покоя. Почти всегда для ослабления переходного искажения используют еще обратную связь, о которой пойдет речь в следующей главе.

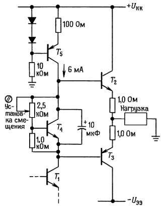
Другой метод смещения двухтактного повторителя представлен на рис. 2.59.

Рис. 2.59. Схема задания смещения двухтактного выходного каскада для уменьшения переходных искажений и повышения температурной стабильности.

Транзистор Т4 работает как регулируемый диод: базовые резисторы образуют делитель напряжения, благодаря которому напряжение между коллектором и эмиттером Т4 стабилизируется при значении, пропорциональном напряжению между базой и эмиттером (оно равно падению напряжения на диоде); при увеличении напряжения UКЭ транзистор переходит в режим большей проводимости, и наоборот. Например, если оба резистора имеют сопротивления 1 кОм, то транзистор удерживает напряжение между коллектором и эмиттером, равное удвоенному падению напряжения на диоде. В показанном на рис. 2.59 случае регулировка смещения позволяет установить напряжение между базами в диапазоне от 1 до 3,5 падения напряжения на диоде. Конденсатор емкостью 1 мкФ служит для того, чтобы на базы выходных транзисторов поступил одинаковый сигнал: такой шунтирующий конденсатор полезен в любой схеме смещения. В данной схеме коллекторный резистор транзистора Т1 заменен источником тока Т5. Эту разновидность схемы с успехом используют на практике — дело в том, что с помощью резистора бывает иногда трудно получить нужный базовый ток для транзистора Т2 при значениях сигнала, близких к максимальным.

Для того чтобы удовлетворить требованиям со стороны транзистора Т2, резистор должен быть небольшим, но тогда большим будет коллекторный ток покоя транзистора Т1 (рассеиваемая мощность также будет велика), а коэффициент усиления по напряжению также будет небольшим (напомним, что К = —RK/RЭ). Задачу формирования базового тока для транзистора Т2 позволяет решить также метод следящей связи, который мы рассмотрим ниже.

2.16. Составной транзистор (схема Дарлингтона)

Если соединить транзисторы, как показано на рис. 2.60, то полученная схема будет работать как один транзистор, причем его коэффициент β будет равен произведению коэффициентов β составляющих транзисторов.

Рис. 2.60. Составной транзистор Дарлингтона.

Этот прием полезен для схем, работающих с большими токами (например, для стабилизаторов напряжения или выходных каскадов усилителей мощности) или для входных каскадов усилителей, если необходимо обеспечить большой входной импеданс.

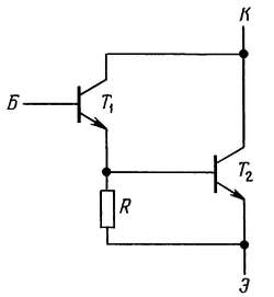
В транзисторе Дарлингтона падение напряжения между базой и эмиттером в два раза больше обычного, а напряжение насыщения равно по крайней мере падению напряжения на диоде (так как потенциал эмиттера транзистора Т1 должен превышать потенциал эмиттера транзистора Т2 на величину падения напряжения на диоде). Кроме того, соединенные таким образом транзисторы ведут себя как один транзистор с достаточно малым быстродействием, так как транзистор Т1 не может быстро выключить транзистор Т2. С учетом этого свойства обычно между базой и эмиттером транзистора Т2 включают резистор (рис. 2.61).

Рис. 2.61. Повышение скорости выключения в составном транзисторе Дарлингтона.

Резистор R предотвращает смещение транзистора Т2 в область проводимости за счет токов утечки транзисторов Т1 и Т2. Сопротивление резистора выбирают так, чтобы токи утечки (измеряемые в наноамперах для малосигнальных транзисторов и в сотнях микроампер для мощных транзисторов) создавали на нем падение напряжения, не превышающее падения напряжения на диоде, и вместе с тем чтобы через него протекал ток, малый по сравнению с базовым током транзистора Т2. Обычно сопротивление R составляет несколько сотен ом в мощном транзисторе Дарлингтона и несколько тысяч ом в малосигнальном транзисторе Дарлингтона.

Промышленность выпускает транзисторы Дарлингтона в виде законченных модулей, включающих, как правило, и эмиттерный резистор. Примером такой стандартной схемы служит мощный n-р-n-транзистор Дарлингтона типа 2N6282, его коэффициент усиления по току равен 4000 (типичное значение) для коллекторного тока, равного 10 А.

Соединение транзисторов по схеме Шиклаи (Sziklai). Соединение транзисторов по схеме Шиклаи представляет собой схему, подобную той, которую мы только что рассмотрели. Она также обеспечивает увеличение коэффициента β. Иногда такое соединение называют комплементарным транзистором Дарлингтона (рис. 2.62).

Рис. 2.62. Соединение транзисторов по схеме Шиклаи («дополняющий транзистор Дарлингтона»).

Схема ведет себя как транзистор n-р-n-типа, обладающий большим коэффициентом β. В схеме действует одно напряжение между базой и эмиттером, а напряжение насыщения, как и в предыдущей схеме, равно по крайней мере падению напряжения на диоде. Между базой и эмиттером транзистора Т2 рекомендуется включать резистор с небольшим сопротивлением. Разработчики применяют эту схему в мощных двухтактных выходных каскадах, когда хотят использовать выходные транзисторы только одной полярности. Пример такой схемы показан на рис. 2.63.

Рис. 2.63. Мощный двухтактный каскад, в котором использованы выходные транзисторы только n-р-n-типа.

Как и прежде, резистор представляет собой коллекторный резистор транзистора Τ1. Транзистор Дарлингтона, образованный транзисторами Т2 и Т3, ведет себя как один транзистор n-р-n-типа, с большим коэффициентом усиления по току. Транзисторы Т4 и Т5, соединенные по схеме Шиклаи, ведут себя как мощный транзистор p-n-p-типа с большим коэффициентом усиления. Как и прежде, резисторы R3 и R4 имеют небольшое сопротивление. Эту схему иногда называют двухтактным повторителем с квазидополнительной симметрией. В настоящем каскаде с дополнительной симметрией (комплементарном) транзисторы Т4 и Т5 были бы соединены по схеме Дарлингтона.

Транзистор со сверхбольшим значением коэффициента усиления по току. Составные транзисторы — транзистор Дарлингтона и ему подобные — не следует путать с транзисторами со сверхбольшим значением коэффициента усиления по току, в которых очень большое значение коэффициента h21Э получают в ходе технологического процесса изготовления элемента. Примером такого элемента служит транзистор типа 2N5962, для которого гарантируется минимальный коэффициент усиления по току, равный 450, при изменении коллекторного тока в диапазоне от 10 мкА до 10 мА; этот транзистор принадлежит к серии элементов 2N5961-2N5963, которая характеризуется диапазоном максимальных напряжений UКЭ от 30 до 60 В (если коллекторное напряжение должно быть больше, то следует пойти на уменьшение значения β). Промышленность выпускает согласованные пары транзисторов со сверхбольшим значением коэффициента β. Их используют в усилителях с низким уровнем сигнала, для которых транзисторы должны иметь согласованные характеристики; этому вопросу посвященразд. 2.18. Примерами подобных стандартных схем служат схемы типа LM394 и МАТ-01; они представляют собой транзисторные пары с большим коэффициентом усиления, в которых напряжение UБЭ согласовано до долей милливольта (в самых хороших схемах обеспечивается согласование до 50 мкВ), а коэффициент h21Э — до 1 %. Схема типа МАТ-03 представляет собой согласованную пару p-n-p-транзисторов.

Транзисторы со сверхбольшим значением коэффициента β можно объединять по схеме Дарлингтона. При этом базовый ток смещения можно сделать равным всего лишь 50 пкА (примерами таких схем служат операционные усилители типа LM111 и LM316.

2.17. Следящая связь

При задании напряжения смещения, например в эмиттерном повторителе, резисторы делителя в цепи базы выбирают так, чтобы делитель по отношению к базе выступал в качестве жесткого источника напряжения, т. е. чтобы сопротивление параллельно включенных резисторов было значительно меньше, чем входное сопротивление схемы со стороны базы. В связи с этим входное сопротивление всей схемы определяется делителем напряжения — для сигнала, поступающего на ее вход, входное сопротивление оказывается гораздо меньше, чем это действительно необходимо. На рис. 2.64 показан соответствующий пример.

Рис. 2.64.

Полное входное сопротивление схемы равно приблизительно 9 кОм, а сопротивление делителя напряжения для входного сигнала равно 10 кОм. Желательно, чтобы входное сопротивление всегда было большим, и уж во всяком случае неразумно нагружать источник входного сигнала схемы делителем, который в конечном счете нужен только для того, чтобы обеспечить смещение транзистора. Выйти из затруднения позволяет метод следящей связи (рис. 2.65).

Рис. 2.65. Повышение входного импеданса эмиттерного повторителя на частотах сигнала за счет включения в цепь следящей связи делителя, обеспечивающего смещение базы.

Смещение транзистора обеспечивают резисторы R1, R2, R3. Конденсатор С2 выбирают таким, чтобы его полное сопротивление на частотах сигнала было мало по сравнению с сопротивлением резисторов смещения. Как всегда смещение будет стабильным, если сопротивление его источника по постоянному току, приведенное в базе (в данном случае 9,7 кОм), значительно меньше сопротивления по постоянному току со стороны базы (в данном случае ~ 100 кОм). Но здесь входное сопротивление для частот сигнала не равно сопротивлению по постоянному току.

Рассмотрим путь прохождения сигнала: входной сигнал Uвх порождает сигнал на эмиттере uЭ ~= uвх, поэтому приращение тока, протекающего через резистор смещения R3, составит i = (uвхuЭ)/R3 ~= 0, т. е. Zвхuвх/iвх) ~= . Мы получили, что входное (шунтирующее) сопротивление схемы смещения очень велико для частот сигнала.

Другой подход к анализу схемы основан на том, что падение напряжения на резисторе R3 для всех частот сигнала одинаково (так как напряжение между его выводами изменяется одинаково), т. е. он представляет собой источник тока. Но сопротивление источника тока бесконечно. На самом деле фактическое значение сопротивления не бесконечно, так как коэффициент усиления повторителя немного меньше 1. Последнее вызывается тем, что падение напряжения между базой и эмиттером зависит от коллекторного тока, который изменяется при изменении уровня сигнала. Тот же результат можно получить, если рассмотреть делитель, образованный выходным сопротивлением со стороны эмиттера [rЭ = 25/IК(мА) Ом] и эмиттерным резистором. Если коэффициент усиления повторителя по напряжению обозначить А (А ~= 1), то действующее значение сопротивления R3 на частотах сигнала равно R3/(1 — А). На практике действующее значение сопротивления R3 больше его номинала приблизительно в 100 раз, и во входном сопротивлении преобладает входное сопротивление транзистора со стороны базы. В инвертирующем усилителе с общим эмиттером может быть выполнена аналогичная следящая связь, так как сигнал на эмиттере повторяет сигнал на базе. Обратите внимание, что схема делителя напряжения смещения запитывается по переменному току (на частотах сигнала) с низкоомного эмиттерного выхода, поэтому входному сигналу не приходится этим заниматься.

Следящая связь в коллекторной нагрузке. Принцип следящей связи можно использовать для увеличения действующего(эффективного) сопротивления коллекторного нагрузочного резистора, если каскад нагружен на повторитель. При этом существенно увеличится коэффициент усиления каскада по напряжению [напомним, что KU = — gmRK, а gm = 1/(R3 + rЭ)]·

На рис. 2.66 показан пример двухтактного выходного каскада со следящей связью, построенной подобно рассмотренной выше схеме двухтактного повторителя.

Рис. 2.66. Следящая связь в коллекторной нагрузке усилителя мощности, представляющего собой нагружающий каскад.

Так как выход повторяет сигнал на базе транзистора Т2, конденсатор С создает следящую связь в коллекторную нагрузку транзистора Т1 и поддерживает постоянное падение напряжения на резисторе R2 при наличии сигнала (импеданс конденсатора С должен быть малым по сравнению с R1 и R2 во всей полосе частот сигнала). Благодаря этому резистор R2 становится подобен источнику тока, увеличивается коэффициент усиления транзистора Т1 по напряжению и поддерживается достаточное напряжение на базе транзистора Т2 даже при пиковых значениях сигнала. Когда сигнал становится близким к напряжению питания UКК потенциал в точке соединения резисторов R1 и R2 становится больше, чем UКК, благодаря заряду, накопленному конденсатором С. При этом если R1 = R2 (неплохой вариант выбора резисторов), то потенциал в точке их соединения превысит UКК в 1,5 раза в тот момент, когда выходной сигнал станет равен UКК. Эта схема завоевала большую популярность при разработке бытовых усилителей низкой частоты, хотя простой источник тока обладает преимуществами перед схемой со следящей связью, так как отпадает необходимость в использовании нежелательного элемента — электролитического конденсатора - и обеспечиваются лучшие характеристики на низких частотах.

2.18. Дифференциальные усилители

Дифференциальный усилитель — это широко известная схема, используемая для усиления разности напряжений двух входных сигналов. В идеальном случае выходной сигнал не зависит от уровня каждого из входных сигналов, а определяется только их разностью. Когда уровни сигналов на обоих входах изменяются одновременно, то такое изменение входного сигнала называют синфазным. Дифференциальный или разностный входной сигнал называют еще нормальным или полезным. Хороший дифференциальный усилитель обладает высоким коэффициентом ослабления синфазного сигнала (КОСС), который представляет собой отношение выходного полезного сигнала к выходному синфазному сигналу, при условии что полезный и синфазный входные сигналы имеют одинаковую амплитуду. Обычно КОСС определяют в децибелах. Диапазон изменения синфазного входного сигнала задает допустимые уровни напряжения, относительно которого должен изменяться входной сигнал.

Дифференциальные усилители используют в тех случаях, когда слабые сигналы — можно потерять на фоне шумов. Примерами таких сигналов являются цифровые сигналы, передаваемые по длинным кабелям (кабель обычно состоит из двух скрученных проводов), звуковые сигналы (в радиотехнике понятие «балансный» импеданс обычно связывают с дифференциальным импедансом 600 Ом), радиочастотные сигналы (двухжильный кабель является дифференциальным), напряжения электрокардиограмм, сигналы считывания информации из магнитной памяти и многие другие. Дифференциальный усилитель на приемном конце восстанавливает первоначальный сигнал, если синфазные помехи не очень велики.

Дифференциальные каскады широко используют при построении операционных усилителей, которые мы рассматриваем ниже. Они играют важную роль при разработке усилителей постоянного тока (которые усиливают частоты вплоть до постоянного тока, т. е. не используют для межкаскадной связи конденсаторы): их симметричная схема по сути своей приспособлена для компенсации температурного дрейфа.

На рис. 2.67 показана основная схема дифференциального усилителя.

Рис. 2.67. Классический транзисторный дифференциальный усилитель.

Выходное напряжение измеряется на одном из коллекторов относительно потенциала земли; такой усилитель называют схемой с однополюсным выходом или разностным усилителем и он распространен наиболее широко. Этот усилитель можно рассматривать как устройство, которое усиливает дифференциальный сигнал и преобразует его в несимметричный сигнал, с которым могут работать обычные схемы (повторители напряжения, источники тока и т. п.). Если же нужен дифференциальный сигнал, то его снимают между коллекторами.

Чему равен коэффициент усиления этой схемы? Его нетрудно подсчитать: допустим, на вход подается дифференциальный сигнал, при этом напряжение на входе 1 увеличивается на величину uвх (изменение напряжения для малого сигнала по отношению ко входу). До тех пор пока оба транзистора находятся в активном режиме, потенциал точки А фиксирован. Коэффициент усиления можно определить как и в случае усилителя на одном транзисторе, если заметить, что входной сигнал оказывается дважды приложенным к переходу база-эмиттер любого транзистора: Кдиф = RK/2(rЭRЭ). Сопротивление резистора RЭ  обычно невелико (100 Ом и меньше), а иногда этот резистор вообще отсутствует. Дифференциальное напряжение обычно усиливается в несколько сотен раз.

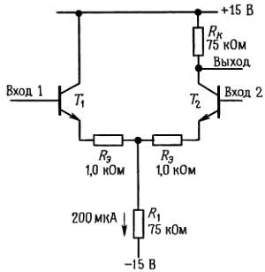
Для того чтобы определить коэффициент усиления синфазного сигнала, на оба входа усилителя нужно подать одинаковые сигналы uвх. Если вы внимательно рассмотрите этот случай (и вспомните, что через резистор R1 протекают оба эмиттерных тока), то получите Ксинф = —RK/(2R1 + RЭ). Мы пренебрегаем сопротивлением rЭ, так как резистор R1 обычно выбирают большим — его сопротивление составляет по крайней мере несколько тысяч ом. На самом деле сопротивлением RЭ тоже можно пренебречь. КОСС приблизительно равен R1/(rЭRЭ). Типичным примером дифференциального усилителя является схема, представленная на рис. 2.68.

Рис. 2.68. Вычисление характеристик дифференциального усилителя.

Кдиф  = Uвых/(U1U2) = RK/(2R1 + rЭ);

Ксинф = RК/(2R1 + RЭ + rЭ);

КОСС ~= R1/(RЭ + rЭ);

Рассмотрим, как она работает. Сопротивление резистора RK выбрано так, чтобы коллекторный ток покоя можно было взять равным 100 мкА. Как обычно, для получения максимального динамического диапазона потенциал коллектора установлен равным 0,5UKK. У транзистора Т1 коллекторный резистор отсутствует, так как его выходной сигнал снимается с коллектора. другого транзистора. Сопротивление резистора R1 выбрано таким, что суммарный ток равен 200 мкА и поровну распределен между транзисторами, когда входной (дифференциальный) сигнал равен нулю. Согласно только что выведенным формулам коэффициент усиления дифференциального сигнала равен 30, а коэффициент усиления синфазного сигнала равен 0,5. Если исключить из схемы резисторы 1,0 кОм, то коэффициент усиления дифференциального сигнала станет равен 150, но при этом уменьшится входное (дифференциальное) сопротивление с 250 до 50 кОм (если необходимо, чтобы величина этого сопротивления имела порядок мегаом, то во входном каскаде можно использовать транзисторы Дарлингтона).

Напомним, что в несимметричном усилителе с заземленным эмиттером при выходном напряжении покоя 0,5UKK максимальное усиление равно 20UKK, где UKK выражено в вольтах. В дифференциальном усилителе максимальное дифференциальное усиление (при RЭ = 0) вдвое меньше, т. е. численно равно двадцатикратному падению напряжения на коллекторном резисторе при аналогичном выборе рабочей точки. Соответствующий максимальный КОСС (при условии, что RЭ = 0) также численно в 20 раз превышает падение напряжения на R1.

Упражнение 2.13. Убедитесь, что приведенные соотношения правильны. Разработайте дифференциальный усилитель по вашим собственным требованиям.

Дифференциальный усилитель можно образно назвать «длиннохвостой парой», так как, если длина резистора на условном обозначении пропорциональна величине его сопротивления, схему можно изобразить в таком виде, как показано на рис. 2.69. «Длинный хвост» определяет подавление синфазного сигнала, а небольшие сопротивления межэмиттерной связи (включающие собственные сопротивления эмиттеров) — усиление дифференциального сигнала.

Рис. 2.69.

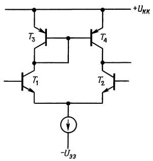
Смещение с помощью источника тока. Усиление синфазного сигнала в дифференциальном усилителе можно значительно уменьшить, если резистор R1 заменить источником тока. При этом действующее значение сопротивления R1  станет очень большим, а усиление синфазного сигнала будет ослаблено почти до нуля.

Представим себе, что на входе действует синфазный сигнал; источник тока в эмиттерной цепи поддерживает полный эмиттерный ток постоянным, и он (в силу симметрии схемы) равномерно распределяется между двумя коллекторными цепями. Следовательно, сигнал на выходе схемы не изменяется. Пример подобной схемы приведен на рис. 2.70.

Рис. 2.70. Увеличение КОСС дифференциального усилителя с помощью источника тока.

Для этой схемы, в которой использованы монолитная транзисторная пара типа LM394 (транзисторы Т1 и Т2) и источник тока типа 2N5963, величина КОСС определяется отношением 100000:1 (100 дБ). Диапазон входного синфазного сигнала ограничен значениями —12 и +7 В; нижний предел определяется рабочим диапазоном источника тока в эмиттерной цепи, а верхний — коллекторным напряжением покоя.

Не забывайте о том, что в этом усилителе, как и во всех транзисторных усилителях, должны быть предусмотрены цепи смещения по постоянному току. Если, например, для межкаскадной связи на входе используется конденсатор, то должны быть включены заземленные базовые резисторы. Еще одно предостережение относится в особенности к дифференциальным усилителям без эмиттерных резисторов: биполярные транзисторы могут выдержать обратное смещение на переходе база-эмиттер величиной не более 6 В, затем наступает пробой; значит, если подать на вход дифференциальное входное напряжение большей величины, то входной каскад будет разрушен (при условии, что отсутствуют эмиттерные резисторы). Эмиттерный резистор ограничивает ток пробоя и предотвращает разрушение схемы, но характеристики транзисторов могут в этом случае деградировать (коэффициент h21Э, шумы и др.). В любом случае входной импеданс существенно падает, если возникает обратная проводимость.

Применения дифференциальных схем в усилителях постоянного тока с однополюсным выходом. Дифференциальный усилитель может прекрасно работать как усилитель постоянного тока даже с несимметричными (односторонними) входными сигналами. Для этого нужно один из его входов заземлить, а на другой подать сигнал (рис. 2.71).

Рис. 2.71. Дифференциальный усилитель может работать как прецизионный усилитель постоянного тока с однополюсным выходом.

Можно ли исключить «неиспользуемый» транзистор из схемы? Нет. Дифференциальная схема обеспечивает компенсацию температурного дрейфа, и, даже когда один вход заземлен, транзистор выполняет некоторые функции: при изменении температуры напряжения UБЭ изменяются на одинаковую величину, при этом не происходит никаких изменений на выходе и не нарушается балансировка схемы. Это значит, что изменение напряжения UБЭ не усиливается с коэффициентом Кдиф (его усиление определяется коэффициентом Ксинф, который можно уменьшить почти до нуля). Кроме того, взаимная компенсация напряжений UБЭ приводит к тому, что на входе не нужно учитывать падения напряжения величиной 0,6 В. Качество такого усилителя постоянного тока ухудшается только из-за несогласованности напряжений UБЭ или их температурных коэффициентов.

Промышленность выпускает транзисторные пары и интегральные дифференциальные усилители с очень высокой степенью согласования (например, для стандартной согласованной монолитной пары n-р-n-транзисторов типа МАТ-01 дрейф напряжения UБЭ определяется величиной 0,15 мкВ/°С или 0,2 мкВ за месяц).

В предыдущей схеме можно заземлить любой из входов. В зависимости от того, какой вход заземлен, усилитель будет или не будет инвертировать сигнал. (Однако, из-за наличия эффекта Миллера, речь о котором пойдет в разд. 2.19, приведенная здесь схема предпочтительна для диапазона высоких частот). Представленная схема является неинвертирующей, значит, в ней заземлен инвертирующий вход.

Терминология, относящаяся к дифференциальным усилителям, распространяется также на операционные усилители, которые представляют собой те же дифференциальные усилители с высоким коэффициентом усиления. Использование токового зеркала в качестве активной нагрузки. Иногда желательно, чтобы однокаскадный дифференциальный усилитель, как и простой усилитель с заземленным эмиттером, имел большой коэффициент усиления. Красивое решение дает использование токового зеркала в качестве активной нагрузки усилителя (рис. 2.72).

Рис. 2.72. Дифференциальный усилитель с токовым зеркалом в качестве активной нагрузки.

Транзисторы Т1 и Т2 образуют дифференциальную пару с источником тока в эмиттерной цепи. Транзисторы Т3 и Т4, образующие токовое зеркало, выступают в качестве коллекторной нагрузки. Тем самым обеспечивается высокое значение сопротивления коллекторной нагрузки, благодаря этому коэффициент усиления по напряжению достигает 5000 и выше при условии, что нагрузка на выходе усилителя отсутствует. Такой усилитель используют, как правило, только в схемах, охваченных петлей обратной связи, или в компараторах (их мы рассмотрим в следующем разделе). Запомните, что нагрузка для такого усилителя обязательно должна иметь большой импеданс, иначе усиление будет существенно ослаблено.

Дифференциальные усилители как схемы расщепления фазы. На коллекторах симметричного дифференциального усилителя возникают сигналы, одинаковые по амплитуде, но с противоположными фазами. Если снимать выходные сигналы с двух коллекторов, то получим схему расщепления фазы. Конечно, можно использовать дифференциальный усилитель с дифференциальными входами и выходами. Дифференциальный выходной сигнал можно затем использовать для управления еще одним дифференциальным усилительным каскадом, величина КОСС для всей схемы при этом значительно увеличивается.

Дифференциальные усилители как компараторы. Благодаря высокому коэффициенту усиления и стабильным характеристикам дифференциальный усилитель является основной составной частью компаратора — схемы, которая сравнивает входные сигналы и оценивает, какой из них больше. Компараторы используют в самых различных областях: для включения освещения и отопления, для получения прямоугольных сигналов из треугольных, для сравнения уровня сигнала с пороговым значением, в усилителях класса D и при импульсно-кодовой модуляции, для переключения источников питания и т. д. Основная идея при построении компаратора заключается в том, что транзистор должен включаться или выключаться в зависимости от уровней входных сигналов. Область линейного усиления не рассматривается — работа схемы основывается на том, что один из двух входных транзисторов в любой момент находится в режиме отсечки. Типичное применение с захватом сигнала рассматривается в следующем разделе на примере схемы регулирования температуры, в которой используются резисторы, сопротивление которых зависит от температуры (термисторы).

2.19. Емкость и эффект Миллера

До сих пор мы пользовались моделью транзистора для сигналов постоянного тока или низкой частоты. В простейшей модели транзистора в виде усилителя тока и в более сложной модели Эберса-Молла напряжения, токи и сопротивления рассматривают со стороны различных выводов транзистора. Пользуясь этими моделями, мы уже охватили достаточно широкий круг вопросов, и на самом деле они содержат в себе почти все, что необходимо учитывать при разработке транзисторных схем. Однако до сих пор мы не принимали во внимание важный момент — внешние цепи и сами переходы транзистора обладают некоторой емкостью, которую необходимо учитывать при разработке быстродействующих и высокочастотных схем. На самом деле, на высоких частотах емкость зачастую определяет работу схемы: на частоте 100 МГц емкость перехода, равная 5 пкФ, имеет импеданс 320 Ом.

Более подробно мы рассмотрим этот вопрос в гл. 13. Сейчас мы хотим просто поставить вопрос, проиллюстрировать его на примере некоторых схем и предложить методы его решения. Конечно, в этой главе мы не можем не коснуться причины самого явления. Рассматривая транзистор в новом аспекте, мы познакомимся с эффектом Миллера и каскодными схемами.

Емкость схемы и перехода. Емкость ограничивает скорость изменения напряжений в схеме, так как любая схема имеет собственные конечные выходные импеданс и ток. Когда емкость перезаряжается от источника с конечным сопротивлением, ее заряд происходит по экспоненциальному закону с постоянной времени RC; если же емкость заряжает идеальный источник тока, то снимаемый с нее сигнал будет изменяться по линейному закону. Общая рекомендация заключается в следующем: для ускорения работы схемы следует уменьшать импеданс источника и емкость нагрузки и увеличивать управляющий ток. Однако некоторые особенности связаны с емкостью обратной связи и со входной емкостью. Коротко остановимся на этих вопросах.

Схема на рис. 2.73 иллюстрирует, как проявляются емкости переходов транзистора.

Рис. 2.73. Емкости перехода и нагрузки в транзисторном усилителе.

Выходная емкость образует RC-цепь с выходным сопротивлением Rн (сопротивление Rн включает в себя как сопротивление коллектора, так и сопротивление нагрузки, а емкость Сн — емкость перехода и емкость нагрузки), в связи с этим спад сигнала начинается при частоте f = 1/2πRнСн. То же самое можно сказать о входной емкости и сопротивлении источника RU.

Эффект Миллера. Емкость Скб играет иную роль. Усилитель обладает некоторым коэффициентом усиления по напряжению KU, следовательно, небольшой сигнал напряжения на входе порождает на коллекторе сигнал, в KU раз превышающий входной (и инвертированный по отношению к входному). Из этого следует, что для источника сигнала емкость Скб в (KU + 1) раз больше, чем при подключении Скб между базой и землей, т. е. при расчете частоты среза входного сигнала можно считать, что емкость обратной связи ведет себя как конденсатор емкостью Скб(KU +1), подключенный между входом и землей. Эффективное увеличение емкости Скб и называют эффектом Миллера.

Эффект Миллера часто играет основную роль в спаде усиления, так как типичное значение емкости обратной связи около 4 пкФ соответствует (эквивалентно) емкости в несколько сотен пикофарад, присоединенной на землю.

Существует несколько методов борьбы с эффектом Миллера, например, он будет полностью устранен, если использовать усилительный каскад с общей базой. Импеданс источника можно уменьшить, если подавать сигнал на каскад с заземленным эмиттером через эмиттерный повторитель. На рис. 2.74 показаны еще две возможности.

Рис. 2.74. Две схемы, в которых устранен эффект Миллера. Схема Б представляет собой пример каскодного включения транзисторов.

В дифференциальном усилителе (без резистора в коллекторной цепи Т1) эффект Миллера не наблюдается; эту схему можно рассматривать как эмиттерный повторитель, подключенный к каскаду с заземленной базой. На второй схеме показано каскодное включение транзисторов. Т1 - это усилитель с заземленным эмиттером, резистор Rн является общим коллекторным резистором. Транзистор Т2 включен в коллекторную цепь для того, чтобы предотвратить изменение сигнала в коллекторе Т1 (и тем самым устранить эффект Миллера) при протекании коллекторного тока через резистор нагрузки. Напряжение U+ — это фиксированное напряжение смещения, обычно оно на несколько вольт превышает напряжение на эмиттере Т1 и поддерживает коллектор Т1 в активной области. На рис. 2.74 представлена лишь часть каскодной схемы; в нее можно включить зашунтированный эмиттерный резистор и делитель напряжения для подачи смещения на базу (подобные примеры были рассмотрены в начале настоящей главы) или охватить всю схему петлей обратной связи по постоянному току. Напряжение U+ можно формировать с помощью делителя или зенеровского диода; для того чтобы напряжение было жестко фиксировано на частотах сигнала, можно шунтировать резистор в базе Т2.

Упражнение 2.14. Объясните, почему эффект Миллера не наблюдается в транзисторах рассмотренной только что схемы дифференциального усилителя и в каскодных схемах.

Паразитные емкости могут создавать и более сложные проблемы, чем те, которых мы сейчас коснулись. В частности: а) спад усиления, обусловленный наличием емкости обратной связи и выходной емкости, сопровождается побочными эффектами, которые мы рассмотрим в следующей главе; б) входная емкость также оказывает влияние на работу схемы даже при наличии мощного источника входных сигналов; в частности, ток, который протекает через Cбэ, не усиливается транзистором, т. е. входная емкость «присваивает» себе часть входного тока, вследствие чего коэффициент усиления малого сигнала h21э на высоких частотах снижается и на частоте fT становится равным единице; в) дело осложняется также тем, что емкости переходов зависят от напряжения, емкость Cбэ изменяется столь сильно при изменении базового тока, что ее даже не указывают в паспортных данных на транзистор, вместо этого указывается значение частоты fT; г) если транзистор работает как переключатель, то заряд, накопленный в области базы в режиме насыщения, также вызывает уменьшение быстродействия. Эти, а также некоторые другие вопросы, связанные с работой быстродействующих схем, мы рассмотрим в гл. 13.

2.20. Полевые транзисторы

В этой главе мы до сих пор имели дело с биполярными плоскостными транзисторами, характеристики которых описываются уравнениями Эберса-Молла. Биполярные плоскостные транзисторы были первыми транзисторами и до сих пор они преобладают в разработке аналоговых схем. Однако было бы ошибкой не сказать сейчас несколько слов о транзисторе особого типа - о полевом транзисторе. Детально мы рассмотрим его в следующей главе.

Полевой транзистор во многом похож на обычный биполярный транзистор. Он представляет собой усилительное устройство, имеющее 3 вывода, и может иметь любую полярность. Один из выводов (затвор) предназначен для управления током, который протекает между двумя другими выводами (истоком и стоком). Этот транзистор обладает, однако, одним особым свойством: через затвор ток не протекает, за исключением токов утечки. Это значит, что входные импедансы могут быть очень большими, их предельные значения связаны лишь с наличием емкостей или утечек. При использовании полевых транзисторов нет необходимости заботиться о величине тока, протекающего через базу, что было совершенно обязательно при разработке схем на биполярных транзисторах, о которых мы вели речь в этой главе. На практике входные токи имеют порядок пикоампер. К настоящему времени полевые транзисторы зарекомендовали себя как надежные устройства, способные выполнять разнообразные функции. Их предельно допустимые напряжения и токи сравнимы с соответствующими напряжениями и токами биполярных транзисторов.

В большинстве устройств на основе транзисторов (согласованные пары, дифференциальные и операционные усилители, компараторы, токовые ключи и усилители, радиочастотные усилители, цифровые схемы) используют полевые транзисторы и зачастую они обладают лучшими характеристиками. Более того, микропроцессоры и запоминающие устройства (а также другие крупные устройства цифровой электроники) строятся исключительно на основе полевых транзисторов. И наконец, в области разработки микромощных устройств также преобладают полевые транзисторы.

Полевые транзисторы играют столь важную роль в разработке электронных схем, что мы посвящаем им следующую главу нашей книги. Затем, в гл. 4 мы займемся операционными усилителями и обратной связью. В этих трех трудных начальных главах излагаются основополагающие сведения и мы призываем читателя проявить терпение, которое вознаградится многократно, когда в последующих главах мы приступим к изучению таких интереснейших тем, как разработка на основе операционных усилителей и цифровых интегральных схем.

Более 800 000 книг и аудиокниг! 📚

Получи 2 месяца Литрес Подписки в подарок и наслаждайся неограниченным чтением

ПОЛУЧИТЬ ПОДАРОК